首页 > 国家标准(GB) > GB 326-2007 石油沥青纸胎油毡
GB 326-2007

基本信息

标准号: GB 326-2007

中文名称:石油沥青纸胎油毡

标准类别:国家标准(GB)

标准状态:现行

发布日期:1964-07-29

实施日期:2008-06-01

出版语种:简体中文

下载格式:.rar.pdf

下载大小:283230

相关标签: 石油 沥青 油毡

标准分类号

标准ICS号:建筑材料和建筑物>>建筑构件>>91.060.30天花板、地板、楼梯

中标分类号:建材>>建材产品>>Q17屋面、铺面防水与防潮材料

关联标准

替代情况:替代GB 326-1989

采标情况:NEQ ГОСТ 10923-1993

出版信息

出版社:中国标准出版社

页数:7页

标准价格:14.0 元

计划单号:20021800-Q-609

出版日期:2008-06-01

相关单位信息

首发日期:1964-07-29

起草人:朱志远、杨斌、朱冬青、徐秋生、沈志高、郑家玉、陈文洁

起草单位:中国建筑防水材料工业协会、建材工业技术监督研究中心、中国化建公司苏州防水材料所等

归口单位:全国轻质与装饰装修建筑材料标准化技术委员会

提出单位:中国建筑材料工业协会

发布部门:中华人民共和国国家质量监督检验检疫总局 中国国家标准化管理委员会

主管部门:中国建筑材料工业协会

标准简介

本标准规定了石油沥青纸胎油毡的分类和标记、要求、试验方法、检验规则、标志、包装、运输与贮存。 GB 326-2007 石油沥青纸胎油毡 GB326-2007 标准下载解压密码:www.bzxz.net

标准图片预览

GB 326-2007 石油沥青纸胎油毡
GB 326-2007 石油沥青纸胎油毡
GB 326-2007 石油沥青纸胎油毡
GB 326-2007 石油沥青纸胎油毡
GB 326-2007 石油沥青纸胎油毡

标准内容

ICS 91.060.30
中华人民共和国国家标准
GB326--2007
代替GB326-1989
石油沥青纸胎油毡
Paper base petroleum asphalt felt2007-11-09发布
中华人民共和国国家质量监督检验检疫总局中国国家标准化管理委员会
2008-06-01实施
本标准4.4条Ⅲ型为强制性的,其余为推荐性的、本标准与TOCT10923一1993《沥青油毡的技术条件》的一致性程度为非等效。本标准代替GB326-1989《石油沥青纸胎油毡、油纸》。本标准与GB326—1989相比主要变化如下:对标准名称作了修改;
适用范围变化,取消了油纸(1989年版的第1章,本版的第1章);GB326—2007
“引用标准”改为“规范性引用文件”,内容作了调整(1989年版的第2章,本版的第2章);一删除“定义”,内容移人范围(1989年版第3章,本版的第1章);“产品分类”改为“分类和标记”,重新划分分类,取消了产品等级(1989年版的第4章,本版的第3章);
一“技术要求”改为“要求”,内容重新调整(1989年版的第5章,本版的第4章);“检验方法”改为“试验方法”,引用新制修订的标准(1989年版的第6章,本版的第5章);一对检验规则、包装、标志、运输和贮存的内容作了修改(1989年版的第7、8、9、10章,本版的第6、7章);
删除原“附录A石油沥青纸胎油毡、油纸检查方法”(1989年版的附录A);增加新附录A“吸水率试验方法”。本标准附录A为规范性附录。
本标准由中国建筑材料工业协会提出。本标准由全国轻质与装饰装修建筑材料标准化技术委员会归口。本标准负责起草单位:中国化学建筑材料公司苏州防水材料研究设计所、国家建筑材料工业标准化研究所、中国建筑防水材料工业协会。本标准参加起草单位:扬州市志高防水材料有限公司、吴江市月星建筑防水材料有限公司、无锡市杨市建筑防水材料厂、潍坊市宝源防水材料有限公司、寿光市昌龙新型防水材料有限公司、广饶县大王镇鑫源油毡广。
本标准主要起草人:朱志远、杨斌、朱冬青、徐秋生、沈志高、郑家玉、陈文洁。本标准所代替标准的历次版本发布情况为:GB326—1964,GB326—1973、GB326—1989。I
1范围
石油沥青纸胎油毡
GB326—2007
本标准规定了石油沥青纸胎油毡(简称油毡)的分类和标记、要求、试验方法、检验规则、标志、包装、运输与贮存。
本标准适用于以石油沥青浸渍原纸,再涂盖其两面,表面涂或撒隔离材料所制成的卷材。2规范性引用文件
下列文件中的条款通过本标准的引用而成为本标准的条款。凡是注日期的引用文件,其随后所有的修改单(不包括勘误的内容)或修订版均不适用于本标准,然而,鼓励根据本标准达成协议的各方研究是否可使用这些文件的最新版本。凡是不注日期的引用文件,其最新版本适用于本标准。GB/T328.8一2007建筑防水卷材试验方法第8部分:沥青防水卷材拉伸性能GB/T328.10—2007
建筑防水卷材试验方法第10部分:沥青和高分子防水卷材不透水性
GB/T328.11-2007建筑防水卷材试验方法第11部分:沥青防水卷材耐热性GB/T328.14—2007
GB/T328.26—2007
料含量)
3分类和标记
3.1分类
建筑防水卷材试验方法
第14部分:沥青防水卷材低温柔性建筑防水卷材试验方法
第26部分:沥青防水卷材可溶物含量(浸透材油毡按卷重和物理性能分为I型、Ⅱ型、Ⅲ型。3.2规格
油毡幅宽为1000mm,其他规格可由供需双方商定。3.3标记
按产品名称、类型和标准号顺序标记。示例:Ⅲ型石油沥青纸胎油毡标记为:油毡Ⅲ型GB326—2007。3.4用途
I、Ⅱ型油毡适用于辅助防水、保护隔离层、临时性建筑防水、防潮及包装等。Ⅲ型油毡适用于屋面工程的多层防水。4要求
4.1卷重
每卷油毡的卷重应符合表1的规定。表1卷重
卷重/(kg/卷)
4.2面积
每卷油毡的总面积为(20士0.3)m。4.3外观
4.3.1成卷油毯应卷紧、卷齐,端面里进外出不得超过10mm。Ⅱ型
GB326-—2007
4.3.2成卷油毡在(10~45)℃任一产品温度下展开,在距卷芯1000mm长度外不应有10mm以上的裂纹或粘结。
4.3.3纸胎必须浸透,不应有未被浸透的浅色斑点,不应有胎基外露和涂油不均。4.3.4毡面不应有孔洞、咯伤,长度20mm以上的疙瘩、浆糊状粉浆、水迹,不应有距卷芯1000mm以外长度100mm以上的折纹、折皱;20mm以内的边缘裂口或长20mm、深20mm以内的缺边不应超过4处。4.3.5每卷油毡中允许有一处接头,其中较短的一段长度不应少于2500mm,接头处应剪切整齐,并加长150mm,每批卷材中接头不应超过5%。4.4物理性能
油毡的物理性能应符合表2规定。表2物理性能
单位面积浸涂材料总量/(g/m)不透水性
吸水率/%
耐热度
压力/MPa
保持时间/min
拉力(纵向)/(N/50mm)
(85士2)℃,2h涂盖层无滑动、流和集中性气泡240
(18土2)℃,绕20mm棒或弯板无裂纹注:本标准Ⅲ型产品物理性能要求为强制性的,其余为推荐性的。试验方法
5.1卷重及面积
5.1.1卷重
用分度值为0.2kg的台秤称量每卷卷材的质量。5.1.2面积
用最小分度值为1mm卷尺测量卷材的长度和宽度,若有接头,长度以量出的两段之和减去150mm计算。宽度测量卷材两端和中间三处,以长度乘宽度的平均值求得每卷卷材面积,精确至0.1m。5.2外观
5.2.1将被检卷材立放在平面上,里进外出最大的一端朝上,用一把钢直尺平放在卷材的端面上,用另一把精度为1mm的钢直尺垂直伸入卷材端面最凹处,所测得的数值为卷材端面的里进外出的结果,5.2.2在(10~45)℃任一产品温度下展开成卷卷材,用精度1mm的钢直尺测量毡面粘结、裂纹、折纹、边缘裂口、缺边;观察孔洞、伤、浆糊状粉浆、水迹等是否符合要求。5.2.3在被检卷材的任端,沿横向全幅裁取50mm宽的条,沿其边缘撕开,胎基内不应有未被浸透的浅色斑点。并检查整卷卷材表面有无涂油不均。5.3物理性能
5.3.1试件
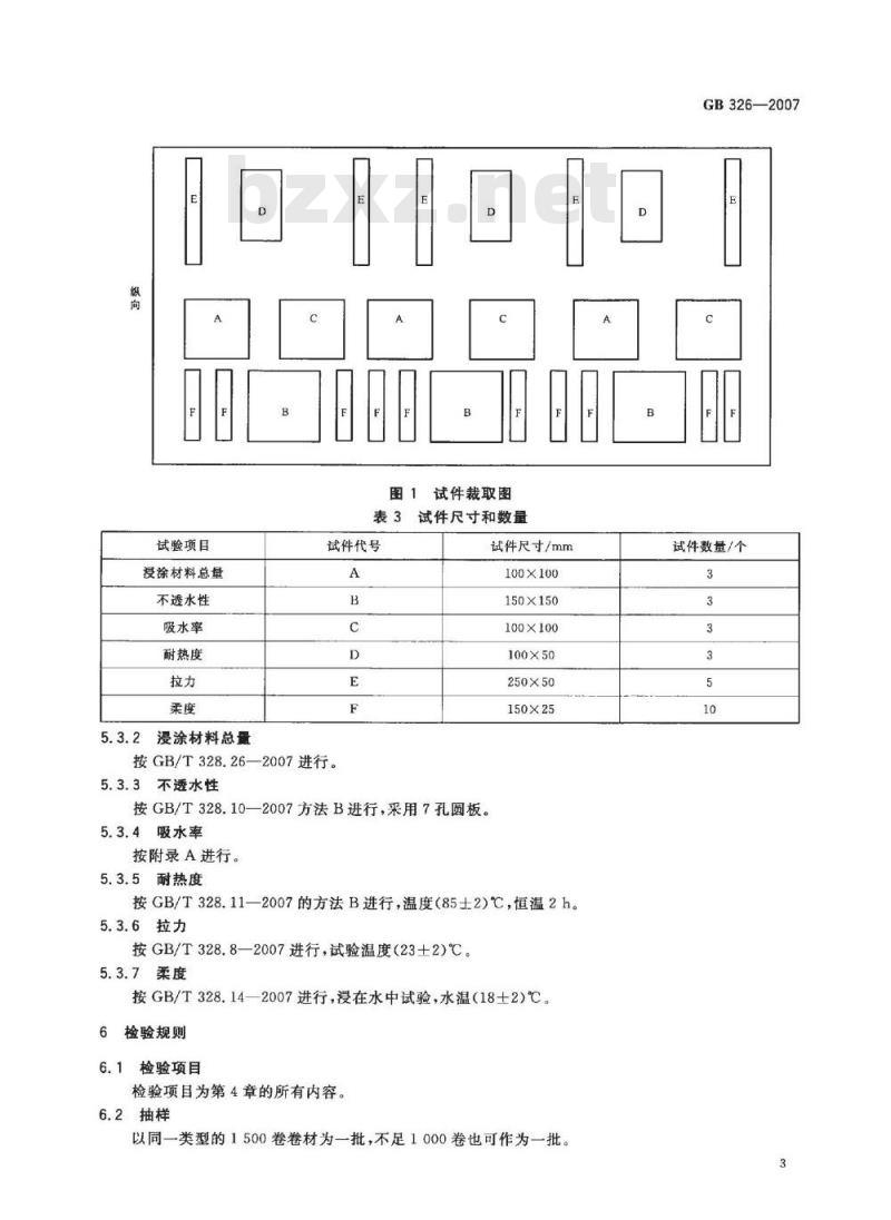
将取样卷材切除距外层卷头2500mm后,顺纵向切取长度为600mm的全幅卷材试样2块,一块用作物理性能检测,另一块备用。按图1所示的部位及表3规定的尺寸和数量切取试件,试件边缘与卷材纵向边缘间的距离不小于75mm。
试验项目
浸涂材料总量
不透水性
吸水率免费标准bzxz.net
耐热度
浸涂材料总量
图1试件裁取图
表3试件尺寸和数量
试件代号
按GB/T328.26—2007进行。
5.3.3不透水性
按GB/T328.10—2007方法B进行,采用7孔圆板。5.3.4吸水率
按附录A进行。
5.3.5耐热度
试件尺寸/mm
100×100
150×150
100×100
100×50
250×50
150×25
按GB/T328.11—2007的方法B进行,温度(85±2)℃,恒温2h。5.3.6拉力
按GB/T328.8—2007进行,试验温度(23土2)℃。5.3.7柔度
按GB/T328.14—2007进行,浸在水中试验,水温(18土2)℃。6检验规则
6.1检验项目
检验项目为第4章的所有内容。
6.2抽样
以同一类型的1500卷卷材为一批,不足1000卷也可作为一批。GB326—2007
试件数量/个
GB326—2007
在该批产品中随机抽取5卷进行卷重、面积和外观检查。6.3判定规则
6.3.1卷重、面积和外观
在抽取的五卷中检查结果均符合4,1、4.2和4.3规定时,判卷重、面积和外观合格。若其中有一项不符合要求,充许在该批产品中随机另抽五卷重新对不合格项进行复检。若达到要求则判其卷重、面积和外观合格,若仍不符合要求,则判该批产品不合格。6.3.2物理性能
从6.3.1合格的卷材中任取一卷进行物理性能试验。浸涂材料总量、吸水率、拉力各项试验结果的平均值达到要求判该项合格。不透水性、耐热度每组试件都达到要求判该项合格。柔度每面五个试件中至少四个达到要求判该项合格。各项试验结果均符合4,4条规定,则判该批产品物理性能合格。著仅有一项不符合要求,充许在该批产品中在随机抽取1卷,对不合格项进行单项复检,达到要求判该批产品物理性能合格,否则判不合格。
6.3.3总判定
卷重、面积、外观和物理性能均符合标准第4章的全部要求,则判该批产品合格。7包装,标志、运输和勉存
7.1包装
卷材应以全柱纸包装为宜,柱面两端未包装长度总计不超过100mm。7.2标志
卷材外包装上应包括:
生产厂名、地址;
商标;
产品名称、产品标记;
一生产日期或批号:
运输和贮存注意事项。
7.3运输和贮存
运输与贮存时,不同类型、规格的产品应分别堆放,不应混杂。避免日晒雨淋,并注意通风。卷材应在45℃以下立放,其高度不应超过两层。在正常运输、贮存条件下,贮存期自生产之日起为1年。A.1范围
附录A
(规范性附录)
吸水率
本方法适用于石油沥青纸胎油毡的吸水率测定。A.2仪器设备
分析天平精度0.001g,称量范围不小于100g。a)
b)毛刷。
容器用于浸泡试件于水中。
试件架用于放置试件,避免相互之间表面接触,可用金属丝制成。A.3试件制备
GB326—2007
试件尺寸100mm×100mm,共3块试件,从卷材表面均勾分布裁取。试验前,试件在(23士2)℃,相对湿度(50士10)%条件下放置24h。A.4步骤
取3块试件,用毛刷将试件表面的隔离材料尽量刷除干净,然后进行称量(m1),将试件浸人(23士2)℃的水中,试件放在试件架上相互隔开,避免表面相互接触,水面高出试件上端20mm~30mm。若试件上浮,可用合适的重物压下,但不应对试件带来损伤和变形,浸泡4h后取出试件用纸巾吸干表面的水分,至试件表面没有水渍为度,立即称量试件质量(m2)。为避免浸水后试件中水分蒸发,试件从水中取出至称量完毕的时间不应超过2minA.5结果计算
吸水率按式(A.1)计算:
H=(mz—mi)/m×100
式中:
H—吸水率,%;
浸水前试件质量,单位为克(g);m
m2—浸水后试件质量,单位为克(g)。吸水率取三块试件的算术平均值表示,计算精确到0.1%。(A.1)
GB326-2007
中华人民共
国家标准
石油沥青纸胎油
GB326—2007
中国标准出版社出版发行
北京复兴门外三里河北街16号
邮政编码:100045
网址spc.net.cn
电话:68523946
68517548
中国标准出版社秦皇岛印刷厂印刷各地新华书店经销
开本880×12301/16
2007年12月第一版
印张0.75
5字数12千字
2007年12月第一次印刷
书号:155066·1-30309
如有印装差错
定价14.00元
由本社发行中心调换
版权专有
侵权必究
举报电话:(010)68533533
小提示:此标准内容仅展示完整标准里的部分截取内容,若需要完整标准请到上方自行免费下载完整标准文档。