首页 > 机械行业标准(JB) > JB/T 7643.3-2008 冲模模板 第3部分:矩形垫板
JB/T 7643.3-2008

基本信息

标准号: JB/T 7643.3-2008

中文名称:冲模模板 第3部分:矩形垫板

标准类别:机械行业标准(JB)

标准状态:现行

发布日期:2008-02-01

实施日期:2008-07-01

出版语种:简体中文

下载格式:.rar.pdf

下载大小:362106

相关标签: 冲模 模板 矩形 垫板

标准分类号

标准ICS号:机械制造>>无屑加工设备>>25.120.30模制设备和铸造设备

中标分类号:机械>>工艺装备>>J46模具

关联标准

替代情况:替代JB/T 7643.3-1994

出版信息

出版社:机械工业出版社

书号:15111·8886

页数:5页

标准价格:8.0 元

出版日期:2008-06-01

相关单位信息

起草人:翁史振、廖宏谊、奉双

起草单位:桂林电器科学研究所;桂林电子科技大学

归口单位:全国模具标委会

提出单位:机械工业联合会

标准简介

本部分规定了冲模矩形垫板的尺寸规格和标记。 本部分适用于冲模矩形垫板。 JB/T 7643.3-2008 冲模模板 第3部分:矩形垫板 JB/T7643.3-2008 标准下载解压密码:www.bzxz.net

标准图片预览

JB/T 7643.3-2008 冲模模板 第3部分:矩形垫板
JB/T 7643.3-2008 冲模模板 第3部分:矩形垫板
JB/T 7643.3-2008 冲模模板 第3部分:矩形垫板
JB/T 7643.3-2008 冲模模板 第3部分:矩形垫板
JB/T 7643.3-2008 冲模模板 第3部分:矩形垫板

标准内容

ICS25.120.30
备案号:22961-2008
中华人民共和国机械行业标准
JB/T7643.3-2008
代替JB/T7643.3—1994
第3部分:矩形垫板
冲模模板
Stamping die platesPart 3:Rectangular bolster plates2008-02-01发布
2008-07-01实施
中华人民共和国国家发展和改革委员会发布前言
范围、
....+..
2规范性引用文件
3尺寸规格
材料,
图1矩形垫板
矩形垫板尺寸
JB/T7643.32008
JB/T7643.3--2008
JB/T7643《冲模模板》分为六个部分:第1部分:矩形凹模板;
第2部分:矩形固定板;
第3部分:矩形垫板:
第4部分:圆形凹模板:
第5部分:圆形固定板;
第6部分:圆形垫板。
本部分为JB/T7643的第3部分。
本部分代替JB/T7643.3一1994《冲模零件及其技术条件冲模模板矩形垫板》。
本部分与JB/T7643.3—1994相比,主要变化如下:-将标准名称改为《冲模模板第3部分:矩形垫板》;增加了“前言”
对“范围”的表述做了修改
对“规范性引用文件”做了修改;零件材料改为推荐选用:
“标记”中取消了材料要素,
本部分由中国机械工业联合会提出。本部分由全国模具标准化技术委员会(SAC/TC33)归口。本部分起草单位:桂林电器科学研究所、桂林电子科技大学。本部分主要起草人:翁史振、廖宏谊、奉双。本部分所代替标准的历次版本发布情况:JB/T7643.3—1994。
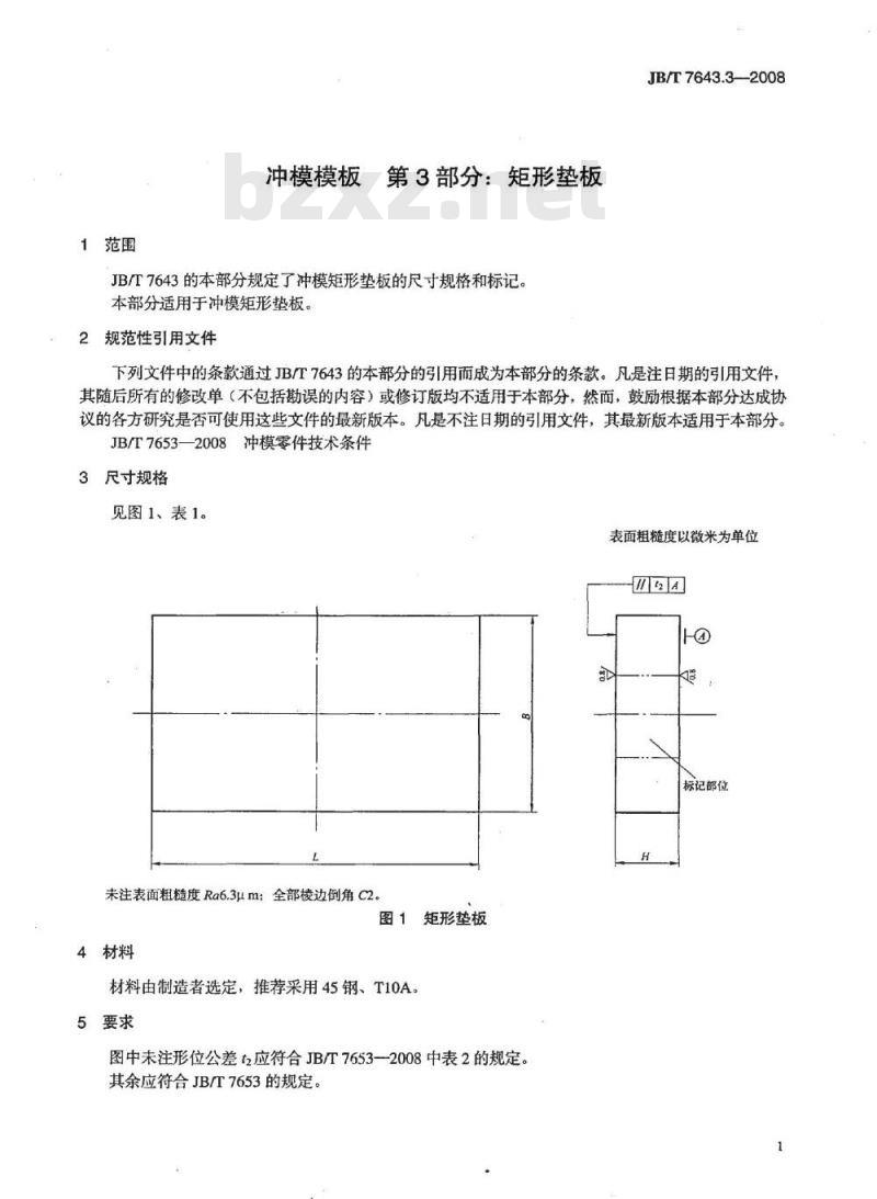
1范围
冲模模板第3部分:矩形垫板
JB/T7643的本部分规定了冲模矩形垫板的尺寸规格和标记。本部分适用于冲模矩形垫板。
规范性引用文件
JB/T7643.3—-2008
下列文件中的条款通过JB/T7643的本部分的引用而成为本部分的条款。凡是注日期的引用文件,其随后所有的修改单(不包括勘误的内容)或修订版均不适用于本部分,然而,鼓励根据本部分达成协议的各方研究是否可使用这些文件的最新版本。凡是不注日期的引用文件,其最新版本适用于本部分。JB/T7653—2008冲模零件技术条件3尺寸规格
见图1、表1。
表面粗糙度以微米为单位
标记部位
未注表面粗糙度Ra6.3um:全部棱边倒角c2。图1矩形垫板
4材料
材料由制造者选定,推荐采用45钢、T10A。5要求
图中未注形位公差t2应符合JB/T7653-2008中表2的规定。其余应符合JB/T7653的规定。
JB/T7643.3—2008
6标记
按本部分的矩形垫板应有下列标记:a)矩形垫板;
b)垫板长度L,单位为mm:
c)垫板宽度B,单位为mm;
d)垫板厚度H,单位为mm:
表1矩形垫板尺寸
e)本部分代号,即JB/T7643.3—2008。示例:
L=125mm、B=100mm、H=6mm的矩形垫板标记如下:矩形垫板125×100×6JB/T7643.3--2008B
单位:mm
人民共
机械行业标准
冲模模板第3部分:矩形垫板
JB/T7643.3-2008
机械工业出版社出版发行
北京市百万庄大街22号
邮政编码:100037
210mm×297mm·0.25印张·8千字2008年6月第1版第1次印刷
书号:15111:8886
网址:http://cmpbook.com编辑部电话:(010)88379778此内容来自标准下载网
(010)88379693
直销中心电话:
封面无防伪标均为盗版
侵权必究
版权专有
小提示:此标准内容仅展示完整标准里的部分截取内容,若需要完整标准请到上方自行免费下载完整标准文档。