首页 > 机械行业标准(JB) > JB/T 7645.1-2008 冲模导向装置 第1部分:A型小导柱
JB/T 7645.1-2008

基本信息

标准号: JB/T 7645.1-2008

中文名称:冲模导向装置 第1部分:A型小导柱

标准类别:机械行业标准(JB)

标准状态:现行

发布日期:2008-02-01

实施日期:2008-07-01

出版语种:简体中文

下载格式:.rar.pdf

下载大小:351882

相关标签: 冲模 导向 装置 导柱

标准分类号

标准ICS号:机械制造>>无屑加工设备>>25.120.30模制设备和铸造设备

中标分类号:机械>>工艺装备>>J46模具

关联标准

替代情况:替代JB/T 7645.1-1994

出版信息

出版社:机械工业出版社

书号:15111·8898

页数:5页

标准价格:8.0 元

出版日期:2008-06-01

相关单位信息

起草人:翁史振、廖宏谊、奉双

起草单位:桂林电器科学研究所;桂林电子科技大学

归口单位:全国模具标委会

提出单位:中国机械工业联合会

发布部门:中华人民共和国国家发展和改革委员会

标准简介

JB/T 7645的本部分规定了冲模导向装置A型小导柱的尺寸规格和标记。 本部分适用于冲模小导柱。 JB/T 7645.1-2008 冲模导向装置 第1部分:A型小导柱 JB/T7645.1-2008 标准下载解压密码:www.bzxz.net

标准图片预览

JB/T 7645.1-2008 冲模导向装置 第1部分:A型小导柱
JB/T 7645.1-2008 冲模导向装置 第1部分:A型小导柱
JB/T 7645.1-2008 冲模导向装置 第1部分:A型小导柱
JB/T 7645.1-2008 冲模导向装置 第1部分:A型小导柱
JB/T 7645.1-2008 冲模导向装置 第1部分:A型小导柱

标准内容

ICS25.120.30
备案号:22973—2008
中华人民共和国机械行业标准
JB/T7645.1--2008
代替JB/T7645.1—1994
冲模导向装置
第1部分:A型小导柱
Guide units of stamping dies-Part l: Small guide pillars- Type A2008-02-01发布
2008-07-01实施
中华人民共和国国家发展和改革委员会发布前言,
规范性引用文件
3尺寸规格..
4材料和硬度
6标记
图1A型小导柱
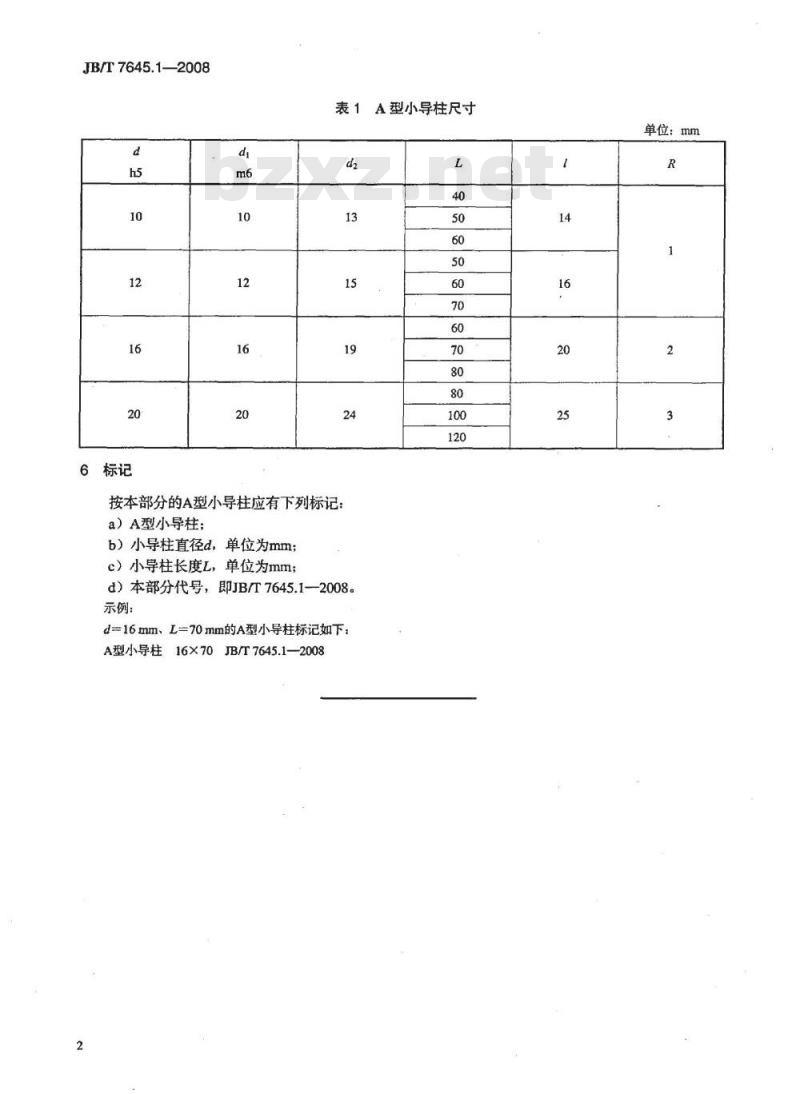
表1A型小导柱尺寸
JB/T7645.1-2008
JB/T7645.1—2008
JB/T7645《冲模导向装置》分为八个部分:第1部分:A型小导柱;
第2部分:B型小导柱;
第3部分:小导套;
第4部分:压板固定式导柱;
一第5部分:压板固定式导套;
第6部分:压板;
一第7部分:导柱座;
第8部分:导套座。
本部分为JB/T7645的第1部分。
本部分代替JB/T7645.1一1994《冲模零件及其技术条件冲模导向装置A型小导柱》。本部分与JB/T7645.1一1994相比,主要变化如下:将标准名称改为《冲模导向装置第1部分:A型小导柱》;增加了“前言”;
对“范围”的表述做了修改:
对“规范性引用文件”做了修改;零件材料改为推荐选用。
本部分由中国机械工业联合会提出。本部分由全国模具标准化技术委员会(SAC/TC33)归口。本部分起草单位:桂林电器科学研究所、桂林电子科技大学。本部分主要起草人:翁史振、廖宏谊、奉双。本部分所代替标准的历次版本发布情况:JB/T7645.1—1994。
1范围
冲模导向装置第1部分:A型小导柱JB/T7645的本部分规定了冲模导向装置A型小导柱的尺寸规格和标记。本部分适用于冲模小导柱。
2.规范性引用文件
JB/T7645.1—2008免费标准下载网bzxz
下列文件中的条款通过JB/T7645的本部分的引用而成为本部分的条款。凡是注日期的引用文件:其随后所有的修改单(不包括勘误的内容)或修订版均不适用于本部分,然而,鼓励根据本部分达成协议的各方研究是否可使用这些文件的最新版本。凡是不注日期的引用文件,其最新版本适用于本部分。JB/T7653冲模零件技术条件
3尺寸规格
见图1、表1。
表面粗糙度以微米为单位
未注表面粗糙度Ra6.3um。
“允许保留两端的中心孔。
”充许开油槽。
4材料和硬度
材料由制造者选定,推荐采用20Cr。合
图1A型小导柱
表面渗碳深度0.8mm1.2mm,表面硬度58HRC~62HRC。5要求
应符合JB/T7653的规定。
JB/T7645.1—2008
6标记
表1A型小导柱尺寸
按本部分的A型小导柱应有下列标记:a)A型小导柱;
b)小导柱直径d,单位为mm;
c)小导柱长度L,单位为mm;
d)本部分代号,即JB/T7645.1—2008。示例:
d=16mm、L=70mm的A型小导柱标记如下:A型小导柱16×70JB/T7645.1—2008L
单位:mm
中华人民共和国
机械行业标准
量第1部分:A型小导柱
冲模导向装置
JB/T7645.1--2008
机械工业出版社出版发行
北京市白万庄大街22号
邮政编码:100037
210mm×297mm·0.25印张·8千字2008年6月第1版第1次印刷
书号:15111·8898
网址:http://cmpbook.com编辑部电话:(010)88379778
(010)88379693
直销中心电话:
封面无防伪标均为盗版
版权专有
侵权必究
小提示:此标准内容仅展示完整标准里的部分截取内容,若需要完整标准请到上方自行免费下载完整标准文档。