首页 > 机械行业标准(JB) > JB/T 7645.7-2008 冲模导向装置 第7部分:导柱座
JB/T 7645.7-2008

基本信息

标准号: JB/T 7645.7-2008

中文名称:冲模导向装置 第7部分:导柱座

标准类别:机械行业标准(JB)

标准状态:现行

发布日期:2008-02-01

实施日期:2008-07-01

出版语种:简体中文

下载格式:.rar.pdf

下载大小:130677

相关标签: 冲模 导向 装置 导柱

标准分类号

标准ICS号:机械制造>>无屑加工设备>>25.120.30模制设备和铸造设备

中标分类号:机械>>工艺装备>>J46模具

关联标准

替代情况:替代JB/T 7645.7-1994

出版信息

出版社:机械工业出版社

书号:15111·8904

页数:6页

标准价格:10.0 元

出版日期:2008-06-01

相关单位信息

起草人:翁史振、廖宏谊、奉双

起草单位:桂林电器科学研究所;桂林电子科技大学

归口单位:全国模具标委会

提出单位:中国机械工业联合会

发布部门:中华人民共和国国家发展和改革委员会

标准简介

JB/T 7645的本部分规定了冲模导向装置导柱座的尺寸规格和标记。 本部分适用于冲模导柱座。 JB/T 7645.7-2008 冲模导向装置 第7部分:导柱座 JB/T7645.7-2008 标准下载解压密码:www.bzxz.net

标准图片预览

JB/T 7645.7-2008 冲模导向装置 第7部分:导柱座
JB/T 7645.7-2008 冲模导向装置 第7部分:导柱座
JB/T 7645.7-2008 冲模导向装置 第7部分:导柱座
JB/T 7645.7-2008 冲模导向装置 第7部分:导柱座
JB/T 7645.7-2008 冲模导向装置 第7部分:导柱座

标准内容

ICS25.120.30
备案号:22979-2008
中华人民共和国机械行业标准
JB/T7645.7—2008
代替JB/T7645.7—1994
冲模导向装置
第7部分:导柱座
Guide units of stamping dies -- Part 7: Guide pillar holders2008-02-01发布
2008-07-01实施
中华人民共和国国家发展和改革委员会发布前言。
1范围
规范性引用文件
3尺寸规格
附录A(资料性附录)导柱座的应用示例图.导柱座
图A.1导柱座的应用示例
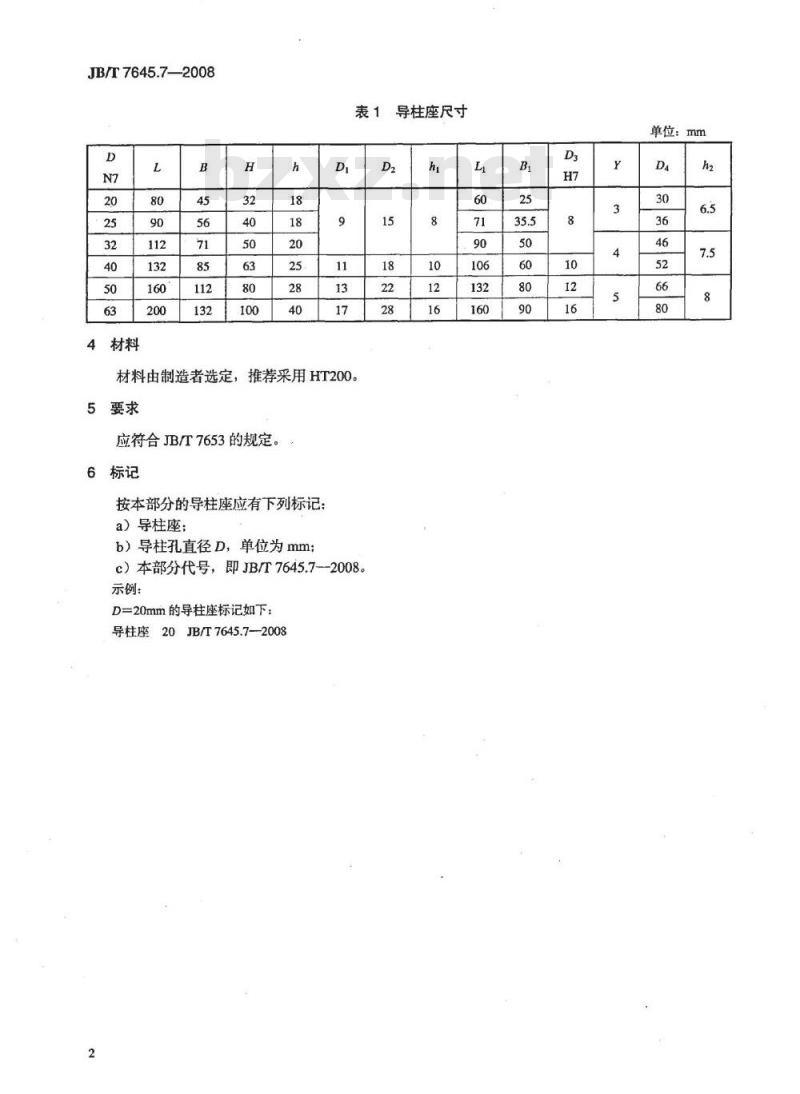
表1导柱座尺寸
JB/T7645.7—2008
JB/T7645《冲模导向装置》分为八个部分:-第1部分:A型小导柱;
第2部分:B型小导柱:
第3部分:小导套;
一第4部分:压板固定式导柱;
一第5部分:压板固定式导套;
第6部分:压板;
第7部分:导柱座;
第8部分:导套座。
JB/T7645.7-2008
本部分为JB/T7645的第7部分。
本部分代替JB/T7645.7-1994《冲模零件及其技术条件冲模导向装置导柱座》。本部分与JB/T7645.7一1994相比,主要变化如下:一将标准名称改为《冲模导向装置第7部分:导柱座》;一增加了“前言”;
一对“范围”的表述做了修改;一对“规范性引用文件”做了修改;一对导柱座结构做了修改;
-取消了导柱座的导柱孔直径80mm、100mm尺寸系列;零件材料改为推荐选用。
本部分的附录A为资料性附录。
本部分由中国机械工业联合会提出。本部分由全国模具标准化技术委员会(SAC/TC33)归口。本部分起草单位:桂林电器科学研究所、桂林电子科技大学。本部分主要起草人:翁史振、廖宏谊、奉双。本部分所代替标准的历次版本发布情况:JB/T7645.7-1994。
冲模导向装置第7部分:导柱座
JB/T7645的本部分规定了冲模导向装置导柱座的尺寸规格和标记。本部分适用于冲模导柱座。
2规范性引用文件
JB/T7645.7-—2008
下列文件中的条款通过JB/T7645的本部分的引用而成为本部分的条款。凡是注日期的引用文件,其随后所有的修改单(不包括勘误的内容)或修订版均不适用于本部分,然而,鼓励根据本部分达成协议的各方研究是否可使用这些文件的最新版本。凡是不注日期的引用文件,其最新版本适用于本部分。JB/T7653冲模零件技术条件
3尺寸规格
见图1、表1。
表面粗糙度以微米为单位
图1导柱座
JB/T7645.7—2008免费标准bzxz.net
导柱座尺寸
材料由制造者选定,推荐采用HT200。5要求
应符合JB/T7653的规定。
6标记
按本部分的导柱座应有下列标记:a)导柱座;
b)导柱孔直径D,单位为mm;
c)本部分代号,即JB/T7645.7-2008。示例:
D=20mm的导柱座标记如下:
导柱座20JB/T7645.7—2008
单位:mm
导柱座的应用示例见图A.1。
附录A
(资料性附录)
导柱座的应用示例
1———导柱:2—导柱座;3——轴用弹性挡圈:4——圆柱头内六角螺钉;5—下模座;6—圆柱销。
图A.1导柱座的应用示例
JB/T7645.7—2008
中华人民共和国
机械行业标准
冲模导向装置第7部分:导柱座
JB/T7645.7-2008
机械工业出版社出版发行
北京市百万庄大街22号
邮政编码:100037
210mm×297mm?0.5印张·11千字2008年6月第1版第1次印刷
书号:1511·8904
网址:http:/cmpbook.com
(010)88379778
编辑部电话:
直销中心电话:
(010)88379693
封面无防伪标均为盗版
版权专有
侵权必究
小提示:此标准内容仅展示完整标准里的部分截取内容,若需要完整标准请到上方自行免费下载完整标准文档。