首页 > 有色金属行业标准(YS) > YS/T 579-2006 钒铝中间合金
YS/T 579-2006

基本信息

标准号: YS/T 579-2006

中文名称:钒铝中间合金

标准类别:有色金属行业标准(YS)

标准状态:现行

发布日期:2006-03-07

实施日期:2006-08-01

出版语种:简体中文

下载格式:.rar.pdf

下载大小:1025207

相关标签: 中间 合金

标准分类号

标准ICS号:冶金>>有色金属产品>>77.150.99其他有色金属产品

中标分类号:冶金>>有色金属及其合金产品>>H63稀有高熔点金属及其化合物

关联标准

出版信息

页数:3页

标准价格:8.0 元

出版日期:2006-08-01

相关单位信息

起草人:张平辉、李彦宏、黄永光、尹淑霞、李献军、王昌建

起草单位:宝钛集团有限公司

归口单位:全国有色金属标委会

提出单位:全国有色金属标委会

发布部门:国家发展和改革委员会

标准简介

本标准规定了钒铝中间合金的要求、试验方法、检验规则及标志、包装、运输、贮存等。本标准适用于采用金属热还原法生产的、作为钦合金添加剂使用的钒铝合金。高温合金和其他特殊合金可参照使用。 YS/T 579-2006 钒铝中间合金 YS/T579-2006 标准下载解压密码:www.bzxz.net

标准图片预览

YS/T 579-2006 钒铝中间合金
YS/T 579-2006 钒铝中间合金
YS/T 579-2006 钒铝中间合金
YS/T 579-2006 钒铝中间合金
YS/T 579-2006 钒铝中间合金

标准内容

ICS 77.150.99
中华人民共和国有色金属行业标准YS/T579—2006
钒铝中间合金
Vandium-Aluminum master alloy2006-03-07发布
国家发展和改革委员会
2006-08-01实施
本标准为首次制定。
本标准由全国有色金属标准化技术委员会提出并归口。YS/T579—2006
本标准由宝钛集团有限公司(宝鸡钛业股份有限公司)、宝鸡中色特种金属有限责任公司负责起草。本标准主要起草人:张平辉、李彦宏、黄永光、尹淑霞、李献军、王昌建,本标准由全国有色金属标准化技术委员会负责解释。I
钒铝中间合金
YS/T579—2006
本标准规定了钒铝中间合金的要求、试验方法、检验规则及标志、包装、运输、贮存等。本标准适用于采用金属热还原法生产的、作为钛合金添加剂使用的钒铝合金。高温合金和其他特殊合金可参照使用。
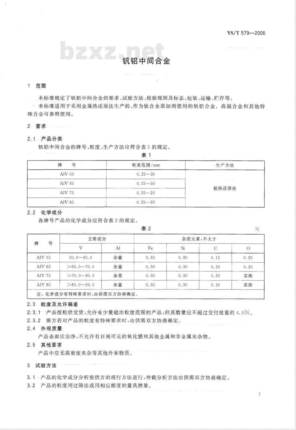
2要求
2.1一产品分类
钒铝中间合金的牌号、粒度、生产方法应符合表1的规定。表1
2.2化学成分
粒度范围/mm
0.25~30
0.25~30
各牌号产品的化学成分应符合表2的规定。表2
主要成分
50.0~60.0
>60.0~70.0
>70.0~80.0
>80.0~90.0
注:化学成分有特殊要求时,由供需双方协商确定。2.3粒度及允许偏差
生产方法
铝热还原法
杂质元素,不大于
2.3.1产品按粒状交货,允许有少量超出粒度范围的产品,但其数量应不超过交付批重的4.0%。2.3.2需方若对产品的粒度有特殊要求时,由供需双方协商确定。2.4外观质量
产品表面应洁净,不允许有目视可见的氧化膜和其他金属和非金属夹杂物。2.5其他要求
产品中应无高密度夹杂等其他外来物质。3试验方法
3.1-产品的化学成分分析按供方的现行方法进行,仲裁分析方法由供需双方协商确定。3.2产品的粒度用过筛法或用相应精度的量具测量。YS/T579—2006
3.3·产品的高密度夹杂用X射线检验。3.4产品的外观质量用目视检验。4检验规则
4.1检查和验收
4.1.1产品应由供方质量监督部门进行检验,保证产品质量符合本标准的规定,并填写质量证明书。4.1.2需方应对收到的产品按本标准的规定进行复验。复验结果与本标准或订货合同的规定不符时,应以书面形式向供方提出,由供需双方协商解决。属于外观质量及粒度偏差的异议,应在收到产品之日起1个月内提出,属于其他性能的异议,应在收到产品之日起3个月内提出。如需仲裁,仲裁取样应由供需双方共同进行。
4.2组批
产品应成批提交验收,每批应由同一生产工艺连续生产、经同一批次连续混合的产品组成,批重应不大于1000kg。
4.3检验项目
每批产品应进行化学成分、粒度、外观质量和高密度夹杂物的检验。4.4取样位置和取样数量
4.4.1化学成分
钒铝中间合金的化学成分试样,在每批产品中抽取。从同批每一桶产品的中心及周围均匀分布的3个点分别取4个试样,试样总重量不少于1600g,将同批各桶所取的试样混合均匀并捣碎(可采用密闭式制样机制样),过0.147mm(100目)筛后用四分法缩分至不少于100g重量分析其化学成分。4.4.2高密度夹杂物
钒铝中间合金高密度夹杂物检验用试样应从同批各桶中心及周围3个对称点分别取4个试样,将4个试样混合送检,试样重量约5kg~10kg。4.4.3其他检验
钒铝中间合金应100%进行粒度、外观质量检验。4.5检验结果判定
4.5.1化学成分检验不合格时,则该批不合格。4.5.2粒度、外观质量检验不合格时,则整批为不合格。4.5.3如检验有高密度夹杂物存在时,应挑出高密度夹杂物,并对该批钒铝合金进行100%高密度夹杂物检验,合格后组批交货。
5标志、包装、运输、贮存
5.1-标志
钒铝中间合金应成桶包装,每个包装桶上应注明:供方质量监督部门印记;
钒铝中间合金牌号;
c)批号、净重;
d)本标准编号。
5.2包装、运输、贮存
5.2.1钒铝中间合金应使用铁桶包装,内衬塑料袋,每桶净重25kg~100kg。5.2.2钒铝中间合金在运输时应防止潮湿,避免剧烈振动、碰撞。5.2.3钒铝中间合金应贮存于通风、干燥的仓库内,不得与酸、碱性介质混放。2
:质量证明书
每批钒铝中间合金应附有质量证明书,其上应注明:a)
产品名称、牌号;
批号、件数;Www.bzxZ.net
净重;
各项分析检验结果及技术监督部门印记;生产(或包装)日期;
本标准编号。
订单要求
钒铝中间合金的订货单(或合同)上应注明以下要求:a)产品名称;
牌号,
粒度;
本标准编号;
增加本标准以外要求的内容。
YS/T579—2006
579-2006
中华人民共和国有色金属
行业标准
钒铝中间合金
YS/T579—2006
中国标准出版社出版发行
北京复兴门外三里河北街16号
邮政编码:100045
网址www.bzcbs.com
电话:6852394668517548
中国标准出版社秦皇岛印刷厂印刷各地新华书店经销
开本880×1230'1/16-印张0.5字数6千字2006年7月第一版
2006年7月第一次印刷
书号:155066·2-16978
如有印装差错
定价8.00元
由本社发行中心调换
版权专有
侵权必究
举报电话:(010)68533533
小提示:此标准内容仅展示完整标准里的部分截取内容,若需要完整标准请到上方自行免费下载完整标准文档。