首页 > 石油化工行业标准(SH) > SH/T 0022-1990 石油馏分氢含量测定法(燃灯法)
SH/T 0022-1990

基本信息

标准号: SH/T 0022-1990

中文名称:石油馏分氢含量测定法(燃灯法)

标准类别:石油化工行业标准(SH)

标准状态:现行

出版语种:简体中文

下载格式:.rar.pdf

下载大小:2895757

相关标签: 石油 馏分 含量 测定法

标准分类号

关联标准

出版信息

标准价格:0.0 元

相关单位信息

标准简介

SH/T 0022-1990 石油馏分氢含量测定法(燃灯法) SH/T0022-1990 标准下载解压密码:www.bzxz.net

标准图片预览

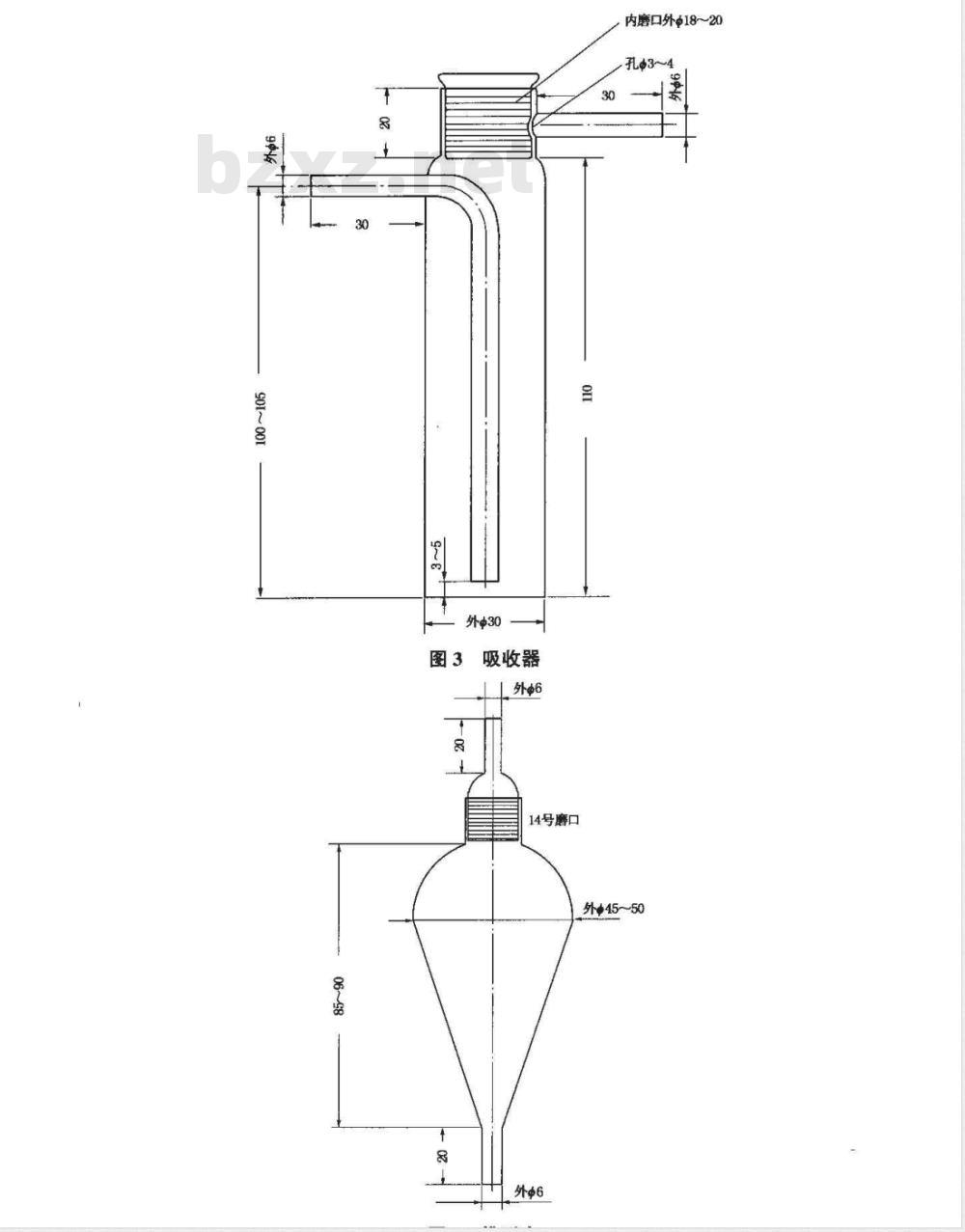
SH/T 0022-1990 石油馏分氢含量测定法(燃灯法)
SH/T 0022-1990 石油馏分氢含量测定法(燃灯法)
SH/T 0022-1990 石油馏分氢含量测定法(燃灯法)
SH/T 0022-1990 石油馏分氢含量测定法(燃灯法)
SH/T 0022-1990 石油馏分氢含量测定法(燃灯法)