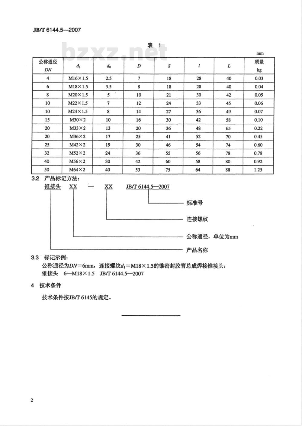
标准号: JB/T 6144.5-2007
中文名称:锥密封胶管总成 焊接锥接头
标准类别:机械行业标准(JB)
标准状态:现行
发布日期:2007-03-06
实施日期:2007-09-01
出版语种:简体中文
下载格式:.rar.pdf
下载大小:1033921
标准ICS号:流体系统和通用件>>管道部件和管道>>23.040.60法兰、管接头及其连接件
中标分类号:机械>>通用零部件>>J15管路附件
替代情况:替代JB/T 6144.5-1992
出版社:机械工业出版社
书号:15111·8332
页数:5页
标准价格:10.0 元
出版日期:2007-09-01
起草人:韩建平、张启明
起草单位:西安重型机械研究所
归口单位:机械工业冶金设备标委会
提出单位:中国机械工业联合会
发布部门:中华人民共和国国家发展和改革委员会




