首页 > 化工行业标准(HG) > HG/T 2143-2006 搪玻璃设备 管口
HG/T 2143-2006

基本信息

标准号: HG/T 2143-2006

中文名称:搪玻璃设备 管口

标准类别:化工行业标准(HG)

标准状态:现行

发布日期:2006-07-26

实施日期:2007-03-01

出版语种:简体中文

下载格式:.rar.pdf

下载大小:96894

相关标签: 玻璃设备

标准分类号

标准ICS号:化工技术>>化工设备>>71.120.99其他化工设备

中标分类号:化工>>化工机械与设备>>G94非金属化工机械设备

关联标准

替代情况:替代HG/T 2143-1991

采标情况:参照DIN 28139-3-1985

出版信息

出版社:化工出版社

页数:7页

标准价格:15.0 元

出版日期:2007-03-01

相关单位信息

起草单位:中石化上海工程公司

归口单位:全国搪玻璃设备标准化技术委员会

发布部门:中华人民共和国国家发展和改革委员会

主管部门:国家发展和改革委员会

标准简介

HG/T 2143-2006 搪玻璃设备 管口 HG/T2143-2006 标准下载解压密码:www.bzxz.net

标准图片预览

HG/T 2143-2006 搪玻璃设备 管口
HG/T 2143-2006 搪玻璃设备 管口
HG/T 2143-2006 搪玻璃设备 管口
HG/T 2143-2006 搪玻璃设备 管口
HG/T 2143-2006 搪玻璃设备 管口

标准内容

ICs 71.120:25.220.50
备案号:182752006
中华人民共利和国化工行业际准HG/T 2143—2006
代/1—151
玻璃设备
Welding neck for glnss lineil xleel vessel2006-07-26发布
2007-03-01实施
中华人儿和国国家发展利改革委贞会发布
本标堆代替HG/T2_43—1901插效璃设备音口,KAONYKAca=
HG/T21432006
本标准参照DIN3139第三部分增骏聘容器用管口的部分内容,井台我国洲玻璃行业的实情。
本标推与HGT2143
17相比主要变化如下,
增DN35,DN32,N4IDN30.N4五个公直径的客口一标准正文中取消PN.6正力等级-只保IN1.C[卡小等级。放人各公称直经管口的内径,也性径与公称经相近,并管口的,于度下做出调整!--增加附录A,将原标准中N,6压力等级的管口系列放入刷录4…取消管口的皱尺于。
本标准的附录A为规范性附录。
本标弹出中国石油和化学工业协会提出本标准由全国坡离设备标唯化装术委员会归口,本标准教学单位中四石化团上海1程有限公司本标准上要起革人:商本萨,势钱小燕.本标准所代苦标准的次版本发布情况为:HG 5-26119491
TG5-2611979
HU/T2143-11
1范围
塘玻璃设备
本探准规了摘破弗设备用管口的型式,量本参效、尽寸及技术要求。HG/T 2143—2006
本标准适用T公称压力小了或等丁1.0MPa.证计温实离了一20,低于或等于200的塘坡璃设备和管件用管口,
2规范性引用文件
下列文件中的条款通个标准的引历而点为本标进的条,凡是注日期的引用文件,其随后的所有修改单(.不包指勘误的内穿)或够订版均不范用干本标准,然而,苹励极批木标准达协说的各方研究是否可使相这些文件的最新版本。凡是不社日期的引用文件,其量新版本适用于本标证
GB/T18C4一般公差未注公差的线性和角度尺寸公差HG/T2105—2006拨睡编设备活套送兰HG248%致璃设备技术条件
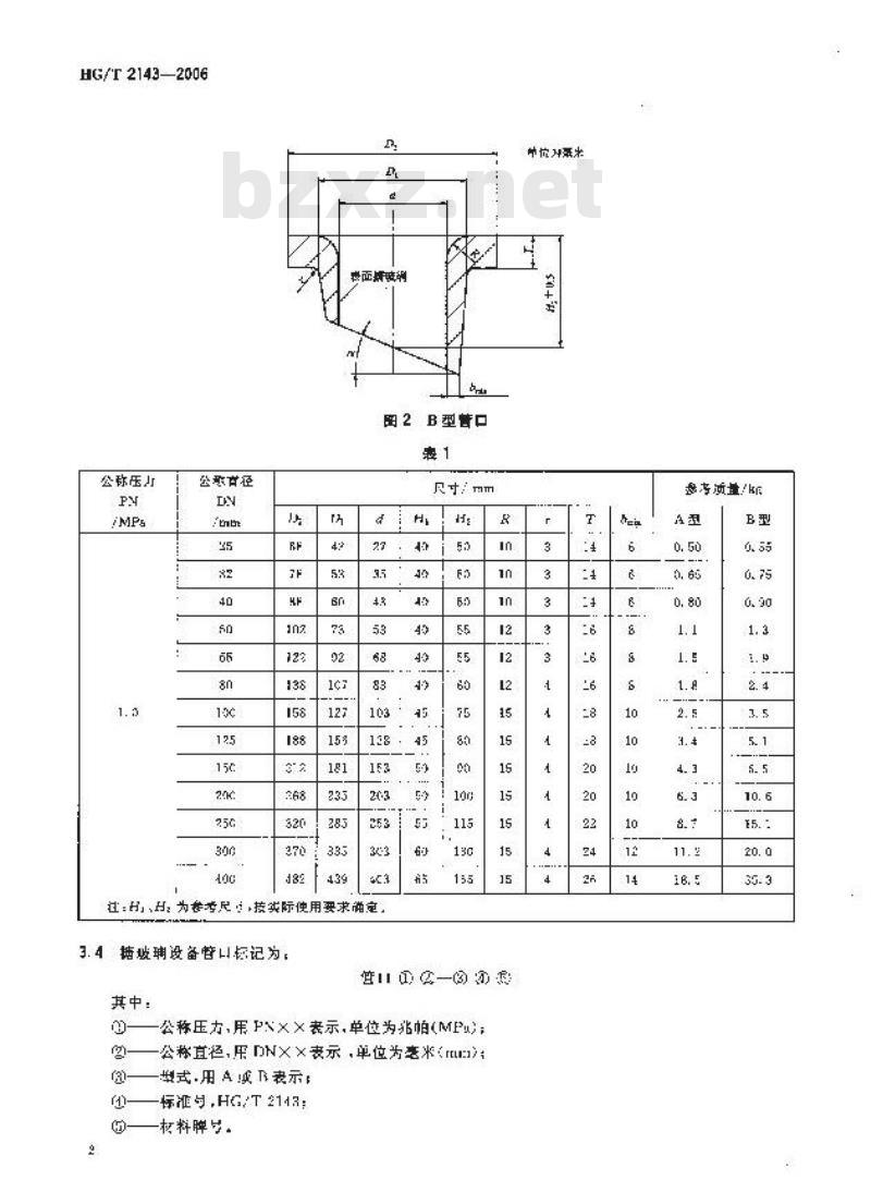
3型式、蓝本参败及尺寸
3.1A型管口的型式、基本靠数及尺寸见图1及炭1。单位为证*
图1A型暂口
3.2型管口的型式、基在参整及尺小观国2 及表1。图2中有度格实际使用要求确定,3.3PNU.6管口的型式、推本参数及尺寸见谢录A,1
HG/T2143—2006此内容来自标准下载网
公弥压力
图2B型普口
尺寸:mm
让:H、:为套考尺技实际使用要求确定,3.4糖破璃设备管山标记为,
其中:
①公称压力,用PN××表示,单位为兆帕(MPu);——公称直径,用 DN××表示,单位为毫(r)a
塑式.用A成B表示
—标准号,HGT2143:
@—板料脾号.
中价米
KAoNY KAca=
密考质量/kk
HG/T2143—2006
公资出小2V7.MPn公你直径1外9mm,林树.25-A的略反备盛口,其称记为 I PN1. ( 5N.10-A HG/T 2143 Q231-A4技术蛋求
4.1的材料设计、制造,检和验收应符合HG21%2的规定。4.2机J而未性制造公整按GB/T18C4中的级。4.3表中8mn为最小序度,制作时应考成与对接的接一悼原相匹配,以保证对接接义的质量。4.4管11外缘应冶公称压力、公称直怪,材制邓产品生产号的辆印,5出厂文件,包装、运输和购存
5.F出!产品应附有表格单,产品合老证。产品合格证至少应包拓产品生产批号,材料的化学成分、力学性能,公称压力、公称直轻和土要尺等内穿。5.2激动和运输时应避免碰撤,即止变形和能响表而的质盐。5.3产品应存放在室内.小允许露大存敢或堆置,3
HG/T2143—2006
【规范性附录]
PNO.6措玻璃设备管口系列
A.1A型管1的型式.本等数及尺寸见图及表.1,2几型口的型式、基本参数及尺寸况图2及表A1。A.2
公每主力
公你直径
尺寸/n
TTKAoNYKAca=
多专费型/kg
本附录所列昏口应配用HGT2105-2006附录A中PN0.6据城筛设·备活套法=.A.3
小提示:此标准内容仅展示完整标准里的部分截取内容,若需要完整标准请到上方自行免费下载完整标准文档。