首页 > 化工行业标准(HG) > HG/T 2145.2-2009 搪玻璃带视镜手孔
HG/T 2145.2-2009

基本信息

标准号: HG/T 2145.2-2009

中文名称:搪玻璃带视镜手孔

标准类别:化工行业标准(HG)

标准状态:现行

发布日期:2009-02-05

实施日期:2009-07-01

出版语种:简体中文

下载格式:.rar.pdf

下载大小:520277

相关标签: 玻璃 手孔

标准分类号

标准ICS号:化工技术>>化工设备>>71.120.99其他化工设备

中标分类号:化工>>化工机械与设备>>G94非金属化工机械设备

关联标准

替代情况:替代HG/T 2145.2-1991

出版信息

出版社:化工业出版社

标准价格:0.0 元

出版日期:2009-07-01

相关单位信息

起草单位:中国石化集团上海工程有限公司

归口单位:全国搪玻璃设备标准化技术委员会

发布部门:工业和信息化部

主管部门:工业和信息化部

标准简介

HG/T 2145.2-2009 搪玻璃带视镜手孔 HG/T2145.2-2009 标准下载解压密码:www.bzxz.net

标准图片预览

HG/T 2145.2-2009 搪玻璃带视镜手孔
HG/T 2145.2-2009 搪玻璃带视镜手孔
HG/T 2145.2-2009 搪玻璃带视镜手孔
HG/T 2145.2-2009 搪玻璃带视镜手孔
HG/T 2145.2-2009 搪玻璃带视镜手孔

标准内容

2 13222
中华人共和国化工行业标准
TG,T214522009
据玻璃带视镜手孔
Laucihole wits glaa siyha For ulan lioed sleil vtssid2029-02-55发布
200507-813#
中华入站共租国业和租信息化部市前言
本标准代替HG/T2145.2--1991携玻璃手孔带视镜手孔%。本标准与HG/T2145.2-1991租比主要变化如下:标准名称修改为&搏玻璃带视镜手孔正文中取消了PNO.6压力等级,只保留PNI.0压力等级:一增加了DN150、DN200.DN250公称直径的玻璃带视镜手孔增加了B型带视镜手孔:
增加了附录A,将PNO.6压力等级的捷玻璃带视镜手孔放人附录A。本标准的附录A为规范性附录。
本标准由中国石油和化学工业协会提出。本标准由全国塘玻璃设备标准化技术委员会归口本标准起草单位:中国石化集团上海工程有限公司。本标准主要起草人周惠萍、汪扬、钱小燕。本标准所代替标准的历次版本发布情说为HG/T2145.2—1991.
HG/T2145.2—2009
1范围
糖玻璃带视镜手孔
HG/T 2145.2—2009
本标准规定了携玻设备用带视镜手孔的型式、基本参数、尺寸及技术要求,本标准适用于公称压力不天于10MPa,设计温度高于一20汇至200℃的据玻璃设备用带视镜手孔。2规范性引用文件
下列文件中的条款通过本标准的引用而成为本标准的条款。凡是注日期的引用文件,其随后的所有修改单(不包括期误的内容)或修订版均不适用于本标准,然面,發励根据本标准达成协议的各方研究是否可使用这些文件的最新版本。是不注日期的引用文件,其最新版本适用于本标准。GB/T70.1内六角圆柱头螺钉
GB/T898双头螺桂bm=1.25d
GB/T 1804
一般公差未注公差的线性和角度尺寸公差石棉橡胶板
GB/T 3985
GB/T 5782
GB/T 6170
HG/T 2050
HG/T 2105
HG/T 2144
HG 2432
六角头螺栓
1型六角螺母
携玻璃设备垫片
搏玻璃设备活套法兰
玻聘设备视镜
搏玻璃设备技术条件
3型式、基本参数及尺寸
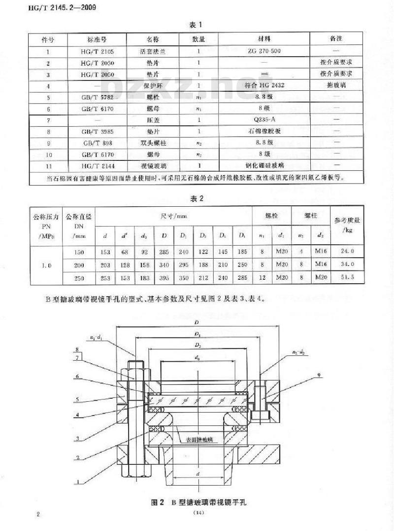
A型搏玻璃带视镜手孔的型式,基本参数及尺寸见图1及表1、表2.D.
表而搏玻璃
图1A型糖玻璃带视镜手孔
HG/T2145.2—2009
标准号
HG/T 2105
HG/T2050
HG/T2050
GB/T5782
GB/T6170
GB/T 3985
GB/T898
GB/T 6170
HG/T2144
活套法兰
保护环
双头螺柱
视镜玻璃
ZG270-500
符合HG2432
Q235-A
石棉橡胶板
钢化酮硅玻璃
按介质要求
按介质要求
搏玻璃
当石棉因有害健康等原因面禁正使用时,可采用无石棉的合成纤维橡胶板改性或填充的聚四氧乙烯板等。表2
公称压为
公称直径
尺寸/mm
B型糖玻璃带视镜手孔的型式、基本参数及尺寸见图2及表3、表4。D
表面摘玻璃
图2B型玻璃带视镜手孔
参考质量
标准号
HG/T 2106
HG/T2050Www.bzxZ.net
HGFT2144
GB/T3985
GB/T 5782
GB/TS170
GB/T 70. 1
活套法兰
保护环
靓镜玻璃
ZAF270-500
符合HG2432
舒化影硅玻聘
Q235-A
石棉橡胶板
HG/T2145.2—2009
核介质要求
趣玻璃
当石植固有者健境等原因尚禁止使用时,可采用无石格的合成纤维橡胶板,改性或填充的聚四氟婚板等表4
公称鼠力
公称直径
寸/mm
0.MPa携玻璃荐视镜手孔系列见附录A携玻璃带视镜手孔标记按如下现定:越玻聘书视镜手孔D???
①一公称压力用PNXX表示,单位为兆帕(MPa)②一公称直径.用DNX×表示,单位为毫米(mm)③一型式用A或B表示:
@—标准号.HG/T2145.2。
标记示例:
公称压力PNI.0MPa.公称直径DN150mm的A型携玻璃带视镜手孔,其标记为:携玻璃带视镜手孔PNI.0[N150-AHG/T2145.24技术要求
保护环的材料,设计制造,检验和验收应符合HG2432的规定。琴考质最
螺检孔中心阅直径和任意两螺栓孔弦长的极限偏差为土1.mm,相舒两螺栓孔弦长的极限偏差为±0.5mm。
机加工面制造公差按GB/T1804中的m级。糖玻璃带视镜手孔应按搏玻璃设备总图或装配图的要求进行耐压试验和气密性试验。c1a)
HGT2145.22009
5出厂文件包装、运输和购存
出厂产品应附有装箱单产品合格证和质量证明书,质量证明书至氧少应包括材料的化学成分和力学性能公称压力公称直轻主要尺寸和检验报告等内餐·还应包活视镜玻璃的各填理化性他指标等内
外解据玻璃面,视镜裘聘应用软包装材料包扎装箱时须可靠周定,动和适输时应程免碰掉,包装箱不许例置,活晶成存放在室内,不充许露天舒放或堆置。型式、基本参数及尺寸如下
附录A
【规范性附录】
0.6MPa摘玻璃带视镜手孔系列
A.1A型据玻璃带视镜手孔的型式,基本参数及尺寸见图1及表A.1、表A.2表A1
标准号
HG/T2105
HG/T2050
HG/T2050
GB/T5782
GB/T6170
GB/T3985
GB/T898
GB/T 6170
HG7T2144
活套祛兰
保护环
双头螺柱
现镜玻璃
HG/T2145.2—2009
KTH 350-10或2G270-500
接介质要求
按介质要求
符合HG2132
Q235-A
石棉橡股板
钢化酮硅玻璃
搏玻璃
当石棉因有害健康等原因面禁止使用时可采用无石棉的合成纤维橡股板,改性或填充的聚四氟乙婚板等,表A.2
公踪压力
公称直径
尺寸/mm
B型携玻璃带视镜手孔的型式、基本参数及尺寸见图2及表A.3、表A.4。表A.3
标准号
HG/T2105
HC/T2050
HG/T2144
GB/T3985
GB/T 5782
GB/T6170
GB/T 70. 1
活套法兰
保护环
规镜玻璃
参考质量
KTH350-10或ZG 270-500
符合HG2432
钢化黏硅玻璃
石称橡胶板
按介质要求
搏玻璃
当石棉因有害健缺等原因面禁止使用时,可采用无石棉的合服纤维橡胶械,改性或填充的聚四氧乙矫板等。(17)
HG/T2145.2-2009
公称旺力
公殊直径
尺寸/mm
螺璐栓
参考质量
小提示:此标准内容仅展示完整标准里的部分截取内容,若需要完整标准请到上方自行免费下载完整标准文档。