首页 > 化工行业标准(HG) > HG 3761-2004 精喹禾灵原药
HG 3761-2004

基本信息

标准号: HG 3761-2004

中文名称:精喹禾灵原药

标准类别:化工行业标准(HG)

标准状态:现行

出版语种:简体中文

下载格式:.zip .pdf

下载大小:173564

标准分类号

关联标准

出版信息

相关单位信息

标准简介

HG 3761-2004.Quizalofop-P-ethyl technical.
1范围
HG 3761规定了精喹禾灵原药的要求、试验方法以及标志标签、包装和贮运。
HG 3761适用于由精喹禾灵及其生产中产生的杂质组成的精喹禾灵原药。
2规范性引用文件
下列文件中的条款通过本标准的引用而成为本标准的条款。凡是注日期的引用文件,其随后所有的修改单(不包括勘误表的内容)或修订版均不适用于本标准,然而,鼓励根据本标准达成协议的各方面研究是否可使用这些文件的最新版本。凡是不注日期的引用文件,其最新版本适用于本标准。
GB/T 1600农药水分测定方法
GB/T 1601农药pH值的测定方法
GB/T 1604商品农药验收规则
GB/T 1605商品农药采样方法
GB 3796农药包装通则
GB/T 19138农药丙酮不溶物的测定方法
NY 608农药产品标签通则
3要求
3.1外观:白色至黄色细粉,无外来杂质、无团块。
3.2精喹禾灵原药控制项目指标应符合表1要求。
4试验方法
4.1.抽样
按照GB/T 1605中“商品农药采样方法”进行。用随机数表法确定抽样的包装件,最终抽样量一般不少于100 g。
4.2鉴别试验
高效液相色谱法一本鉴别试验可与有效成分含量测定同时进行。在相同的色谱操作条件下,试样溶液中某二色谱主峰的保留时间与喹禾灵标样溶液中两个对映体的色谱峰的保留时间的相对差值应分别在1. 5%以内,并且R-对映体与S-对映体峰面积的比值约9 : 1。
当用规定的试验方法对有效成分鉴别有疑问时,至少要用另外一种方法进行鉴别。
4.3精喹禾灵质量分数的测定
4.3.1喹禾灵质分数的测定
4.3.1.1方法提要
试样用丙酮溶解,以邻苯二甲酸二辛酯为内标,使用DB-5 30 mX0.32 mm 0.25 μm膜厚毛细管柱和FID检测器,对试样中的喹禾灵进行气相色谱分离和测定。

标准图片预览

HG 3761-2004 精喹禾灵原药
HG 3761-2004 精喹禾灵原药
HG 3761-2004 精喹禾灵原药
HG 3761-2004 精喹禾灵原药
HG 3761-2004 精喹禾灵原药

标准内容

1cs 65. 100
备案号:15016—2005
中华人民共和国化工行业标准
IIG 3761—2004
精喹未灵原药
Quizalofop-P-ethyltechnical
2004-12-14发布
2005-06-01实施
中华人民共和国国家发展利改范委会发布前言
本标准的第3率,第5室为强制性的,其余为推荐性的。JIG3761—2004
个标准是按照(B/下1,12900%标准化工什导则第1部分,标准的结构新编写现则>的要求,制区产精唑采英原约资量水平,幕考了联合回牧农组织农药规格手册和农药原约产品标作编写现制定的
产标准由中国石油和化学工业协会提山。今标推企图农药杯准化授术季员会(ST33)山,本标准负世起节单位衣业部农药检定所。击标准参如起草单位:安数十乐发化有限大任公司、江苏省内通T山农药化工收份有限公司.八标准生要起战人李国平,单小、马胜战、越邦源,下传品交标准出全国农约标准化经术交员会概书处负也解释。59)
精摩禾灵原药
该产1有效成分精唑未灵的其他名称,绍构出和基本物化参数回下。IS通用名称:miwlolop-P-etty]化学名称:(R)-2-[4-(6-氧唑明啦2氧苯)米氧.]丙酸乙酯结构式:
.cooc.ls
实验式:HGIN
相对分子成盘:372.8
非物活性,除节
熔点.75.1~77.1℃
蒸气压(20).1.1×0-1mHa
H3761—2004
解度(20℃)水中U.61m/L,丙鼠、之酸乙酯、:甲>250g/L,甲萨中34.9R/3比旅光度(20+5.
稳定性:在性和酸性介所中稳定,对热.光稳定,有机溶剂中稳定:范围
本标准就定丁精唑禾灵原药的要求、试验方法以及标志、标等,包装和比运。本标准道用于山摘唑未※及其生产中产生的杂质组成的精唑未灵原药,2规范性引用文件
下列义件中的条数遇过本标准的引用而成为本标准的签款,凡是注甘期的引用文件,其随后所在的峰改单(不包括勘误表的内容或燃订版均不这用了本标准,然而,故励根木标确达成协议的名方面新究否可使用这些文件的展新版本。凡是不生Ⅱ期的引州文件,其量新版本适币于本标准,/T1G0农药水分谢定方法
GB/T162!
G:B/T 16U4
GR/T 160F
农约pH慎的测定方法
商品农药验收规则
商品农药采样方达
GB3795农药包装通删
GB/1ST3农约丙不落物的激定方法NY6U8农药产品标签通则
3要求
3.1外观,白色至费色细构、无外来牵质、无团块。3.2精坐未灵原药控制项目指标应符合表1要求.1
HC 37612004
唑未压分效,
本分,%
PH直范间
内酮不溶物所量分效,药
表1糖唑柔灵原药控制项目指标
月而不范秘成见外效为期检项在止带斗产情况下,坐少每三个月验一次,4试验方法
4.1抽样
5. 0--7. 0
接照It/160:中\产品表药采样方法“过行。用随机数表法确定拍样的他装件,展强抽样量一般不少于100
4.2些别试验
高效液相色讲达一下载标准就来标准下载网
一本监则试鉴与有效成分含量测定同时进行。在相同的色谱准条件下.试样落中某二色诺上峰的保留时间与哮不灵标群落浓中两个对峡体内色造趋的保留时间的相对差值应分别在 1. :%以内,并H R 对映体与S对映体面积的比但约 S : 1.当用规定的试验方法对有效成分监别有聚同时,至心要用另外一种力法进行监别,4.3精降未灵质量分数的测定
4.3.1哇未灵质量分数的测定
4.3.1.1方法提要
试用丙两游解,以邻苯-甲 -辛酯为内标,使用 D-5 30 m:×2. 32 mm n, 25 μmr.膜厚毛细管柱和F山检测端,对试样中的连文良进行气色错分离和测定,4.3.1. 2试剂和溶准
两酮。
坚未灵标样:知含量%,
内标物:邻举二甲酸二率殖,应不含有十状色分析的杂质。内标落液:取邻美二甲整二辛酯58.(精研至C.018)十500mL棕色穿量瓶中,用酮率解并稀样至刻度,后勿备月。
4. 3. 1. 3仪器
气相色谱仪:具ID检测器,
色谱数期处理机:
色讲书.L!s530m×t.2mm0.25m股压4. 3. 1. 4色相色谱操作紊性
柱祖:270℃。
检测解温度:300元
气化室滞度:270℃:,
转气(高纯气或高纯氮气)流量,1.5mlmin.氢气统盛:30rmT./niul
空气流量:820mT/min
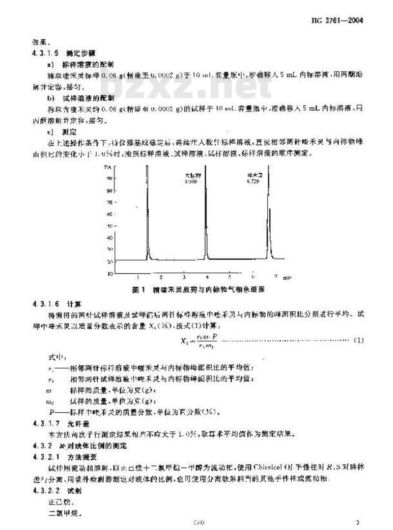
进量,1.3l.
保解时;部率二甲酸二降约 4. 9 min,座不灵纳 6. 7 min(图 13。上违操作条件尽典车的.可根据个团仪器特点,别所给定操作多数作适当谢整,以期获得量伴2
4. 3. 1. 5 谢定步噪
标样溶液的配制
IG 3761—2004
称收座示炎标详0.06g情确至0.02)于101ml.穿量能非始移人5m内杯落液用丙酮落解并定容,据可:
b)试样溶准的配制
称取含垂不灵约(.06R(精碎率U.002g)的试样于10m.穿量施中.准确愁人5mL内标落液,月内配溶解并定容,册勺。
在上逆探忙条外下,仪带基线您定占,连读汁入数针标样落液,直等相邻两针睡禾灵与内标物峰面积比的变化小」」U时,安照标样滚减、试样液、试样裕液、标样液的派库测定,PA[
图1精噬乘灵原药与内标物气相色错图4.3. 1. 6 计算
将测得的两归试样商改式痒前后两划标样游液中唑不灵与内标物的峰而积比分别进行半均。试详中摩求灵以质旱分数表示的曾量X().按式(1)计算:X,.p
式中,
相邻两针标确液中性禾炎与内标物降面识比的平均值:f
相郁两针试样落激痒不炎与内标物降面积比的平均值,标样的质量,单位为克(g):
试样的质量,单险为克(g)
标群中不灵的质量分数单位为百分数(不)。4.3.1.7允许差
本方两次行洲定结果相差不应大于1.0%,取并术平均作为副定结果。4.3.2K对映体比例的测定
4.3.2.1方法摄要
试样用疏动相落解.以止已烧十一氧甲嘉一中序为流动柜.使用Chiralcel手性住对.对映述进分,用紫外检测测是对映阵的比例,也可售用分商效果相当的其他手性柱或流动相4. 3. 2. 2试剂
正已烧
二氯甲烷。
HC 3761—2004
甲醇。
哦不灵标推品:已斑含量次。
4. 3. 2.3仪器
高效限布色落议:兵可定波长索外检测器,包谱杆:250mm×4Emm(il]不锈钢#填充Clirahel CJ,fiμr.Daicel cteiniuul indusirieLtd:色增数期处理机。
微量讲样器.
随声波清洗器。
4.3.2.4高效液相色语操作录件
硫动相:正:!烷1二氯甲统一甲醇=55030+10。流:1,8ir
检测微长:237nm.
进托:20:
升温,宰湿
保留时间:唑灵5-对映体7.sinR-对快体3.6mi(见图2).mal
L5 urim
图2试样中唑未灵K,5对映体拆分色谱围述操作参是典型的,可根据不同议器的特点,对治定染作参效作适当调整,以期我得量偿效果4. 3. 2. 5测步验
对黑渗流的配制
格段约1mmg峰禾灵标样下13ml.穿量瓶中,用流动和溶解并定容.摄:b试样溶变的配制
秘取约吉I(1唑不员的试样于100L容量中,用流动相落解并定容,摄匀,必要时用C.45um滤膜过滤。
e)测定
在上注探作条料下,待仪器基线稳定后,连续注人唑未灵对照籍箍,直至相等两针的唑未灵R-对膜体,5对映体的峰面积变化分别小十1.3%(两个对肤体的回积比应为50:50,偏差不超过1%,若超过1%,计算坚未灵尺-对缺体比例时应加以校正):酷后生人两计试样落。4. 3. 2. 6计算
试样中吨不炎R-对决体比例K,按式(2)计算An
式中;
两针试样碎施中噬秉次-别快齿峰面积的卡均值(9
A院针试样溶滋中噻不次S-炉映体峰面积的平均值,H:3761—2004
当对照溶波中坚不灵R-对体面职超山两~对峡体而积之和的(50「1)%时,试样中座未灵R对映体的比例,按式()计算,
武中:
AN+A(A/AE)
两对照评使中理不灵R-对狭体的峰面视的平与伯:两刘用落液中摩示灵S对映伍的蛙面积的平均值:4. 3. 3精唑未灵质量分数的计算试样中精唑未灵以质量分数表示的含域X:(%)),格式(4)计算:5=XK
当对照溶中不灵R-对快体积距出个对映体面积之和的(5土1)火时,试样中精唑禾炎以质毕分数在示的含屋XK我式(5)计算:X.-XK
4. 4 水分的副定
按GB/T160中\十尔·费休遍进行。4.5PH值的测定
拨GBT1631进行
4.6丙酮不溶物的测定
拨GH/T1978R进行.
4.7产品的检验与验收
产品的控验与龄收应料合门B/T1604的右关规定。极限数值处理采用修约值比较法:5标志、标签、包装.贮运
5.1摘唑禾原药的杯志.标等,包装和贮存,应符合GB3795NY608中存关规实,(5】
5. 2穿,本或原药所内有塑料丧的纸板桶或铁桶他装,应为 10 kg,25 kg,50 kg,100 kg计量单位。 也可根据用户要求或订货协义采用其他形式的包装,但要符合GH3796的要求.5.3包装件应车放在通风.下燥的件房中5.4忙运,严防潮湿和月,不得与贯物、种子何料混效,避免“皮肤服隔接触,止出口鼻吸人.5.5安全本品高低母产品。使用本品应戴防护于害。如保含,可他吐或送医院治疗。万一效生中毒现象,应立即送医院,对瘦治疗。5.6在使用说明书包装容器上,除有相变的毒忙标慧外,还应有性说明,中志症状,解声方法知急教措施
5.7验收期,精唤禾灵原商验收期为一个H。从交货日期起,在,个月内,完成产品质验妆,其各项指标应符合标准要求,
小提示:此标准内容仅展示完整标准里的部分截取内容,若需要完整标准请到上方自行免费下载完整标准文档。