首页 > 化工行业标准(HG) > HG/T 2567-2006 代替 HG/T 2567-1994 工业活性沉淀碳酸钙
HG/T 2567-2006

基本信息

标准号: HG/T 2567-2006

中文名称:代替 HG/T 2567-1994 工业活性沉淀碳酸钙

标准类别:化工行业标准(HG)

标准状态:现行

出版语种:简体中文

下载格式:.zip .pdf

下载大小:429882

相关标签: 1994 工业 活性 沉淀 碳酸钙

标准分类号

关联标准

出版信息

相关单位信息

标准简介

HG/T 2567-2006.Activated precipitated calcium carbonate for industrial use.
1范围
HG/T 2567规定了工业活性沉淀碳酸钙的要求、试验方法、检验规则、标志、标签、包装、运输贮存。
HG/T 2567适用于采用干法或湿法对沉淀碳酸钙进行表面活化处理生产的I业活性沉淀碳酸钙。该产品主要用作塑料、橡胶,有机树脂等工业的填充剂。
分子式:CaCO3
相对分子质量:100.09(按2001年国际相对原子质量)
2规范性引用文件
下列文件的条款通过本标准中引用而成为本标准的条款。凡是注日期的引用文件,其随后所有的修改单(不包括勘误的内容)或修订版本均不适用于本标准,然而,鼓励根据本标准达成协议的各方研究是否可使用这些文件的最新版本。凡是不注日期的引用文件,其最新版本适用于本标准。
GB/T 191-2000包装储运图示标志(eqvISO780:1997)
GB/T 1250极 限数值的表示方法和判定方法
GB/T 3049--1986化工产品中铁含量测定的通用方法邻菲哕啉分光光度法(eqv ISO 6685:1982)
GB/T 5950--1996建筑材料与非金属矿产品白度测量方法
GB/T 6003. 1-1997金属丝编织网试验筛(eqv ISO 3310-1:1990)
GB/T 6678化工产 品采样总则
GB/T 6682-1992分析实验室用水规格和试验方法(eqv ISO 3696:1987)
GB/T 8946塑料编 织袋
GB/T 8947复合塑料编织袋
GB/T 19281-2003碳酸钙分析方 法
HG/T 3696.1无机化工产 品化学分析用标准滴定溶液的制备
HG/T 3696.2无机化工产品化学分析用杂质标准溶液的制备
HG/T 3696.3无机化工产品化学分析用制剂及制品的制备
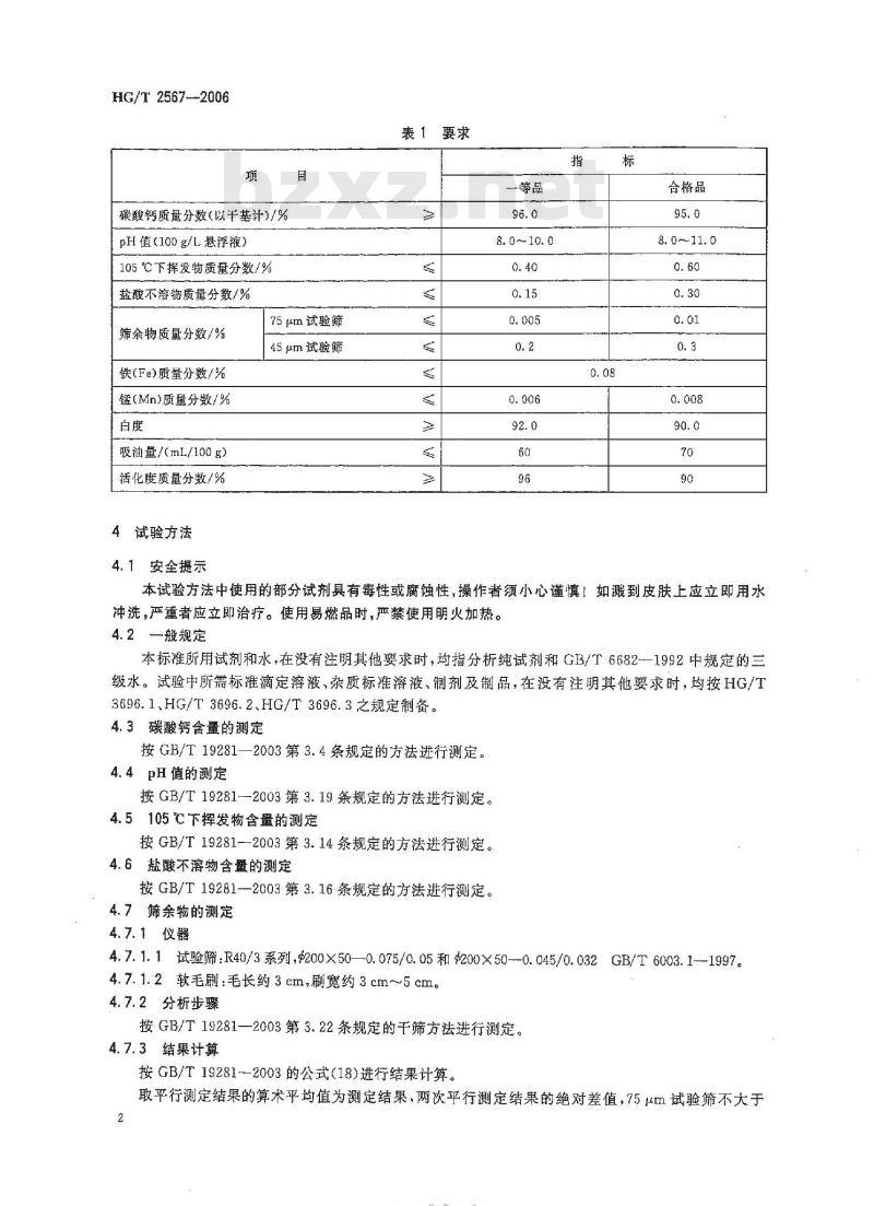
3要求
3.1外观:白 色粉末。
3.2工业活性沉淀碳酸钙应符合表1要求。

标准图片预览

HG/T 2567-2006 代替 HG/T 2567-1994 工业活性沉淀碳酸钙
HG/T 2567-2006 代替 HG/T 2567-1994 工业活性沉淀碳酸钙
HG/T 2567-2006 代替 HG/T 2567-1994 工业活性沉淀碳酸钙
HG/T 2567-2006 代替 HG/T 2567-1994 工业活性沉淀碳酸钙
HG/T 2567-2006 代替 HG/T 2567-1994 工业活性沉淀碳酸钙

标准内容

ICS 71.060.50
备案号:18148—2006
中华人民共和国化工行业标准
HG/T 2567-2006
代替HG/T25671994
工业活性沉淀碳酸钙
Activated precipitated calcium carbonate for industrial use2006-07-26发布
2007-03-01实施
中华人民共和国国家发展和改革委员会发布
本标准代替HG/T2567-一1994《工业活性沉淀碳酸钙》。本标推与HG/T2567-1994的主要技术差异如下:HG/T 2567--2006免费标准下载网bzxz
一一提高了pH值、105℃下挥发物含量、盐酸不溶物含量、筛余物含量、铁含量、白度、吸油量、活化度几项指标的要求(1994年版3.2,本版3.2)。筛余物指标中,将125μm试验筛改为了75μm试验筛(1994年版3.2,本版3.2)。吸油量计量单位改为mL/100g(1994年版3.2,本版3.2)。主含量的酸碱滴定法改为了络合滴定法(1994年版4.1,本版4.3)。-铁含量、锰含量的测定增加了原子吸收分光光度法(1994年版4.6和4.7,本版4.8和4.9)。本标准由中国石油和化学工业协会提出。本标准由全国化学标准化技术委员会无机化工分会(SAC/TC63/SC1)归口。本标准起草单位:天津化工研究设计院、常州碳酸钙有限公司、广西桂林金山化工有限责任公司、浙江菱化集团有限公司。
本标准主要起草人:郭凤鑫、邵桂英、秦光福、孙学芳。本标准所代替标准的历次版本发布情况:-HG/T2567—1994。
-iiKAoNiKAca=
1范围
工业活性沉淀碳酸钙
HG/T 2567—2006
本标准规定了工业活性沉淀碳酸钙的要求、试验方法,检验规则、标志、标签、包装、运输、贮存。本标准适用于采用干法或湿法对沉淀碳酸钙进行表面活化处理生产的工业活性沉淀碳酸钙。该产品主要用作塑料、橡胶、有机树脂等工业的填充剂。分子式:CaCO3
相对分子质量:100.09(按2001年国际相对原子质量)2规范性引用文件
下列文件的条款通过本标准中引用而成为本标准的条款。凡是注目期的引用文件,其随后所有的修改单(不包括勘误的内容)或修订版本均不适用于本标准,然而,鼓励根据本标准达成协议的各方研究是否可使用这些文件的最新版本。凡是不注日期的引用文件,其最新版本适用于本标准。
GB/T191—2000包装储运图示标志(eqvISO780:1997)GB/T1250极限数值的表示方法和判定方法GB/T3049--1986化工产品中铁含量测定的通用方法邻菲啰啉分光光度法(eqvISO6685:1982)
GB/T5950—1996建筑材料与非金属矿产品白度测量方法GB/T6003.1—1997金属丝编织网试验筛(eqvISO3310-1:1990)GB/T 6678
化工产品采样总则
GB/T6682-1992分析实验室用水规格和试验方法(eqvISO3696:1987)塑料编织袋
GB/T 8946
GB/T8947复合塑料编织袋
GB/T19281-2003碳酸钙分析方法HG/T 3696.1
无机化工产品化学分析用标准滴定溶液的制备HG/T3696.2无机化工产品化学分析用杂质标准溶液的制备HG/T3696.3无机化工产品化学分析用制剂及制品的制备3要求
3.1外观:白色粉未。
3.2工业活性沉淀碳酸钙应符合表1要求。HG/T 2567—2006
碳酸钙质量分数(以干基计)/%
pH值(100g/L悬浮液)
105℃下挥发物质量分数/%
盐酸不溶物质量分数/%
筛余物质量分数/%
铁(Fe)质壁分数/%
锰(Mn)质量分数/%
吸油量/(mL/100g)
活化度质量分数/%
4试验方法
4.1安全提示
75μm试验筛
45μm试验筛
表1要求
一等品
8. 0~10.0
合格品
8. 0~~11. 0
本试验方法中使用的部分试剂具有毒性或腐蚀性,操作者须小心谨慎!如溅到皮肤上应立即用水冲洗,严重者应立即治疗。使用易燃品时,严禁使用明火加热。4.2—般规定
本标准所用试剂和水,在没有注明其他要求时,均指分析纯试剂和GB/T66821992中规定的三级水。试验中所需标准滴定溶液、杂质标准溶液、制剂及制品,在没有注明其他要求时,均按HG/T3696.1、HG/T3696.2、HG/T3696.3之规定制备。4.3碳酸钙含量的测定
按GB/T19281—2003第3.4条规定的方法进行测定。4.4PH值的测定
按GB/T19281--2003第3.19条规定的方法进行测定。4.5105℃下挥发物含量的测定
按GB/T19281—2003第3.14.条规定的方法进行测定。4.6盐酸不溶物含盘的测定
按GB/T19281-—2003第3.16条规定的方法进行测定。4.7筛余物的测定
4.7.1仪器
4.7.1.1试验筛:R40/3系列,200×50—-0.075/0.05和200×50--0.045/0.032GB/T6003.1-1997。4.7.1.2软毛刷:毛长约3cm,刷宽约3cm~5cm。4.7.2分析步骤
按GB/T19281—2003第3.22条规定的干筛方法进行测定。4.7.3结果计算
按GB/T19281-2003的公式(18)进行结果计算。取平行测定结果的算术平均值为测定结果,两次平行测定结果的绝对差值,75um试验筛不大于2
Ti KAoNni KAca-
0.002%,45μm试验筛不大于0.03%。4.8铁含量的测定
4.8.1邻菲啰啉分光光度法(仲裁法)4.8.1.1方法提要
同GB/T3049-—1986第2章。
4.8.1.2试剂
4..8. 1. 2. 1 95 %乙醇。
4.8.1.2.2盐酸溶液:1+1。
其余GB/T3049—1986第3章。
4.8.1.3仪器
同GB/T3049—1986第4章。
4.8.1.4分析步骤
4.8.1.4.1工作曲线的绘制
HG/T 2567-2006
按GB/T30491986第5.3条操作,选用1cm吸收池及对应的铁标准溶液用量,绘制工作曲线。4.8.1.4.2试验溶液A的制备
称取约2g试样,精确至0.01g,置于250mL烧杯中。加2mL95%乙醇润湿试料,加少量水,盖上表面血,滴加9nL盐酸溶液(4.8.1.2.2)溶解试料,小火加热煮沸2min。冷却后转移至250ml.容量瓶中,用水稀释至刻度,摇勾。此溶液为试验溶液A,保留此溶液用于铁含量、锰含量的测定(原子吸收分光光度法)。
4.8.1.4.3测定
将试验溶液A进行于过滤,弃去初滤液20mL,用移液管移取25mL过滤后的试验溶液,置于100mL烧杯中,同时取1mL盐酸溶液(4.8.1.2.2)置于另一烧杯中作空白试验。以下操作按GB/T3049—1986第5.4条从“用盐酸溶液或氨水调整pH约为2”开始,至..··-测定试液和试剂空白溶液的吸光度。\为止。从工作曲线上查出试验溶液和空白试验溶液中铁的质量。4.8.1.5结果计算
铁含量以铁(Fe)的质量分数i计,数值以表示,按公式(1)计算:(m1mo)/1 000 × 100m1=/mo
mX25/250
式中:
m1——从工作曲线上查得的试验溶液中铁的质量的数值,单位为毫克(mg);从工作曲线上查得的空白试验溶液中铁的质量的数值,单位为毫克(mg);mo \
试料质量的数值,单位为克(g)。m
取平行测定结果的算术平均值为测定结果,两次平行测定结果的绝对差值不大于0.01%。4.8.2原子吸收分光光度法
4.8.2.1方法提要
在酸性介质中,采用原子吸收分光光度法,在248.3nm波长下测定试样中的铁含量。4.8.2.2试剂
铁标准溶液:1mL溶液含铁(Fe)0.Img。.(1)
用移液管移取10mL按HG/T3696.2配制的铁标准溶液,置于100mL容量瓶中,用水稀释至刻度,摇勾。
4.8.2.3仪器、设备
原子吸收分光光度计:配有铁空心阴极灯:4.8.2.4分析步骤
HG/T 2567—2006
4.8.2.4.1工作曲线的绘制
在四个100mL容量瓶中,用移液管分别移人0.00mL、0.50mL、1.00mL、1.50mL铁标准溶液,用水稀释至刻度,摇勾。
将原子吸收分光光度计调整至最佳工作状态,用波长248.3nm线,使用空气-乙炔火焰,以水调零,测量上述溶液的吸光度。从每个标准溶液的吸光度中减去空白溶液的吸光度,以铁的质量为横坐标,对应的吸光度为纵坐标,绘制工作曲线。4.8.2.4.2测定
用移液管移取25mL过滤后的试验溶液A,置于100mL容量瓶中,同时取1mL盐酸溶液(4.8.1.2.2)置于另容量瓶中作空白试验,分别用水稀释至刻度,摇匀。将原子吸收分光光度计调整至最佳工作状态,用波长248.3nm线,使用空气-乙炔火焰,以水调零,测量上述溶液的吸光度。从工作曲线上查出试验溶液和空白试验溶液中铁的质量。4.8.2.5结果计算
铁含量以铁(Fe)的质量分数wi计,数值以%表示,按公式(2)计算:(m1 一mo)/1 000
m×25/250
式中:
从工作曲线上查得的试验溶液中铁的质量的数值,单位为毫克(mg);m
mo-—-从工作曲线上查得的空白试验溶液中铁的质量的数值,单位为毫克(mg);m-试料质量的数值,单位为克(g)。取平行测定结果的算术平均值为测定结果,两次平行测定结果的绝对差值不大于0.01%。4.9锰含量的测定
4.9.1分光光度法(仲裁法)
4.9.1.1方法提要
同GB/T19281-2003第3.9.1条。
4.9.1.2试剂
95%乙醇。
其余同GB/T19281—2003第3.9.2条。4.9.1.3仪器
同GB/T19281-2003第3.9.3条。
4.9.1.4分析步骤
4.9.1.4.1工作曲线的绘制
同GB/T19281-2003第3.9.4.1条。4.9.1.4.2空白试验溶液的制备
同GB/T19281-2003第3.9.4.2条。4.9.1.4.3测定
称取约2g试样,精确至0.01g,置于250mL高型烧杯中,加入少量95%乙醇润湿试样,再加少量水。滴加7mL硝酸溶液溶解试料,加热煮沸2min。用中速定量滤纸过滤,用80mL热水分5次洗涤,滤液和洗液一并收集于250mL烧杯中,作为试验溶液。另取6mL硝酸溶液于另一烧杯中,用氨水溶液调至中性后(用pH试纸检验),再加1mL硝酸溶液作为空白试验溶液。
将试验溶液和空白试验溶液同时按GB/T19281-2003第3.9.4.1条规定进行操作,从“加人10mL磷酸溶液\并始,至“测量其吸光度”为止。从工作曲线上查出试验溶液和空白试验溶液中锰的质量。
Ti KAoNni KAca-
4.9.1.5结果计算
锰含量以锰(Mn)的质量分数u2计,数值以%表示,按公式(3)计算:u2
式中:
(m1mo)/1 000 ×100= 0. 1(m1-mo)m
m1—从工作曲线查得的试验溶液中锰的质量的数值,单位为毫克(mg);HG/T 2567--2006
ma——从工作曲线上查得的空白试验溶液中锰的质量的数值,单位为毫克(mg);m—试料质量的数值,单位为克(g)。取平行测定结果的算术平均值为测定结果,两次平行测定结果的绝对差值不大于0.001%。4.9.2原子吸收分光光度法
4.9.2.1方法提要
在酸性介质中,采用原子吸收分光光度法,在279.5nm波长下测定试样中的锰含量。4.9.2.2试剂
4. 9. 2. 2. 1 95 %乙醇。
4.9.2.2.2盐酸溶液:1+1。
4.9.2.2.3锰标准溶液:1mL溶液含锰(Mn)0.1mg。用移液管移取10mL按HG/T3696.2配制的锰标准溶液,置于100mL容量瓶中,用水稀释至刻度,摇匀。
4.9.2.3仪器、设备
原子吸收分光光度计:配有锰空心阴极灯。4.9.2.4分析步骤
4.9.2.4.1工作曲线的绘制
在四个100mL容量瓶中.用移液管分别移人0.00mL.0.50mL、1.00mL、1.50mL锰标准溶液,用水稀释至刻度,摇匀。
将原子吸收分光光度计调整至最佳工作状态,用波长279.5nm线,使用空气-乙炔火焰,以水调零,测量上述溶液的吸光度。从每个标准溶液的吸光度中减去空白溶液的吸光度,以锰的质量为横坐标,对应的吸光度为纵坐标,绘制工作曲线。4.9.2.4.2测定
将过滤后的试验溶液A直接作为试验溶液,另取1mL盐酸溶液置于100mL容量瓶中,用水稀释至刻度,摇勾,作为空白试验溶液。将原子吸收分光光度计调整至最佳工作状态,用波长279.5nm线,使用空气-乙炔火焰,以水调零,测量试验溶液和空白试验溶液的吸光度。从工作曲线上查出试验溶液和空白试验溶液中锰的质量。
4.9.2.5结果计算
锰含量以锰(Mn)的质量分数tz计,数值以%表示,按公式(4)计算:(m1-mo)/1 000 ×100=
式中:
0. I(mi --mg)
一从工作曲线上查得的试验溶液中锰的质量的数值,单位为毫克(mg);从工作曲线上查得的空白试验溶液中锰的质量的数值,单位为毫克(mg);ma -am
m—4.8.1.4.2中试料质量的数值,单位为克(g)。取平行测定结果的算术平均值为测定结果,两次平行测定结果的绝对差值不大于0.001%。4.10白度的测定
(4)
HG/T 2567-2006
4.10.1仪器、设备
4.10.1.1白度仪。
4.10.1.2工作标准白板:符合GB/T5950—1996第6章规定的标准自板。4.10.2分析步骤
取一定量的试样放人压样器中,压制成表面平整、无纹理、无疵点、无污点的试样板。每批产品需压制3件试样板。
按仪器的使用说明预热稳定仪器,调零,用工作标准白板调校仪器。将试样板置于仪器上测定试样的蓝光白度。
4.10.3结果计算
取平行测定结果的算术平均值为测定结果,平行测定结果的绝对差值不大于1。4.11吸油的测定
4.11.1试剂
同GB/T19281—2003第3.21.1条。4.11.2仪器
同GB/T19281—2003第3.21.2条。4.11.3分析步骤
称取约5g试样,精确至0.01g,置于玻璃板或釉面瓷板上。将邻苯二甲酸二宰酯(DOP)置于50mL滴定管中,调零。在试料中滴加DOP,在滴加时用调刀不断进行翻动研磨,起初试样呈分散状,后逐渐成团直至全部被DOP所润湿,并形成一整团即为终点,等待5min后读取滴定管的体积数4.11.4结果计算
吸油量以wW3计,数值以每100g碳酸钙所吸收DOP的体积(mL)表示,按公式(5)计算:Vx100.
式中:
V-滴加DOP体积的数值,单位为毫升(mL);m试料质量的数值,单位为克g)。(5)
取平行测定结果的算术平均值为测定结果,两次平行测定结果的绝对差值不大于2.0mL/100g。4.12活化度的测定
按GB/T19281—-2003第3.20条规定的方法进行测定。5检验规则
5.1本标准要求中规定的所有指标项目为出厂检验项目,应逐批检验。5.2生产企业用相同材料,基本相同的生产条件,连续生产或同一班组生产的同一级别的工业活性沉淀碳酸钙为一批。每批产品不超过40t。5.3按GB/T6678的规定确定采样单元数。采样时,将采样器自包装袋的上方垂直插人至料层深度的四分之三处采样。将所采的样品混勾,用四分法缩分至约500名,分装人两个干燥、清洁的广口瓶中,密封,粘贴标签,注明:生产厂名、产品名称、等级、批号和采样日期、采样者姓名。一瓶用于检验,另一瓶保存备查,保存时间由生产厂根据实际情况确定。5.4工业活性沉淀碳酸钙由生产厂的质量监督检验部门按本标准的规定进行检验。生产厂应保证每批出厂的产品都符合本标准的要求。5.5检验结果中如有指标不符合本标准要求时,应重新自两倍量的包装袋中采样进行复验,复验结果即使只有一项指标不符合本标推要求时,则整批产品为不合格。5.6采用GB/T1250规定的修约值比较法判定检验结果是否符合标准。6
FT KAoNi KAca-
6标志、标签
HG/T 2567-—2006
6.1工业活性沉淀碳酸钙包装袋上要有牢固清晰的标志,内容包括:生产厂名、厂址、产品名称、商标、等级、净含量、批号或生产日期、本标推编号及GB/T191一2000规定的“怕雨\标志。6.2每批出厂的工业活性沉淀碳酸钙都应附有质量证明书,内容包括:生产广名、厂址、产品名称、商标、等级、净含量、批号或生产日期、产品质量符合本标准的证明和本标准编号。7包装、运输、购存
7.1工业活性沉淀碳酸钙采用两种包装方式。7.1.1双层包装:内包装采用聚乙烯塑料薄膜袋。外包装为塑料编织袋,其性能和检验方法应符合GB/T8946的规定。每袋净含量25kg或40kg。7.1.2单层包装:采用复合塑料编织袋,其性能和检验方法应符合GB/T8947的规定。每袋净含量25kg或40kg。
7.2工业活性沉淀碳酸钙在包装时,将内袋中空气排出,内袋用维尼龙绳或其他质量相当的绳扎紧,惑用与其相当的其他方式封口;外袋用维尼龙绳线或其他质量相当的线缝口,缝线整齐,针距均勾,无漏缝或跳线现象。
7.3工业活性沉淀碳酸钙在运输中应有遮盖物,防止包装损坏,防止雨淋、受潮、曝晒。不得与酸混运。7.4工业活性沉淀碳酸钙应贮存于阴凉、通风、干燥处,防止丽淋、受潮。不得与酸混贮。中华人民共和国
化工行业标准
工业活性沉淀碳酸钙
HG/T 2567--2006
出版发行:化学工业出版社
(北京市东城区青年湖南街13号邮政编码100011)北京云浩印刷有限责任公司印装880mm×1230mm1/16印张线字数16千字2007年2月北京第1版第1次印刷
书号:155025·0361
购书咨询:010-64518888
售后服务:010-64518899
网址:http://cip.corm.cn凡购买本书,如有缺损质量间题,木社销售中心负责调换。定价:9.00元
-Ti KAONi KAca-
版权所有违者必究
小提示:此标准内容仅展示完整标准里的部分截取内容,若需要完整标准请到上方自行免费下载完整标准文档。