首页 > 化工行业标准(HG) > HG/T 3829-2006 地坪涂料
HG/T 3829-2006

基本信息

标准号: HG/T 3829-2006

中文名称:地坪涂料

标准类别:化工行业标准(HG)

标准状态:现行

出版语种:简体中文

下载格式:.zip .pdf

下载大小:219455

相关标签: 地坪 涂料

标准分类号

关联标准

出版信息

相关单位信息

标准简介

HG/T 3829-2006.Floor coating.
1范围
HG/T 3829规定了地坪涂料产品的术语和定义、分类、要求、试验方法、检验规则、标志、包装和贮存等内容。
HG/T 3829适用于涂装在水泥、混凝土、石材或钢材等基面上的地坪涂料(不含水性地坪涂料、弹性地坪涂料)。
2规范性引用文件
下列文件中的条款通过本标准的引用而成为本标准的条款。凡是注日期的引用文件,其随后所有的修改单(不包括勘误的内容)或修订版均不适用于本标准,然而,鼓励根据本标准达成协议的各方研究是否可使用这些文件的最新版本。凡是不注日期的引用文件,其最新版本适用于本标准。
GB/T 1250--1989极限数值的表示方法和判定方法
GB/T 1728- 1979(1989) 漆 膜、腻子膜干燥时间测定法
GB/T 1731- 1993漆 膜柔韧性测定法
GB/T1732-1993漆膜耐冲击测定法
GB/T 1733- -1993漆 膜耐水性测定法
GB/T 1734- 1993漆 膜耐汽油性测定法
ISO 7784-2:1997色漆和清漆一耐磨性的测定一旋转橡胶砂轮法
GB/T 2411-1980塑料 邵氏硬度试验方法
GB/T 6682- -1992分 析试验室用水规格和试验方法(neq ISO 3696 : 1987)
ISO 15184:1998色漆和清漆一铅笔法测定漆膜硬度
GB/T 6751- -1986色漆和清漆 挥 发物和不挥发物的测定(eqv ISO 1515 : 1973)
GB/T 9271- -1988色漆和清漆标准试板(eqv ISO 1514 ; 1984)
GB/T 9274- -1988色漆和清漆耐 液体介质的测定(eqv ISO 2812 : 1974)
GB 9278涂料试样状态调节和试验的温湿度(GB/T9278-1988,eqvISO3270:1984)
GB/T 9286- 1998色漆和清漆 漆 膜的划格试验(eqv ISO 2409 : 1992)
GB/T 9750-1998涂料产品包装标志
GB/T 13491-1992涂料产品包装通则

标准图片预览

HG/T 3829-2006 地坪涂料
HG/T 3829-2006 地坪涂料
HG/T 3829-2006 地坪涂料
HG/T 3829-2006 地坪涂料
HG/T 3829-2006 地坪涂料

标准内容

备案号:181982006
中华人民共和国化工行业标准
HG/T3829—-2006bZxz.net
地坪涂料
Floor coating
2006-07-26发布
2007-03-01实施
中华人民共和国国家发展和政革委员会发布3
本标准由中国石油和化学工业协会提出。宵
本标准由全国涂料和颜料标准化技术委员会归口。HG/T3829—2006
本标准主要起草单位:中国化工建设总公司常州涂料化工研究院、广州秀珀化工有限公、深圳市景江化工有限公司、上海希培德建筑材料有限公司、徐州市丽装化学工业有限公司、苏州工业园区装和技研建材科技有限公司。
本标准参加起草单位:上海阳森精细化工有限公司、深圳市乐关品特涂饰有限公司,中徐化工(上海)有限公司立邦涂料(中国)有限公司、常州光辉化工有限公司.上海市涂料研究所、扬州市金陵特科涂料厂、山西摩天新技术开发有限公司、佛山市顺德区华隆涂料实业有限公商。本标准主要起草人:苏春海、周子鹊、刘汉杰、周伟、周洋、李长宏、马敏生、张文彬、沈澜、唐磊、张辉获、孙凌、下大荣、罗晓京、麦宗毅。本标准为首饮发布。
本标准委托全国涂料和额料标准化技术委员会负责解释。TKAoNKAca-
1范围
地坪涂料
HG/T3829—2006
本标准规定了地坪涂料产品的术语和定义、分类、要求、试验方法、检验规则、标志、包装和贮存等内容。
本标准适用于涂装在水泥、混凝土、石材或钢材等基面上的地坪涂料(不含水性地坪涂料、弹性地坪涂料)。
2 规范性引用文件
下列文件中的条款通过本标准的引用而成为本标准的条款。凡是注日期的引用文件,其随后所有的改单(不包括勘误的内容)或修订版均不适用于本标,然而,鼓励根据本标准达成协议的各方研究是否可使用这些文件的最新版本。凡是不注且期的引用文件,其最新版本适用于本标准。GB/T1250—1989极限数值的表示方法和判定方法GB/T17281979(1989)漆膜、腻子膜干燥时间测定法GB/T1731—1993漆膜柔韧性测定法GB/T 1732—1993漆膜耐冲击定法GB/T 1733—1993
GB/T 1734—1993
ISO 7784-2 1 1997
漆膜耐水性测定法
漆膜耐汽油性测定法
色漆和清漆—耐磨性的测定—旋转橡胶砂轮法GB/T 2411—1980
塑料邵氏硬度试验方法
GB/T 6682—1992
IS0 15184 1998
GB/T 6751—1986
GB/T 9271-
GB/T 9274—1988
分析试验室用水规格和试验方法(negISO3696:1987)色藤和清漆
一铅笔法测定漆膜硬度
摔发物和不挥发物的测定(eqIS01515:1973)色漆和清臻
标推试板(eqv IS0 1514 :1984)色漆和清漆
色漆和清漆耐液体介质的测定(c4VISO2812:1974)GB9278涂料试样状态调节和试验的温湿度(GB/T9278—1988.eqVISO32701984)GM/T 9286 : -1998
GB/T 9750—1998
色漆和清漆漆膜的划格试验(eqv1SO2409:1992)涂料产品包装标志
GB/T13491-:1992涂料产品包装通则GB/T 16777-1997
建筑防水涂料试验方法
ISO15528:2000色漆、清漆和色漆与清用原材料-取样JC/T 412—1991(1996)
3术语和定义
建筑用石棉水泥平板
下列术语和定义适用于本标准
地坪涂料底漆
fleor primer
多层涂装时,直接涂到底材上的地坪涂料。3.2
薄型地坪涂料面漆
thin filnm floor finish
HG/T 3829--2006
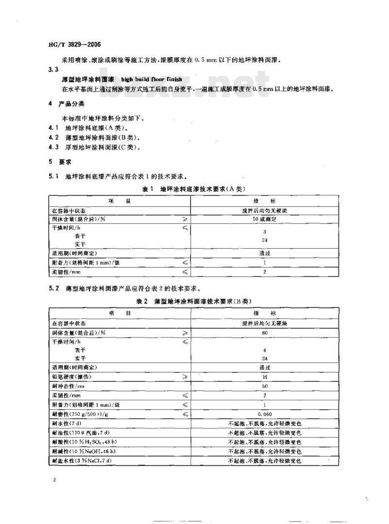
采用喷涂、滚涂或刷涂等施工方法,漆膜厚度在0. 5 mIⅡ以下的地坪涂料面漆。3.3
厚型地坪涂料面漆high build fioor fioish...
在水平基面上通过刮途等方式施工后能白身流平,一追施工成膜厚度在0.5 mm以上的地坪涂料面漆,4:产品分类
本标准中地坪涂料分类如下。
4.1地坪涂料底漆(A类)。
4.2薄型地坪涂料面漆(B类)。4.3厚型地坪涂料面漆(C类)。5要求
5.1地坪涂料底漆产战应符合表1的技术要求。表 1地坪涂料底漆技术要求(A类)项
在容器中状态
固体含量(混合后)/%
干燥时间/11
适用期(时间商定)
附若力(划格间距1mm)/级
柔韧性/mm
薄型地埋涂料面漆产品应符合表2的技术要求。指
搅拌后均匀无块
50或商定
表2薄型地坪涂料面漆技术要求(B类)项
在容器中状态
固体含量(混合后)/%
干燥时间/h
适用期(时间商定)
铅笔硬度(携)
耐冲击性/erIL
柔韧性/mm
附着力(划格间距1mm)/级
耐磨性(750g/500r)/g
耐水性(?d)
耐油性(120汽油,7d)
耐酸性(10 % H2SO,48 h)
耐碱性(10 %NaOII,4B h)
耐盐水性(3 % NaCI.7 d)
-TKAONiKAca=
搅拌后均勾无硬块
不起泡、不脱落,犯许轻微变色小起泡、不脱落·允许轻微变色不起泡,不脱荐,允许轻微变色不起池,不脱落,充许轻微变色
不起泡,不脱落,允许轻微变色
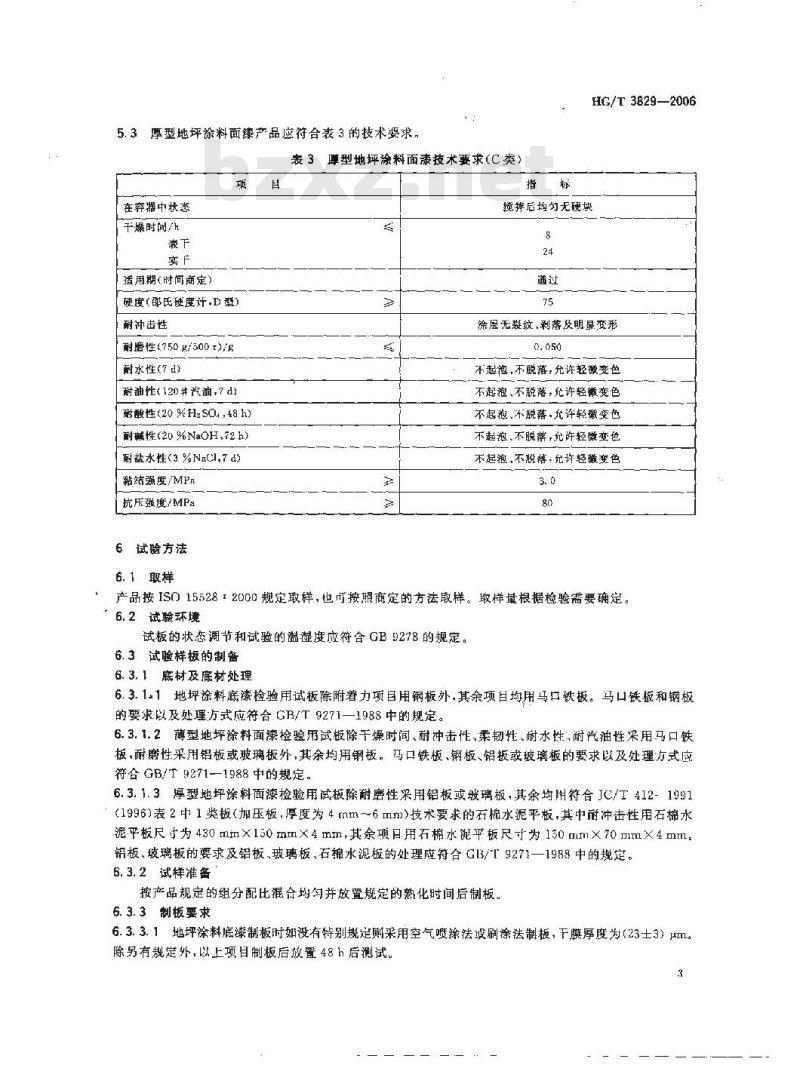
5.3厚型地坪涂料面漆产品应符合表3的技术要求,厚型地坪涂料面漆技术要求(C类)表3
在容器中状态
干燥时间/h
适用期(时间商定)
硬度(邵氏硬度计,D 型)
耐冲击性
耐磨性(750g/500t)/g
耐水性()
耐油性(120#汽油,7d)
耐酸性(20 %HzSO, ,48 h)
耐碱性(20 %NaOH,72 h)
耐盐水性(3 %NaCl,7d)
黏结强度/MPn
抗压强度/MPa
6试验方法
6.1取样
HG/T 3B29—2006
搅拌后均勾无硬块
涂层无裂纹,利落及明显变形
不起泡,不脱落,允许轻微变色不起泡、不脱落:充许轻徽变色不起、不脱落,充许轻微变也
不起泡、不脱落,允许轻微变色
不起泡,不脱格,充许轻微变色
产品按ISO15528:2000规定取样,也可按照商定的方法取样。取样量根据检验需要确定。6.2试验环境
试板的状态调节和试验的温差度应符合GB9278的规定。6.3试验样板的制备
6. 3, 1底材及底材处理
6.3.1-1地坪涂料底漆检验用试板除附着力项目用钢板外,其余项目均用马口铁板。马口铁板和钢板的要求以及处理方式应符合 GB/T 9271一1988中的规定。6.3.1.2薄型地坪涂料面漆检验用试板除干燥时间、耐冲击性、柔韧性、耐水性,耐汽油性采用马口铁板,耐磨性采用铝板或玻璃板外,其余均用钢板。马口铁板、钢板、铝板或玻璃板的要求以及处理方式应符合G/T9271-1988中的规定。
6.3.1.3厚型地坪涂料面漆检验用试板除耐磨性采用铝板或玻璃板,其余均用符合JC/T412-1991(1996)表2中1类板(加压板,厚度为4rnm6m)技术要求的石棉水泥平板,其中耐冲击性用石棉水泥平板尺寸为430mm×150mm×4mm,其余项日用石棉水泥平板尺寸为150mm×70mm×4mm铝板,玻璃板的要求及铝板.玻璃板、石棉水泥板的处理应符合GI3/T9271—1988中的规定。6.3.2试样准备
按产品规定的组分配比混合均勾并放置规定的熟化时间后制板。6.3.3制板要求
6.3.3.1地坪涂料底漆制板时如没有特别规定则采用空气喷涂法或刷涂法制板,下膜厚度为(23士3)μm。除另有规定外,以上项目制板后放置48h后测试。3
HG/T 38292006
6.3.3.2薄型地评涂料面漆制板时如没有特别规定则采用空气喷途法或刷涂法制板。干燥时间、错笔硬度、耐冲击性、柔韧性附着力-1膜厚度为(23士3)μm。除另有规定外,以上项月制板后放置48 h后测试。其余项目干膜厚接为(40土5)μm,如需多道施涂,每道间隔24h,除另有规定外,放置7d后測试。
6. 3. 3. 3厚型地坪涂料面漆可根据产品要求采用不同的施涂方式进行制板。干燥时间、耐冲击性、耐磨性,耐水性、耐油性、耐酸性、耐碱性、耐盐水性随涂-道,干膜厚度为 0, 8 mm~1. 0 mm 硬度测试用试件在商定条件下制备.厚度应不小于 3Ⅱm,除另有规定外以上项目制板启放置7 d后测试。
注:地坪涂料底漆、薄型地坪涂料面漆、厚型地坏涂料面续在出厂检验时,为方便操作,养护期较长的制板项日可自选试板底材和烘烤条件进行加速固化后试验。6.4试验方法
所用试剂至少为化学纯,所用水均为符合(GB/T6682一1992规定的二级水,试验用溶滤在试验前预先调整到试验温度,
6. 4. 1 在容器中状态(B类、C类)打开容器,用调刀或搅摔搅拌,允许容器底部有沉淀,若经搅境拌易于混合均匀,则评为“搅拌后均勾无硬块”。双组分涂料应分别进行检验。6.4.2固体含量(A类、B类)
按GB/T6751一1986规定进行。将产品各组分(不包括稀释剂)按产品规定比例混合后进行试验。6.4.3干燥时间(A类、B类、C类)按GB/T 1728—1979(1989)规定进行.其巾表干按乙法,地坪涂料底漆、薄型地坪涂料面漆实干按甲法进行,厚型地坪涂料面漆实干按闪法进行。6.4.4适用期(A类、B类、C类)将混合后的试样约 250 mL放入容量约为 300mL、内径70 mm~80 mm的马口铁罐或玻璃瓶内:达商定时间,检验容器中的内容物,若经搅拌有沉淀或搅拌后易于分散均勾.而且与刚混合后相比黏度没有显著地增长,没有胶化,不影响施工性能,则认为是“能使用”,适用期合格。6.4.5铅笔硬度(类)
按1S015184:1998规定进行。铅笔为中华牌101绘图铅笔。6.4.6耐冲击性(B类、C类)
薄型地坪涂料面漆按GB/T1732—1993规定进行。厚型地呼涂料面漆:将样板紧贴于厚度为20 mm的标准砂(GB/T17671-1999)I面,然后把直径(60土4)mm:质量为(1000+20)占的钢质球形砖码从高度300mm处自由落下,在-块样板上选择各相距50 mm的三个位置进行,用肉眼观察样板表面,应无裂纹、剥落及明显变形。6. 4.7 柔韧性(A类、B类)
按GB/T1731—1993规定进行
6.4.8附著力(A类、B类)
按GB/T9286—1998规定进行。
6. 4. 9 耐磨性(B 类,C 类)
按1SD 7784-2:1997规定进行。所用橡胶砂轮的型号为CS-17。注:也可使川磨耗作用与CS 17相当的像胶砂轮。6. 4. 10耐水性(B类,C类)
按GB/T 1733—1993 中甲法规定进行。在水中浸池 7 d。6.4. 11 耐油性(B类、C类)
按 GB/T 1734—1993中甲法规定进行。在120#汽油中浸泡 7d。KAoNIKAca
6. 4. 12耐酸性(B类,C类)
HG/T 3829—2006
按GB/T9274—1988中甲法规定进行,在规定浓度的硫酸溶液(10%和20%,质基百分数)中浸泡48h。
6. 4. 13 耐碱性(B类,C 类)
按GB/T9274·-1988中甲法规定进行。在规定浓度的氢氧化钠落液(10%和20%,质量百分数)中浸泡 48 h 和 72 b
6.4. 14耐盐水性(B类,C类)
按CB/T9274-1988中甲法规定进行。在3%(质量百分数)氟化钠溶液中浸泡7d。6. 4. 15硬度(C 类)
按 GB/T 2411 -1980 规定(邵D)进行。6. 4. 16黏结强度(心类)
按GB/T 16777—1997 中第 6 章的规定进行:拉神速度为 10 mm/min。6. 4. 17 抗压强度(C 类)
将试样注入规格为 20 mm×20 mm×20 mm 的试模内,轻轻摇动,待基本干燥固化后脱模。除另有规定外,试件放置7d后测试。
选择试件的某侧面作为受压面,用卡尽测量具边长,精确到0.1 mI。将选定试件的受压面向」放在压力试验机(仪器精度≤2%)的加压座上,试件的中心线与压力机中心绒应重合,以30 mm/min的速度均勾加载荷至值时为止。记录此时的最大载荷。试件的抗压强度按下式计算:
式中:
R一扰压强度,单位为兆帕(MPa);P一-最载荷,单位为牛(N):
A——受压面积,单位为平方米(m’)。A
抗压强度结果以5个试验值中剥除离散较大的值后的平均值表示。(1)
如5个测定值中有一个超出 5 个平均值的士10 %,就应剔除这个结果,而以剩下的 4个定值的平均数为结果:如果4个测定值中再有超过4个值的平均数土10%的:则此组结果作废。7检验规则
7.1检验分类
7.1.1产品检验分为出厂检验和型式检验。7.1.2出厂捡验项目:地呼途料底漆包括所有项且;避型胞坪涂料面漆包括容器中状态、固体含量、干燥时间、适用期、铅笔硬度、耐冲击性、柔韧性、附着力;厚型地坪涂料面漆包括容器中状态、干燥时间、适用期、耐冲击性。
7.1.3型式检验项目包括本标准所列的全部技术要求。每年至少检验一次。7.2检验结果的判定
7.2.1检验结果的判定按GB/T12501989中修约值比较法进行。7.2.2所有项目的检验结果均达到本标准要求时,该试验样品为符合本标准要求。日标志、包装和贮存
8.1标志
按GB/T 97501998的规定进行。对于山双组分配套组成的涂料,包装标志上应明确各组分5
HG/38292006
配比。
8.2包装
按GB/T13491-1992中-级包装要求的规定进行。8.3贮存
产品贮存时应保证通风、干燥,防止日光直接照射并应隔绝火源,远离热源。产品应根据类型定出些存期,并在包装标志上明示。TiKAoNr KAca
考文献
9水泥胶砂强度检验方法(ISO法)ISO679:1989IDT)1GB/T 17671-1999
HG/T 3829—2006
中华人民共和国
化工行业标准
地坪涂料
HG/T3820—2006
山版发行:化学工业出版社
(北京市东城区青年朝南街13号邯政编玛100011)北京云浩印刷有采责任公司印装880mm×1230mm1/16印张头字数16千字2006年12川北京第1版第1印刷
书号:155025-0119
购报咨询:01064518888
售后服务:010-64518899
906250
网址.http://tip.com.cn
凡购买本书,如有缺损质量问题,本社销售中心负责调换。定价;9. 00元
TKAONrKAca-
版权所有违者必究
小提示:此标准内容仅展示完整标准里的部分截取内容,若需要完整标准请到上方自行免费下载完整标准文档。