首页 > 轻工行业标准(QB) > QB 2197—1996 榨菜包装用复合膜袋
QB 2197—1996

基本信息

标准号: QB 2197—1996

中文名称:榨菜包装用复合膜袋

标准类别:轻工行业标准(QB)

标准状态:现行

出版语种:简体中文

下载格式:.zip .pdf

下载大小:150866

相关标签: 榨菜 包装用 复合膜

标准分类号

关联标准

出版信息

相关单位信息

标准简介

QB 2197—1996.
6.3.1出厂检验
出检验有4.1.4.2,4.3条表4中序号1.2,3,4项的检验。
6.3.2型式检验
有下列情况之一时,应进行型式试验:
a)新产品或老产品转厂生产的试制定型鉴定;
b)正式生产后,如结构,材料、工艺有较大改变,可能影响产品性能时﹔
c)正常生产时,定期或积累一定产量后﹐至少每--年进行一次检验;﹔
d )产品停产半年后﹐恢复生产时;
e)出厂检验结果与上次型式检验有较大差异时;
f)国家质域监督机构提出进行型式检验的要求时。
6.4判定规则
6.4.1 外现﹑规格的判定
外观、规格符合表7规定为合格。
6.4.2物理机械性能的判定
物理机械性能的枪验结果中,若有不合格项目﹐应从原批中取双倍样,对不合格项目进行复检.复检结果全部合格﹐则物理机械性能为合格。
6.4.3卫生性能的判定
.卫生性能检验结果全部符合要求为合格。
6.4.4批质量的判定
外观、规格﹑物理机械性能、卫生性能均合格,则该批为合格。
7标志,包装、运输.贮存
7.1标志
每件包装内外应附产品合格证﹐标明生产厂名、厂址、产品名称﹑材料结构、规格.执行标准号,装箱数量﹑净重、生产批号,生产日期、合格标记.检验章﹐并注明"食品包装用”。
7.2包装
袋用瓦楞纸箱包装,膜用瓦楞纸箱包装,内村塑料薄膜或牛皮纸。
7.3运输
运输时应防止机械碰撞或接触锐利物品,不得抛摔和重压,应保持包装完好无损,防止日晒雨淋,不受环境污染。
7.4贮存
应贮存于整洁﹑阴凉、干燥、空气流通、远离热源的库房内,堆放应整齐。用血收到货起﹐袋贮存期限为半年。
附加说明:
本标准由中国轻工总会质量标准部提出。本标准由全国塑料制品标准化中心归口。
本标准由浙江省皮革塑料工业公司.浙江省海宁塑料厂负责起草。本标准主要起草人张知先.万兴炬.吴晓新。
本标准参照采用日本工业标准JISZ1707《食品包装用塑料薄膜》。

标准图片预览

QB 2197—1996 榨菜包装用复合膜袋
QB 2197—1996 榨菜包装用复合膜袋
QB 2197—1996 榨菜包装用复合膜袋
QB 2197—1996 榨菜包装用复合膜袋
QB 2197—1996 榨菜包装用复合膜袋

标准内容

中华人民共和国轻工行业标准
榨菜包装用复合膜、袋
1主题内容与适用范围
QB 2197—1996
本标准规定了榨菜包装用复合膜、袋的产品分类、技术要求、试验方法、检验规则及标志、包装、运输、贮存。
本标准适用-F以双向拉伸聚丙烯薄膜(BOPP)、铝箔(AI.)、低密度聚乙烯(LDPE)为主要原料,经干法或挤出复合制成的榨菜包装复合膜、袋(以下简称“膜、袋”)。2引用标准
GB 1037
GB 1038
GB2828
GB2918
GB 6672
GB6673
GB7707
G 8808
GB 9683
GB13022
塑料薄膜和片材透水蒸汽性试验方法杯式法
塑料薄膜透气性试验方法
逐批检查计数抽样程序抽样表(适用于连续批的检查)塑料试样状态调节和试验的标准环境塑料薄膜和薄片厚度的测定机械测量法塑料薄膜和片材
凹版装潢印刷品
长度和宽度的测定
软质复合塑料材料剥离力试验方法复合食品包装袋卫生标准
塑料薄膜拉伸性能试验方法
ZBY 28 004
3产品分类
3.1形状
塑料薄膜包装袋热合强度测定方法膜为卷筒状,袋为U形袋。
3.2分类
按生产工艺不同,膜、袋的材料结构和材料厚度不同,分为三类,见表1。表
材料结构
材料厚度,μm
BOPP//AL//LDPE
20//7-- 9//40—80
BOPP//AL/LDPE
20//7--9/50--80
注:本表中“1}\符号含义为干法复合,“”符号含义为挤出复合。技术要求
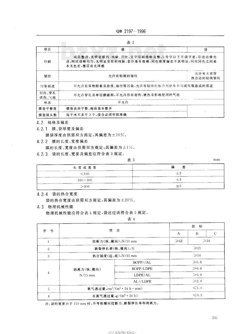
4.1外观
外观应符合表2规定。
中国轻工总会1996-01-31批准
BOPP//LDPE/AL/LDPE
20/10—20/7—9/50—80
1996-09-01实施
污染痕迹
划伤、穿孔
烫伤、气泡
膜卷平整度
膜卷接头数
QB 2197-
成品整洁,无明显脏污、残缺、刀丝,文字印刷清晰完整,5号字以下不误字意,印迹边缘光洁,网纹清晰均匀,无明显变形和残缺,套印基本准确,同色密度偏差不其明显,同批同色之间基本无色差,墨层有光泽感wwW.bzxz.Net
允许有轻微的皱纹
允许有未贯穿
热合边的轻微皱纹
不允许有异物附着及杂质、油污等污染,允许有轻微的粘合剂涂布不勾或压辑造成的痕迹不允许穿孔及单层膜破洞,不充许存在划伤、烫伤及影响使用的气泡不允许
膜卷表面平整,端面基本整齐
每干米不多于2个,接合必须牢固准确4.2规格及偏差
4.2.1膜、袋厚度及偏差
膜袋厚度由供需双方商定,其偏差为土10%。4.2.2膜的长度、宽度偏差
膜的长度、宽度由供需双方商定,其偏差为士1%。4.2.3袋的长度、宽度及偏差应符合表3规定。表3
长度或宽度
100~300
4.2.4袋的热合宽度
袋的热合宽度由供需双方商定,其偏差为士20%4.3
物理机械性能
物理机械性能应符合表4规定,袋还应该符合表5规定。表4
拉断力(纵、横向),N/15mm
断裂伸长率(纵、横向),%
热合强度(边、底),N/15 mm
BOPP/IAL
剥离力(纵、横向)
N/15 mm
BOPP/LDPE
LDPE/AL
AL//LDPE
氧气透过量,cm2/(m2,24 h·atm)水蒸气透过量,g/(m2。24h)
注:袋的宽度小于150mm时,不考核横向拉断力、断裂伸长率和剥离力。TiKAoNniKAca
卫生性能 
卫生性能应符合GB9683的规定。5试验方法
5.1取样方法
QB 2197--1996
不破不漏
不破不漏
取样从膜卷的外端先剪去开始的3层,再剪取6m作为外观检测和物理机械性能检验样品,包装袋采用随机取样方法。
5.2状态调节及试验环境按GB2918规定进行。温度:(23士2)℃;相对湿度:45%~75%;状态调节时间:不少于2h,并在此条件下进行试验。5.3外观
在自然光线下目测,印刷按GB7707规定检验5.4规格及偏差
膜、袋的厚度按GB6672规定进行,长度和宽度按GB6673规定进行。袋的热合宽度,用相应的量具测量。
5.5拉断力、断裂伸长率
按GB13022规定进行。
试样:长条型;
长度:(150±1)mm;
宽度:(15±0.1)mm;
标距:(100±1)mm;
拉伸速度(空载):(100士10)mm/min。5.6剥离力
按GB8808规定进行。
5.7热合强度
按ZBY28004规定进行,膜需热合成袋,然后试验。5.8氧气透过量
按GB1038规定进行。
5.9水蒸气透过量
按GB1037规定进行。
5.10耐压
试验装置如图1所示。
1—磁码;2—上加压盘:3—试验袋;4一下加压盘236
QB2197-1996
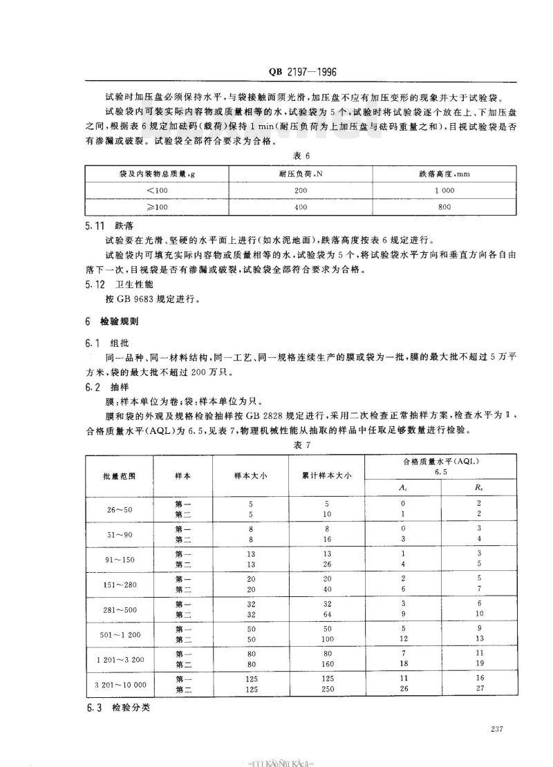
试验时加压盘必须保持水平,与袋接触面须光滑,加压盘不应有加压变形的现象并大于试验袋。试验袋内可装实际内容物或质量相等的水,试验袋为5个,试验时将试验袋逐个放在上、下加压盘之间,根据表6规定加磁码(载荷)保持1min(耐压负荷为上加压盘与码重量之和),目视试验袋是否有渗漏或破裂。试验袋全部符合要求为合格。表6
袋及内装物总质量,g
≥100
5.11跌落
耐压负荷,N
跌落高度,mm
试验要在光滑、坚硬的水平面上进行(如水泥地面),跌落高度按表6规定进行,试验袋内可填充实际内容物或质量相等的水,试验袋为5个,将试验袋水平方向和垂直方向各自由落下一次,目视袋是否有渗漏或破裂,试验袋全部符合要求为合格。5.12卫生性能
按GB9683规定进行。
检验规则
6.1组批
同一品种、同一材料结构,同一工艺、同一规格连续生产的膜或袋为一批,膜的最大批不超过5万平方米,袋的最大批不超过200万只。6.2抽样
膜:样本单位为卷袋:样本单位为只。膜和袋的外观及规格检验抽样按GB2828规定进行,采用二次检查正常抽样方案,检查水平为1,合格质量水平(AQL)为6.5,见表7,物理机械性能从抽取的样品中任取足够数量进行检验。表7
合格质量水平(AQL)
批量范围
26~50
51~90
91~150
151~280
281~500
501~1200
1201~3200
320110000
检验分类
样本大小
累计样本大小
TTi KAoNni KAca-
6.3.1出检验
QB2197---1996
出厂检验有4.1,4.2,4.3条表4中序号1,2.3,4项的检验。6.3.2型式检验
有下列情况之一时,应进行型式试验:a)新产品或老产品转厂生产的试制定型鉴定;b)正式生产后,如结构、材料、工艺有较大改变,可能影响产品性能时;c)正常生产时,定期或积累一定产量后,至少每一年进行一次检验,t)产品停产半年后,恢复生产时;c)出厂检验结果与上次型式检验有较大差异时;f)国家质量监督机构提出进行型式检验的要求时。6.4判定规则
6.4.1外观、规格的判定
外观、规格符合表7规定为合格。6.4.2物理机械性能的判定
物理机械性能的检验结果中,若有不合格项目,应从原批中取双倍样,对不合格项目进行复检,复检结果全部合格,则物理机械性能为合格。6.4.3卫生性能的判定
I生性能检验结果全部符合要求为合格。6.4.4批质量的判定
外观、规格、物理机械性能、卫生性能均合格,则该批为合格。7标志、包装、运输、贮存
7.1标志
每件包装内外应附产品合格证,标明生产厂名、厂址、产品名称、材料结构、规格、执行标准号、装箱数量、净重、生产批号、生产日期、合格标记、检验章,并注明食品包装用”。7.2包装
袋用瓦楞纸箱包装,膜用瓦楞纸箱包装,内衬塑料薄膜或牛皮纸。7.3运输
运输时应防止机械碰撞或接触锐利物品,不得抛摔和重压,应保持包装完好无损,防止日晒雨淋,不受环境污染。
7.4贮存
应贮存于整洁、阴凉、干燥、空气流通、远离热源的库房内,堆放应整齐。用户收到货起,袋贮存期限为半年。附加说明:
本标准由中国轻工总会质量标准部提出。本标准由全国塑料制品标准化中心归口。本标准由浙江省皮革塑料工业公司、浙江省海宁塑料厂负责起草。本标准主要起草人张知先、万兴炬、吴晓新。本标准参照采用日本工业标准JISZ1707《食品包装用塑料薄膜》。238
小提示:此标准内容仅展示完整标准里的部分截取内容,若需要完整标准请到上方自行免费下载完整标准文档。