首页 > 轻工行业标准(QB) > QB/T 2236—1996 中性石蜡纸
QB/T 2236—1996

基本信息

标准号: QB/T 2236—1996

中文名称:中性石蜡纸

标准类别:轻工行业标准(QB)

标准状态:现行

出版语种:简体中文

下载格式:.zip .pdf

下载大小:98187

相关标签: 中性 石蜡

标准分类号

关联标准

出版信息

相关单位信息

标准简介

QB/T 2236—1996.
1范围
QB/T 2236规定了中性石蜡纸的技术规范。
QB/T 2236适用于精密机械部件﹑金属制品及军工产品等内包装用中性石蜡纸。
2引用标准
下列标准所包含的条文,通过在本标准中引用而构成为本标准的条文。本标准出版时,所示版本均为有效。所有标准都会被修订,使用本标准的各方应探讨使用下列标准最新版本的可能性。
GB/T 450——1989纸和纸板试样的采取
GB/T 451.2—-1989纸和纸板定量的测定法
GB/T 453—1989纸和纸板抗张强度的测定法(恒速加荷法)GB/T 454——1989纸耐破度的测定法
GB/T 1545.2—1989纸、纸板和纸浆水抽提液pH值的测定法
GB/T 2678.2—1994纸浆﹑纸及纸板水溶性氯化物的测定(硝酸汞法)
GB/T 2828——1987逐批检查计数抽样程序及抽样表(适用于连续批的检查)GB/T 7189—1987食品用石蜡
GB/T 10342--1989纸张的包装和标志
GB/T 10739--1989纸浆、纸和纸板试样处理和试验的标准大气sY 1227——1988普通液压油
3产品分类
3.1中性石蜡纸为平板纸,也可按订货合同生产卷简纸。
4技术要求
4.1中性石蜡纸须用52℃~56℃白色石蜡(GB/T 7189)或白色石蜡与工业润滑油(SY1227)的混合物,均匀地从两面浸透中性石蜡原纸,石蜡或混合物的含量应为原纸重量的30%~40%。
4.2中性石蜡纸的技术指标应符合表1规定。

标准图片预览

QB/T 2236—1996 中性石蜡纸
QB/T 2236—1996 中性石蜡纸
QB/T 2236—1996 中性石蜡纸
QB/T 2236—1996 中性石蜡纸

标准内容

—1996此内容来自标准下载网
QB/T2236
该标准为QB693一1978《中性石蜡纸》的第一次修订本。该标准技术指标的单位由我国现行单位-一律改成国际单位制(SI)单位。为提高石蜡原纸强度,定量小于60g/m2的裂断长改为2.50km,定量等于或大于60g/m2的裂断长改为2.70km。
为提高纸的防锈能力将水溶性氯化物含量由75mg/kg改为50mg/kg。该标准的抗张强度和裂断长给出的是23℃,50%RH的规定,括号内是20℃、65%RH的规定,从1995年1月1日开始至1996年12月31日在两种大气测定合格的都可判为合格,但从1997年1月1日起,只能按23℃、50%RH条件下的实验结果进行判断。本标准由中国轻工总会食品造纸部提出。本标准由全国造纸标准化中心归口。本标准起草单位:辽宁造纸研究所、辽宁凤城造纸厂。本标准主要起草人:付玉兰、张继珠,汤聘渔、郭力波、王华佳。自本标准实施之日起,原轻工业部部标准QB693—1978《中性石蜡纸》作废。431
1范围
中华人民共和国轻工行业标准
中性石蜡纸
本标准规定了中性石蜡纸的技术规范,QB/T2236—1996
本标准适用于精密机械部件、金属制品及军工产品等内包装用中性石蜡纸。2引用标准
下列标准所包含的条文,通过在本标中引用而构成为本标准的条文。本标准出版时,所示版本均为有效。所有标准都会被修订,使用本标准的各方应探讨使用下列标准最新版本的可能性。GB/T450—1989纸和纸板试样的采取GB/T451.2—1989纸和纸板定量的测定法GB/T453—1989纸和纸板抗张强度的测定法(恒速加荷法)GB/T 454—1989
纸耐破度的测定法
纸、纸板和纸浆水抽提液 pH值的测定法GB/T1545.2—1989
GB/T2678.2—1994
纸浆、纸及纸板水溶性氯化物的测定(硝酸汞法)GB/T2828-—1987逐批检查计数抽样程序及插样表(适用于连续批的检查)GB/T 7189-—1987
GB/T 10342-1989
GB/T 10739-—1989
SY 1227—1988
3产品分类
食品用石蜡
纸张的包装和标志
纸浆、纸和纸板试样处理和试验的标准大气普通液压油
3.1中性石蜡纸为平板纸,也可按订货合同生产卷简纸。4技术要求
4.1中性石蜡纸须用52C~56℃白色石蜡(GB/T7189)或白色石蜡与工业润滑油(SY1227)的混合物,均匀地从两面浸透中性石蜡原纸,石蜡或混合物的含量应为原纸重量的30%~40%。4.2中性石蜡纸的技术指标应符合表1规定。指标名称
耐破度
不小于
抗张强度
不小于
中国轻工总会1996-10-11批准
40.0±2.0
52.0±2.5
T KAoNi KAca
60.0±3.0
85.0±4.3
试验方法
GB/T 451.2
GB/T454
GB/T 453
1997-07-01实施
指标名称
裂断长
纵横向平均
不小于
水溶性氯化物
不大于
水抽出物pH值
QB/T2236--1996
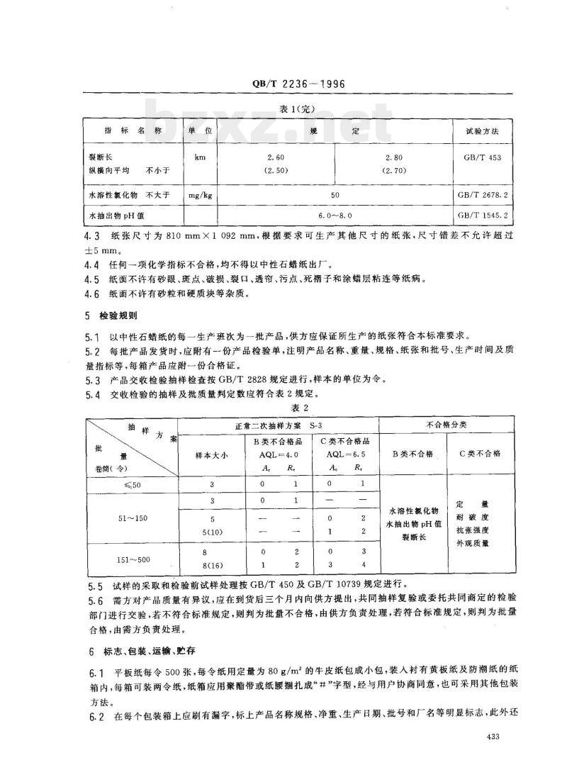
表1(完)
试验方法
GB/T453
GB/T 2678. 2
GB/T 1545. 2
4.3纸张尺寸为810mm×1092mm,根据要求可生产其他尺寸的纸张,尺寸错差不允许超过±5 mm。
4.4任何一项化学指标不合格,均不得以中性石蜡纸出厂4.5纸面不许有砂眼、斑点、破损、裂口、透帘、污点、死褶子和涂蜡层粘连等纸病。4.6纸面不许有砂粒和硬质块等杂质。5检验规则
5.1以中性石蜡纸的每一生产班次为一批产品,供方应保证所生产的纸张符合本标准要求。5.2每批产品发货时,应附有一份产品检验单,注明产品名称、重量、规格、纸张和批号、生产时间及质量指标等,每箱产品应附一份合格证。5.3产品交收检验抽样检查按GB/T2828规定进行,样本的单位为令。交收检验的抽样及批质量判定数应符合表2规定。5.4
卷简(令)
51~150
151~500
样本大小
正常二次抽样方案
B类不合格品
C类不合格品,
不合格分类
B类不合格
水溶性氟化物
水抽出物 pH值
裂断长
C类不合格
耐破度
抗张强度
外观质量
5.5试样的采取和检验前试样处理按GB/T450及GB/T10739规定进行。5.6需方对产品质量有异议,应在到货后三个月内向供方提出,共同抽样复验或委托共同商定的检验部门进行交验,若不符合标准规定,则判为批量不合格,由供方负责处理,若符合标准规定,则判为批量合格,由需方负责处理。
6标志、包装、运输、贮存
6.1平板纸每令500张,每令纸用定量为80g/m的牛皮纸包成小包,装人衬有黄板纸及防潮纸的纸箱内,每箱可装两令纸,纸箱应用聚酯带或纸腰捆扎成“#字型,经与用户协商同意,也可采用其他包装方法。
6.2在每个包装箱上应刷有漏字,标上产品名称规格、净重、生产日期、批号和厂名等明显标志,此外还433
QB/T2236—1996
应用大字标明“注意防潮”“请勿用钩”等字样。6.3纸张应妥善保管,防止雨、雪、潮湿、高温、日光曝晒及酸碱气体和氯气等影响,以免损害纸张的物理性能和化学指标,以及引起纸张蜡层粘连。6.4搬运时,应避免挂损纸张或从高处将包装箱扔下损坏纸件。434
iikAoNniKAca
小提示:此标准内容仅展示完整标准里的部分截取内容,若需要完整标准请到上方自行免费下载完整标准文档。