首页 > 轻工行业标准(QB) > QB/T 2235—1996 中性石蜡原纸
QB/T 2235—1996

基本信息

标准号: QB/T 2235—1996

中文名称:中性石蜡原纸

标准类别:轻工行业标准(QB)

标准状态:现行

出版语种:简体中文

下载格式:.zip .pdf

下载大小:89364

相关标签: 中性 石蜡 原纸

标准分类号

关联标准

出版信息

相关单位信息

标准简介

QB/T 2235—1996.
1范围
QB/T 2235规定了中性石蜡原纸的技术规范。
QB/T 2235适用于精密机械部件、金属制品及军工产品等内包装用中性石蜡纸的原纸。
2引用标准
下列标准所包含的条文,通过在本标准中引用而构成为本标准的条文。本标准出版时,所示版本均为有效。所有标准都会被修订,使用本标准的各方应探讨使用下列标准最新版本的可能性。
GB/T 450--1989纸和纸板试样的采取
GB/T 451.2—1989纸和纸板定量的测定法
GB/T 453——1989纸和纸板抗张强度的测定法(恒速加荷法)GB/T 454-—1989纸耐破度的测定法
GB/T 462——1989纸和纸板水分的测定法
GB/T 1545.2--1989纸、纸板和纸浆水抽提液pH值的测定法
GB/T 2678.2—-1994纸浆、纸及纸板水溶性氦化物的测定(硝酸汞法)GB/T 2828-1987逐批检查计数抽样程序及抽样表(适用于连续批的检查)GB/T 10342一1989纸张的包装和标志
GB/T10739—1989纸浆﹑纸和纸板试样处理和试验的标准大气
3产品分类
3.1中性石蜡原纸为卷简纸。
4技术要求
4.1︰中性石蜡原纸的技术指标应符合表1规定。
4.2纸张宽度为810 mm,尺寸误差为士5 mm。
4.3平板纸要求810 mm×1 092 mm,根据定货合同规定,也可生产其他尺寸的纸张。
4.4卷筒纸接头处应用纸条加以标志,每卷接头不多于5个。
4.5其中水溶性氯化物、pH值中有一项不合格不能作为军工用品。
4.6纸张颜色为纤维原料本色。
4.7纸面不许有洞眼、裂口、破损、透帘、斑点、脏污和严重的褶子、皱纹等纸病。
4.8纸面不许有砂子和硬质块。
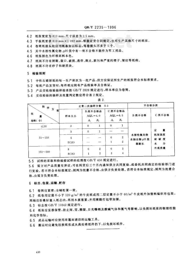
5检验规则
5.1中性石蜡原纸的每一生产班次为一批产品,供方应保证所生产的纸张符合本标准要求。
5.2每批产品发货时,每件纸应附有产品检验单及合格证。
5.3产品交收检验抽样检查按GB/T 2828规定进行,样本单位为卷筒。
5.4交收检验的抽样及批量判定数应符合表2规定。

标准图片预览

QB/T 2235—1996 中性石蜡原纸
QB/T 2235—1996 中性石蜡原纸
QB/T 2235—1996 中性石蜡原纸

标准内容

QB/T2235—1996
该标准为QB692--1978《中性石蜡原纸》的修订本。该标准技术指标的单位由我国现行单位一律改成国际单位制(SI)单位。为提高石蜡原纸强度,定量小于40g/m2的裂断长改为3.20km,定量等于或大于40g/m2的裂断长改为3.60km。
为提高纸的防锈能力将水溶性氯化物含量由75mg/kg改为50mg/kg。该标准的抗张强度给出的是23℃,50%RH的规定,括号内是20℃、65%RH的规定。从1995年1月1日开始至1996年12月31日在两种大气测定合格的都可判为合格,但从1997年1月1日起,只能按23℃、50%RH条件下的实验结果进行判断。本标准由中国轻工总会食品造纸部提出。本标准由全国造纸标准化中心归口。本标准起草单位:辽宁造纸研究所、辽宁凤城造纸厂。本标准主要起草人:付玉兰、张继珠、汤聘渔、郭力波、王华佳。自本标准实施之日起,原轻工业部部标准QB692-1978《中性石蜡原纸》作废。428
中华人民共和国轻工行业标准
中性石蜡原纸
本标准规定了中性石蜡原纸的技术规范。QB/T2235—1996
本标准适用于精密机械部件、金属制品及军工产品等内包装用中性石蜡纸的原纸。2引用标准
下列标准所包含的条文,通过在本标准中引用而构成为本标准的条文。本标准出版时,所示版本均为有效。所有标准都会被修订,使用本标准的各方应探讨使用下列标准最新版本的可能性。GB/T450---1989纸和纸板试样的采取GB/T451.2—1989纸和纸板定量的测定法GB/T453—1989纸和纸板抗张强度的测定法(恒速加荷法)纸耐破度的测定法
GB/T 454-1989
纸和纸板水分的测定法
GB/T 462--1989
纸、纸板和纸浆水抽提液pH 值的测定法GB/T1545.2--1989
GB/T 2678. 2—1994
GB/T 2828--1987
GB/T 10342—1989
GB/T 10739-1989
3产品分类
纸浆、纸及纸板水溶性氯化物的测定(硝酸汞法)逐批检查计数抽样程序及抽样表(适用于连续批的检查)纸张的包装和标志
纸浆、纸和纸板试样处理和试验的标准大气中性石蜡原纸为卷简纸。
4技术要求
中性石蜡原纸的技术指标应符合表1规定。4.1
指标名
耐破度
抗张强度横向
裂断长
纵横向平均
水溶性氯化物
水抽出物PH值
不小于
不小于
不小于
不大于
中国轻工总会1996-10-11批准
30.0±1.5
35.0±1.8
40.0±2.0
60.0±3.3
试验方法
GB/T451.2
GB/T 454
GB/T453bZxz.net
GB/T453
GB/T 2678. 2
GB/T1545.2
GB/T462
1997-07-01实施
TKAoNi KAca-
QB/T2235-1996
4.2纸张宽度为810mm,尺寸误差为士5mm。4.3平板纸要求810mm×1092mm,根据定货合同规定,也可生产其他尺寸的纸张。4.4卷筒纸接头处应用纸条加以标志,每卷接头不多于5个。4.5其中水溶性氟化物、pH值中有项不合格不能作为军工用品。4.6纸张颜色为纤维原料本色。
4.7纸面不许有洞眼、裂口、破损、透帘、斑点、脏污和严重的褶子、皱纹等纸病。4.8纸面不许有砂子和硬质块。
检验规则
5.1中性石蜡原纸的每一生产班次为一批产品,供方应保证所生产的纸张符合本标准要求。每批产品发货时,每件纸应附有产品检验单及合格证。5.2
产品交收检验抽样检查按GB/T2828规定进行,样本单位为卷筒。5.3
交收检验的抽样及批量判定数应符合表2规定。表2、
抽样方
卷簡(令)
51~150
151~500
样本大小
正常二次抽样方案S-3
B类不合格品
C类不合格品
不合格分类
B类不合格
水溶性氯化物
水抽出物 pH 值
裂断长
C类不合格
抗张强度
耐破度
外观质量
5.5试样的采取和检验前试样的处理按GB/T450规定进行。5.6需方对产品质量有异议,可在到货后三个月内通知供方共同复验,或委托共同商定的检验部门进行复验。若不符合本标准规定,则判为批量不合格,由供方负责处理。若符合本标准规定,则判为批量合格,由需方负责处理。
6标志、包装、运输、贮存
6.1卷简应紧密,全幅松紧一致。6.2纸卷用定量不小于120g/m2的牛皮纸或用二层定量不小于60/m2牛皮纸外加塑料编织布包装,两端应折叠好塞人纸芯内,再用木塞塞紧,并用聚酯打包带加捆。6.3标志按GB/T10342规定进行。6.4纸张应妥善保管,防止雨、雪、潮湿、日光曝晒及酸碱气体和氯气等影响,以免损坏纸张的物理性能和化学指标。
6.5成品运输时应使用有篷而清洁的运输工具。6.6搬运时应避免挂损纸张或从高处将纸件扔下,以免损坏纸件。430
小提示:此标准内容仅展示完整标准里的部分截取内容,若需要完整标准请到上方自行免费下载完整标准文档。