首页 > 轻工行业标准(QB) > QB/T 2291—1997 机用皮带扣
QB/T 2291—1997

基本信息

标准号: QB/T 2291—1997

中文名称:机用皮带扣

标准类别:轻工行业标准(QB)

标准状态:现行

出版语种:简体中文

下载格式:.zip .pdf

下载大小:105632

相关标签: 机用

标准分类号

关联标准

出版信息

相关单位信息

标准简介

QB/T 2291—1997.
1范囿
QB/T 2291规定了机用皮带扣的产品分类、技术要求、试验方法、检验规则,标志、包装、运输和贮存。本标准适用于15号~75号平行传动带及输送带配合使用的机用皮带扣。
2引用标准
下列标准所包含的条文,通过在本标准中引用而构成为本标准的条文。本标准出版时,所示版本均为有效。所有标准都会被修订,使用本标准的各方应探讨使用下列标准最新版本的可能性。
GB/T 343—1994一般用途低碳钢丝
GB/T 700--1988碳素结构钢
GB/T 716---1991碳素结构钢冷轧钢带
GB/T 2828—1987逐批检查计数抽样程序及抽样表(适用于连续批的检查)GB/T 5305---1985手工具包装、标志、运输与贮存
3产品分类
3.1型式
机用皮带扣型式如图1所示。
4技术要求
4.1―机用皮带扣材料应选用GB/T 700规定的Q195-A.F.Q215-A.F,Q235-A.F钢。冷轧后应符合GB/T 716规定的Q195-A.F-P-I-BQ-BR,Q215-A.F-P-I-BQ,BR,Q235-A.F-P-I-BQ-BR钢带的要求。
4.2机用皮带扣表面色泽应均匀光亮,不得有锈斑和明显的黑斑或起皮。
4.3机用皮带扣牙齿排列整齐,除第---齿外,任意相邻五只齿的齿端直线度不大于0.5mm。
4.4机用皮带扣大齿的齿根弯角外壁不得有裂纹v小齿的齿根裂纹不得超过齿面宽度0.25mm。
4.5机用皮带扣做敲扁试验后不应有裂纹。
5试验方法
5.1外观检验
目测。
5.2几何尺寸检验
使用角度尺和示值为0.02mm的游标卡尺或其他普通量具。
5.3齿端直线度检验
将齿端紧靠刀口尺。用塞尺测量最大间隙值。
5.4敲扁试验
锤击机用皮带扣背部,使弯曲内径接近竹节销直径时,检查有无裂纹。
6 检验规则
6.1产品应经过检验合格后,并附有产品合格证方可出厂。
6.2产品的交货检验按GB/T 2828二次正常检查抽样方案逐项进行。其不合格分类,检验项目,合格质量水平(AQL)、检查水平(IL)按表2的规定。

标准图片预览

QB/T 2291—1997 机用皮带扣
QB/T 2291—1997 机用皮带扣
QB/T 2291—1997 机用皮带扣
QB/T 2291—1997 机用皮带扣
QB/T 2291—1997 机用皮带扣

标准内容

QB/T2291-1997
机用皮带扣专业标准(ZBJ47009)自1989年9月发布后,经多年实践使用,其主要技术指标等均符合行业要求。因此本标准只按GB/T1,1-1993标准化工作导则第1单元:标准的起草与表述规则第1部分:标准编写的基本规定》作了编辑性修改。本标准的附录 A是提示的附录。本标准由中国轻工总会质量标推部提出。本标推由全国工具五金标准化中心归口。本标准起草单位:上海市工具工业研究所、上海机用皮带扣厂。本标准主要起草人:陆遐令、张品荣。本标准委托全国工具五金标准化中心负资解释671
1范围
中华人民共和国轻工行业标准
机用皮带扣
QB/T22911997
本标准规定了机用皮带扣的产品分类、技术要求、试验方法、检验规则、标志、包装、运输和贮存。本标准适用于15号~75号平行传动带及输送带配合使用的机用皮带扣。2引用标准
下列标准所包含的条文,通过在本标准中引用而构成为本标准的条文。本标准出版时,所示版本均为有效。所有标准都会被修订,使用本标准的各方应探讨使用下列标准新版本的可能性。GB/T343——1994般用途低碳钢丝GB/T700-1988碳素结构钢
GB/T716-1991碳素结构钢冷轧钢带逐批检查计数抽样程序及抽样表(适用于连续批的检查)GB/T 28281987
GB/T5305--1985手工具包装、标志、运输与贮存3产品分类
3.1型式
机用皮带扣型式如图1所示。
图 1 机用皮带扣
115号机用皮带扣无a齿。
2大齿角度α为74°±2°。
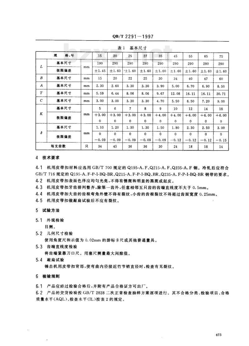
3.2基本尺寸
机用皮带扣的基本尺寸应符合表1的规定。中国轻工总会1997-04-10批准
rKAONiKAca-
1997~12-01实施
格,号
基本尺寸
极限偏差
基本尺寸
基本尺寸
基本尺寸
基本尺寸
基本尺寸
极限偏差
基本尺寸
极限偏差
每支齿数
4技术要求
QB/T2291-1997
基本尺寸
4.1机用皮带扣材料应选用GB/T700规定的Q195-A.FQ215-A.F、Q235-A.F钢。冷轧后应符合GB/T716规定的Q195-A.F-P-I-BQ-BR、Q215-A.F-P-I-BQ、BR、Q235-A.F-P-I-BQ-BR 钢带的要求。4.2机用皮带扣表面色泽应均匀光亮,不得有锈斑和明显的黑斑或起皮。3机用皮带扣牙齿排列整齐,除第齿外,任意相邻五只齿的齿端直线度不大于0.5mm。4.3
4.4机用皮带扣大齿的齿根弯角外壁不得有裂纹,小齿的齿根裂纹不得超过齿面宽度0.25mm。机用皮带扣做敲扁试验后不应有裂纹。4.5
5试验方法
5.1外观检验
目测。
2几何尺寸检验
使用角度尺和示值为0.02mm的游标卡尺或其他普通量具。5.3
齿端直线度检验
将齿端紧靠刀口尺。用塞尺测量最大间隙值。5.4敲扁试验
锤击机用皮带扣背部,使弯曲内径接近竹节销直径时,检查有无裂纹。6检验规则
6.1产品应经过检验合格后,并附有产品合格证方可出厂。6.2产品的交货检验按GB/T2828二次正常检查抽样方案逐项进行。其不合格分类、检验项目、合格质量水平(AQL)、检查水平(IL)按表2的规定。673
不合格分类
QB/T 2291-1997
表2不合格分类、检验项目、合格质量水平和检查水平检验项目
敲扇试验
大小齿根裂纹
大齿角度
其他项目
合格质量水平(AQL)
6.3若对机用皮带扣有特殊要求时,可经工贸双方协商决定。6.4复验规则
检查水平(IL)
交货检验不合格的批,制造厂可挑选、整理后再提交验收。抽验样品中不合格品,应由制造厂负责调换。
7标志、包装、遥输、贮存
标志、包装、运输与贮存应符合标准GB/T5305的规定。7.1下载标准就来标准下载网
每盒数量应符合表3的规定。
表3每盒数量
规格,号
皮带扣数,支
竹节销数,根
rKAoNiKAca-
QB/T2291—1997
附录A
(提示的附录)
机用皮带扣竹节销
A1竹节销材料应符合GB/T343规定的SZ-F镀锌钢丝。A2
竹节销的印痕应清晰,端部不得有明显的马蹄形、毛刺及弯曲现象。A3
3竹节销的型式及基本尺寸应符合图A1和表A1的规定。竹节销
基本尺寸
极限偏差
基本尺寸
极限偏差
基本尺寸
基本尺寸
基本尺寸
竹节销的基本尺寸
小提示:此标准内容仅展示完整标准里的部分截取内容,若需要完整标准请到上方自行免费下载完整标准文档。