首页 > 轻工行业标准(QB) > QB/T 2247—1996 冰淇淋凝冻机
QB/T 2247—1996

基本信息

标准号: QB/T 2247—1996

中文名称:冰淇淋凝冻机

标准类别:轻工行业标准(QB)

标准状态:现行

出版语种:简体中文

下载格式:.zip .pdf

下载大小:177757

相关标签: 冰淇淋

标准分类号

关联标准

出版信息

相关单位信息

标准简介

QB/T 2247—1996.
4.1.6压缩空气须经干燥过滤处理,压力为0.5 MPa~0,7 MPa,在同一压力下的波动稳定性应不大于0.1MPa。
4.2材料要求
凡与冰淇淋接触的零部件必须采用耐瘸蚀、无毒、无味、符合食品卫生要求的材料制造。
4.3 装配要求
4.3.1各种制冷元器件工作应正确可靠,调节灵活,无异常声响。
4.3.2管路应排列整齐,安装牢固,运转时不得有明显振动。
4.3.3气压、油压等安全保护装置应动作灵活、安全可靠。
4.3.4 制冷系统应作清洁度、干燥度和气密性试验,并符合5.2规定。
4.3.5妳减速箱﹑混和泵(料泵)应运转平稳、灵活,无异常声响。减速箱不渗油。
4.4外观质量要求
4.4.1凝冻机的外表应光洁平整v不应有图样上未规定的凹凸不平或其他损伤,相配件在其连接处不应有明显的错位。
4.4.2外露的螺钉﹑螺栓,螺母,销子不应有明显的扭伤现象,螺栓尾端略突出螺母。
4.4.3标牌、指示牌﹑指示标记均应清晰.牢固和位置正确。
4.4.4凡采用黑色金属制作的零件均应采取防锈措施。
4.5电气安全要求
4.5.1电气系统布线应整齐美观,固定良好,安全可靠。箱体应有接地装置,并有明显标记。
4.5.2导线接头必须牢固,不得松动。电气设备安装应正确.牢靠。
4.5.3妳电气控制系统动作应灵敏、正确、可靠。热继电器应按规定要求调整正确。
4.5.4电气箱、控制箱、接线盒、电磁阀等相互的连接导线均应采用防水的金属软管保护。连接保护软管的进口与出口处,也均应采用防水密封接头连接,以防水或水蒸气进人。
4.5.5 电气各线路的绝缘﹑耐压和保护电路的连续性应符合以下要求。
a)短接的动力电路(包括与动力电路连接的控制电路和信号电路)与保护电路(包括机座)导线之间的绝缘电阻不得小于1 MQ;
b)电气设备必须经受在1 500 V交流电压下1 min的耐压试验;
c)外部保护导线端子与电气设备任何裸露导体零件和产品外壳之间的电阻不得大于0.1 Q。
4.6使用性能要求(见表4)

标准图片预览

QB/T 2247—1996 冰淇淋凝冻机
QB/T 2247—1996 冰淇淋凝冻机
QB/T 2247—1996 冰淇淋凝冻机
QB/T 2247—1996 冰淇淋凝冻机
QB/T 2247—1996 冰淇淋凝冻机

标准内容

QB/T2247—1996
本标准与前版标准的技术内容改变情况如下:言
-将单项RPL产品改为RPL系列产品,见3.1和3.2;对产品型号表示方法作了修改,见3.3;将制冷系统的密封性要求补充为清洁度、干燥度和气密性三项要求,见4.4.4和5.2;-将空运转试验,改为模拟性能试验,见5.4.1;-在检验规则中,增加了检验分类和判定原则,见第6章;取消了属于质量管理和合同之类的有关条文。自本标准实施之日起,原轻工业部发布的专业标准ZBY99008--1989《RPL-300冰淇淋凝冻机》作废。
本标准由中国轻工总会质量标准部提出。本标准由全国轻工业机械标准化技术委员会归口。本标准起草单位:上海轻工装备(集团)总公司星火机械厂。本标准主要起草人:荣国强。
中华人民共和国轻工行业标准
冰淇淋凝冻机
QB/T 2247—1996下载标准就来标准下载网
本标准规定了冰淇淋凝冻机的技术要求、试验方法、检验规则、标志、包装、运输和贮存等。本标准适用于RPL系列冰淇淋凝冻机(以下简称“凝冻机”)。2引用标准
下列标推所包含的条文,通过在本标准中引用而构成为本标准的条文。本标准出版时,所示版本均为有效。所有标准都会被修订,使用本标准的各方应探讨使用下列标准最新版本的可能性。GB/T191--1991包装储运图示标志GB/T5226-1985机床电气设备通用技术条件GB/T13306--1991标牌
QB969--1985冷冻饮品
ZB J50 004—1988
ZB J50 014--1989
3产品分类
型式(见表1)
金属切削机床噪声声压级的测定机床包装技术条件
表1型式
RPL-300 A
RPL-300B
RPL-600
RPL-1 000
基本参数(见表2)
冰淇淋出料温度
制冷量(工况条件:
+30℃/-30℃)
最大生产能力
(kcal/h)
中国轻工总会1996-10-11批准
表2基本参数
RPL-300A
(7300)
自供冷立式单凝冻筒
自供冷卧式单凝冻简
自供冷卧式双凝冻简
外供冷卧式单凝冻简
RPL-300B
RPL-600
(2×7300)
-r KAON KAca-
RPL-1 000
(25000)
1997-07-01实施
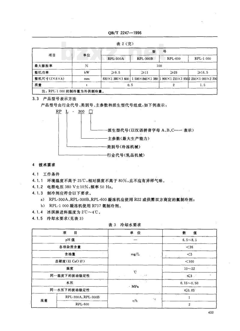
最大膨胀率
整机功率
整机尺寸(lXbXh)
QB/T 2247-—1996
表2(完)
RPL-300A
RPL-300B
RPL-600
RPL-1000
830×1 380X1 6001 500×840×1 38011900×1210×19502250×1000×22000.5
注:RPI-1 000 的制冷量为外供制冷量。3.3产品型号表示方法
产品型号由行业代号、类别号、主参数和派生型代号组成,如下例表示:RPL
4技术要求
4.1工作条件
派生型代号(以汉语拼音字母A、B、C.·表示)主参数(最大生产能力)
类别号(冷冻机械)
行业代号(乳品机械)
4.1.1环境温度不高于25℃,相对湿度不高于80%,且不应有异样气味。4.1.2电源电压380V士10%,频率50Hz。制冷剂应符合以下要求。
RPL-300A、RPL-300B、RPL-600凝冻机应使用R22或供需双方商定的氟制冷剂RPL-1000凝冻机使用R717氨制冷剂。冰淇淋进料温度为2℃~4℃。
冷却水要求(见表3)
表3冷却水要求
各项杂质含量
含油量
总硬度(以 CaO计)
同一温度下的波动稳定性
同一水压下的波动稳定性
RPL-300A、RPL-300B
RPL-600
0.15~0.50
QB/T 2247—1996
4.1.6压缩空气须经干燥过滤处理,压力为0.5MPa~~0.7MPa,在同一压力下的波动稳定性应不大于0.1 MPa。
4.2材料要求
凡与冰淇淋接触的零部件必须采用耐魔蚀、无毒、无味、符合食品卫生要求的材料制造。4.3装配要求
4.3.1各种制冷元器件工作应正确可靠,调节灵活,无异常声响。4.3.2管路应排列整齐,安装牢固,运转时不得有明显振动。4.3.3气压、油压等安全保护装置应动作灵活、安全可靠。4.3.4制冷系统应作清洁度、干燥度和气密性试验,并符合5.2规定。4.3.5减速箱、混和泵(料泵)应运转平稳、灵活,无异常声响。减速箱不渗油。4.4外观质量要求
4.4.1凝冻机的外表应光洁平整,不应有图样上未规定的凹凸不平或其他损伤,相配件在其连接处不应有明显的错位。
4.4.2外露的螺钉、螺栓、螺母、销子不应有明显的扭伤现象,螺栓尾端略突出螺母。4.4.3标牌、指示牌、指示标记均应清晰、牢固和位置正确。4.4.4凡采用黑色金属制作的零件均应采取防锈措施。4.5电气安全要求
4.5.1电气系统布线应整齐美观,固定良好,安全可靠。箱体应有接地装置,并有明显标记。4.5.2导线接头必须牢固,不得松动。电气设备安装应正确、牢靠。4.5.3电气控制系统动作应灵敏、正确、可靠。热继电器应按规定要求调整正确。4.5.4电气箱、控制箱、接线盒、电磁阀等相互的连接导线均应采用防水的金属软管保护。连接保护软管的进口与出口处,也均应采用防水密封接头连接,以防水或水蒸气进人。4.5.5电气各线路的绝缘、耐压和保护电路的连续性应符合以下要求。a)短接的动力电路(包括与动力电路连接的控制电路和信号电路)与保护电路(包括机座)导线之间的绝缘电阻不得小于1MQ;
b)电气设备必须经受在1500V交流电压下1min的耐压试验,c)外部保护导线端子与电气设备任何裸露导体零件和产品外壳之间的电阻不得大于0.1。4.6使用性能要求(见表4)
表4使用性能要求
最大生产能力
冰淇淋出料温度
最大膨胀率
RPL-300A
整机噪声声压级不应大于85dB(A)。5检验方法
5.14.2,4.3和4.4按制造厂整机检验规范进行检验。数
RPL-300B
RPL-600
RPL-1000
5.2清洁度、干燥度和气密性试验应在制冷系统灌注制冷剂前进行,方法如下。5.2.1清洁度试验,用0.5~0.6MPa干氮通人系统内(也可分段进行),将排出气体吹在设置的白纸上,目视检验污物情况。
5.2.2干燥度试验,用真空度计测试,真空度应不低于133Pa。5.2.3气密性试验,对氟制冷系统作1.6MPa气密性试验时,保压24h,压力应保持稳定;对氨制冷系434
HTiKAoNniKAca-
QB/T2247—1996
统作1.6MPa气密性试验时,保压24h,前6h,压力变动不应大于2%,后18h,压力应保持稳定。如环境温度变化,其压力应符合式(1)的计算值。273+路
p统=始273+t始
式中:P始、P终——开始和终止试验时的压力,MPa;始、够开始和终止试验时的环境温度,℃。用温度表、压力表、检漏仪检验。5.3电气安全检验
5.3.14.5.1、4.5.2、4.5.3和4.5.4用目视、手感法检验。5.3.24.5.5按GB/T5226中的有关规定检验。5.4使用性能试验
使用性能试验分模拟试验和实物试验两种方法,使用性能试验条件应符合4.1规定。5.4.1模拟试验
模拟试验以植物油为原料,进料温度不高于10℃,连续运转时间不少于5min。5. 4. 1. 1
试验项目与方法
5. 4. 1.2
运转平稳性和灵活性,用耳听、目视、手感检验;b)
压缩机、阀件和电气装置的安全和工作可靠性,用压力表、温度表、兆欧表检验;c)
噪声声压级按ZBJ50004的规定进行检验;出料温度不高于一15℃,用点温计检验;膨胀率,在允许调整范围内目视变化情况。实物试验
5. 4. 2. 1
5. 4. 2. 2
实物试验以冰淇淋浆料为原料,进料温度不高于4℃,连续运转时间不少于4h。试验项目和方法
出料温度用点温计检验;
b)最大生产能力用容积法检验;最大膨胀率按QB969的有关规定进行检验。c)
6检验规则
凝冻机的检验分为出厂检验和型式检验,6.1出厂检验
6.1.1凝冻机出厂前须经制造厂质量检验部门检验合格并附有合格证才能出厂。6.1.2凝冻机出厂检验项目为4.2、4.3、4.4和5.4.1,实行全检。6.2型式检验
6.2.1有下列情况之一时,应进行型式检验。a)产品试制完成后定型鉴定;
b)正式生产后,如结构、材料、工艺有较大改变,可能影响产品性能时,正常生产时,每两年应进行-次检验;c)
国家质量监督机构提出进行型式检验的要求时。d)
凝冻机抽查数量(按表5)
表5抽查数量
批产量
抽查量
61~100
≥101
QB/T2247-1996
6.2.3型式检验应在出厂检验合格后可在用户单位进行,测试时允许分别调整有关调节部位,测试结果应符合要求。
6.2.4型式检验应按5.4.2规定进行。6.3判定规则
6.3.1出厂检验项目若有一项不合格,则判定该台产品不合格。6.3.2型式检验,若有一项不合格则应按表5规定加倍抽样,重新测试若仍不合格,则该批产品为不合格品。
标志、包装、运输,贮存
7.1标志
凝冻机标牌应固定在适当的明显位置上,标牌的型式与尺寸应符合GB/T13306规定。标牌内容包括:
a)产品型号及名称,
b)产品主要参数;
c)制造日期及出厂编号;
d)制造厂名。
7.2包装
7.2.1凝冻机在包装前必须检查蜗轮减速箱的油面是否达到规定高度。7.2.2产品包装应符合ZBJ50014的有关规定。7.2.3产品使用说明书封面上,必须标有产品标准的代号、编号和名称。7.2.4包装箱箱面上应标有符合GB/T191规定的“小心轻放”、向上”、“由此吊起”、“怕湿”、“重心点”的包装储运图示标志。
7.2.5凝冻机运输应适应陆路和水路运输及装载要求。7.2.6凝冻机在运输装卸过程中应小心轻放、严禁倒置和堆垛。7.3存
7.3.1凝冻机贮存期,环境温度应在5~40℃范围内。7.3.2凝冻机应贮存在通风、干燥、无腐蚀物质的库房内。7.3.3凝冻机贮存期超过六个月应开箱检查,必要时应重新涂油包装。436
HriKAoNiKAca-
小提示:此标准内容仅展示完整标准里的部分截取内容,若需要完整标准请到上方自行免费下载完整标准文档。