首页 > 轻工行业标准(QB) > O8T 2399—1998 手表柄头和柄头管配合尺寸系列
O8T 2399—1998

基本信息

标准号: O8T 2399—1998

中文名称:手表柄头和柄头管配合尺寸系列

标准类别:轻工行业标准(QB)

标准状态:现行

出版语种:简体中文

下载格式:.zip .pdf

下载大小:101614

相关标签: 手表 配合 尺寸

标准分类号

关联标准

出版信息

相关单位信息

标准简介

O8T 2399—1998.
1范围
O8T 2399规定了手表柄头和柄头管的结构、尺寸及公差。本标准适用于有防水标记的手表柄头和柄头管。
2引用标准
下列标准所包含的条文,通过在本标准中引用而构成为本标准的条文。本标准出版时,所示版本均为有效。所有标准都会被修订,使用本标准的各方应探讨使用下列标准最新版本的可能性。
GB/T 1803—-1979公差与配合尺寸至18 mm孔.轴公差带
3结构型式
3.1柄头(见图1)
4.1.2滚花面高度C和柄头高度H(见图1根据实际情况可以变动。
4.1.3柄头管槽深度Ps的最小值应大于柄头管外露长度值。
4.1.4︰柄头密封圈内径应小于柄头管配合直径(d)0.20 mm~0.25 mm。
4.1.5柄盖内径应大于柄头管配合直径(d,)0. 13 mm。
4.1.6对成品表检验时,柄头径向负载为5N,密封性最小应保证2×10Pa。允许使用2个柄头密封圈。
4.1.7︰柄头的标记书写为:D×D,×Pt×P:类型QB/T 2399--1998
例如:4.00×1.17×2.00×1.401型QB/T 2399—-1998
4.2柄头管
4.2.1―柄头管的尺寸系列及公差带代号见表3、表4和表5,其上、下偏差应按GB/T 1803执行。

标准图片预览

O8T 2399—1998 手表柄头和柄头管配合尺寸系列
O8T 2399—1998 手表柄头和柄头管配合尺寸系列
O8T 2399—1998 手表柄头和柄头管配合尺寸系列
O8T 2399—1998 手表柄头和柄头管配合尺寸系列
O8T 2399—1998 手表柄头和柄头管配合尺寸系列

标准内容

QB/T 2399-1998
本标准等效采用国际标准ISO/DIS10522.2:1998计时仪器柄头和柄头管的结构和尺寸》。本标准是对原GB4042--1983&手表柄头管配合尺寸系列》和原GB4044--1983《手表柄头尺寸系列的修订并由国家标准调整为行业标准。本标准与原GB4042—1983和原GB4044—1983的主要差异为:编写格式及表述方法按GB/T1.1—1993执行;一增加了第2章引用标准;
一尺寸系列等效采用国际标准ISO/DIS10522.2。本标准由国家轻工业局行业管理司提出。本标准由全国钟表标准化中心归口。本标准起草单位:丹东手表工业公司。本标准主要起草人:苏福生、任良。本标准自实施之日起,GB4042-1983手表柄头管配合尺寸系列》和GB4044—1983&手表柄头尺寸系列》废止。www.bzxz.net
1范围
中华人民共和国轻工行业标准
手表柄头和柄头管配合尺寸系列本标准规定了手表柄头和柄头管的结构、尺寸及公差。本标推适用于有防水标记的手表柄头和柄头管。2引用标准
QB/T 2399—1998
eqyISo/DIs10522.2:1998
下列标准所包含的条文,通过在本标谁中引用而构成为本标准的条文。本标准出版时,所示版本均为有效。所有标准都会被修订,使用本标准的各方应探讨使用下列标准最新版本的可能性。GB/T1803-1979公差与配合尺寸至18mm孔、轴公差带3结构型式
3.1柄头(见图1)
D—柄头外径(1~2型);Dz—螺纹直径(1~2型),Ds—柄头直径(1~2型),D—滚花面高度(12型);F,——柄头毅凸出长度(1型);F—柄头毅凹进长度(2型);H1 -柄头高度(1~2型);P,—柄头管槽深度(1~2型);P2—螺纹钻孔深度(1~2型)图1柄头
3.2柄头管(见图2)
国家轻工业局1998-11-25批准
HiKAoNiKAca
1999-06-01实施
QB/T2399-1998
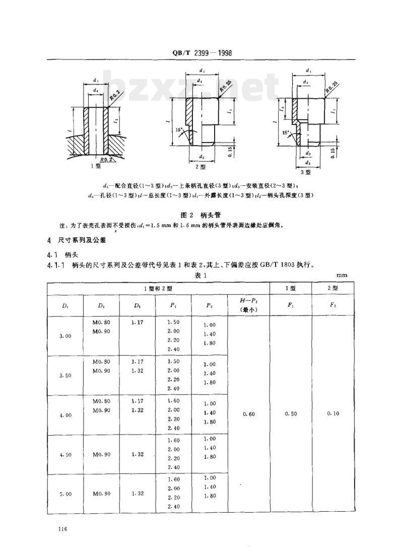
d,—配合直径(1~3型)sd2--上条柄孔直径(3型)rds—安装直径(2~3型),d—孔径(1~3型);1—总长度(13型)—外露长度(1~3型);2—柄头孔深度(3型)图2柄头管
注:为了表壳孔表面不受损伤,dt=1. 5 mm 和 1. 6 mm 的柄头管外表面边缘处应倒角。4尺寸系列及公差
4.1柄头
4.1.1柄头的尺寸系列及公差带代号见表1和表2,其上、下偏差应按GB/T1803执行。表1
1型和2型
(最小)
QB/T 2399-
表1(完)
1型和2型
(最小)
尺寸和公差适用于四出和凹进的柄头2对于薄型机心,若使用D:M0.80,则柄头和柄头管的直径都应相应减小。3使用3型柄头管+2型柄头的柄头毂凹进长度F2应为0.2mm。表2
滚花面高度C和柄头高度H(见图1)根据实际情况可以变动。4. 1.2
柄头管槽深度P,的最小值应大于柄头管外露长度值。4.1.3
柄头密封圈内径应小于柄头管配合直径(d)0.20mm~0.25mm。4. 1.4
4.1.5柄盖内径应大于柄头管配合直径(d,)0.13mm。1型
4.1.6对成品表检验时,柄头径向负载为5N,密封性最小应保证2×105Pa。允许使用2个柄头密封圈。
4.1.7柄头的标记书写为:D×D,×P.×P类型QB/T2399--1998例如:4.00X1.17×2.00X1.401型QB/T2399—19984.2柄头管
4.2.1柄头管的尺寸系列及公差带代号见表3、表4和表5,其上、下偏差应按GB/T1803执行。117
TiikAoNikAca
QB/T2399--1998
1型和2型
柄轴冲程
柄轴冲程
2当柄头管管壁小于0.125mm时,应将柄头管低温焊接。4.2.2
4.2.3冲压的柄头管,最小装配长度应不小于它的装配直径。118
QB/T2399—1998
4.2.4对任何种类的表壳都应规定总长度\\,建议变化范围为0.1mm。4.2.5柄头管的标记书写为:d,×1,类型QB/T 2399-1998
例如:2.00×1.902型
QB/T 2399--1998
HiiKAoNniKAca-
小提示:此标准内容仅展示完整标准里的部分截取内容,若需要完整标准请到上方自行免费下载完整标准文档。