首页 > 轻工行业标准(QB) > QB/T 2401—1998 手表机心的形状、尺寸和名称
QB/T 2401—1998

基本信息

标准号: QB/T 2401—1998

中文名称:手表机心的形状、尺寸和名称

标准类别:轻工行业标准(QB)

标准状态:现行

出版语种:简体中文

下载格式:.zip .pdf

下载大小:95327

相关标签: 手表 形状 尺寸 名称

标准分类号

关联标准

出版信息

相关单位信息

标准简介

QB/T 2401—1998.
1范围
QB/T 2401规定了机械和指针式石英手表机心的形状、装配尺寸和厚度名称。本标准适用于以下4种类型的机心:
—一1型:圆形
——-3型:5/"
——2型;圆切割形
——-4型:6%4×8"
定义和符号
以下定义和符号适用于本标准。
2.机心直径
2.1.1 装配直径d
配壳用的夹板或相应组件的机心直径。
注:如果主夹板的突出部分不超过直径的1.5%,且长度小于闇长的10%,那么,装配直径不包括零件的突出部分。
2.1.2外径dg
机心的最大直径。
2.2机心厚度
2.2.1机械式
2.2.1.1︰机心总厚度2.2.2指针石英式
2.2.2.1不带电池的机心总厚度民
表盘面与装配面突出最低的零件间的最大距离。
2.2.2.2带电池的机心总厚度
表盘面与电池底面间的距离。
注:如果电池不是最突出的部件;机心的总厚度定为。
2.2.2.3包括电池和电池夹的机心总厚度刭
表盘面与电池夹表面间的距离。
注】如果电他夹不是最突出的部件,机心的总厚度定为。
对指针式石英表而言,机心的总厚度不包括由时轮、分轮和中心秒轮组成的轮系,也不包括指针紧固元件及表壳
相连的接地元件的厚度。
3机心形状及尺寸
3.1 1型:圆形机心
3.1.1圆形机心见图1。

标准图片预览

QB/T 2401—1998 手表机心的形状、尺寸和名称
QB/T 2401—1998 手表机心的形状、尺寸和名称
QB/T 2401—1998 手表机心的形状、尺寸和名称
QB/T 2401—1998 手表机心的形状、尺寸和名称
QB/T 2401—1998 手表机心的形状、尺寸和名称

标准内容

QB/T2401—1998
本标推等同采用国际标推ISO3764:1997。本标准是对原GB40401983《圆形表机配壳直径尺寸系列的修订,并调整为行业标准。其技术内容与ISO3764:1997等同。原国家标准GB4040—1983只涉及到圆形机心,本标准根据修订后的ISO 3764增加了手表异形机心的内容。本标准与原GB4040--1983的主要差异为:题目按修订后标推的内容,改为“手表机心的形状,尺寸和名称”;第1章(范围)增加了圆切割形5\和6%×8\机心一增加了第2章定义和符号、第3章(机心形状及其尺寸)、第4章(机心厚度名称)。本标准由国家轻工业局行业管理司提出。本标准由全国钟表标准化中心归口。本标准起草单位:中国轻工总会钟表研究所。本标准主要起草人:林书琴、杨建。本标准自实施之日起,原GB4040--1983圆形表机配壳直径尺寸系列》废止。124
QB/T2401—1998
ISO前言
ISO(国际标准化组织)是国家标准团体(ISO成员团体)在世界范围内的联合组织。制定国际标准的工作,通常由ISO技术委员会来完成。对技术委员会确立的课题感兴趣的每个成员团体,有权参加该委员会。与ISO联络的政府和非政府的国际组织,也参与此项工作。在所有电工标准方面,ISO与国际电工委员会(IEC)紧密合作。
技术委员会通过的国际标准草案要分发给成员团体表快,至少有75%的成员团体投票赞成,才能作为国际标准正式出版。
国际标准ISO3764是由ISO/TC114钟表技术委员会,SC7总尺寸分技术委员会起草的。125
HiiKAoNniKAca
1范围
中华人民共和国轻工行业标准
手表机心的形状、尺寸和名称
QB/T 2401-1998
idt ISO 3764:1997
本标准规定了机械和指针式石英手表机心的形状、装配尺寸和厚度名称。本标准适用于以下4种类型的机心:1型:圆形
2型:圆切割形
2 定义和符号
以下定义和符号适用于本标难。2.1机心直径
2.1.1装配直径d
配壳用的夹板或相应组件的机心直径-3型:5%\
-4型:6%×8\
注:如果主夹板的突出部分不超过直径的1.5%,且长度小于周长的10%,那么,装配直径不包括零件的突出部分。2.1.2外径d
机心的最大直径。
2.2机心厚度
2.2.1机械式
2.2.1.1机心总厚度t
2.2.2指针石英式
2.2.2.1不带电池的机心总厚度11表盘面与装配面突出最低的零件间的最大距离。2.2.2.2带电池的机心总厚度12
表盘面与电池底面间的距离。
注:如果电池不是最突出的部件,机心的总厚度定为1。2.2.2.3包括电池和电池夹的机心总厚度13表盘面与电池夹表面间的距离。注
如果电池夹不是最突出的部件,机心的总厚度定为1。1
2对指针式石英表而言,机心的总厚度不包括由时轮、分轮和中心秒轮组成的轮系,也不包括指针紧固元件及表壳相连的接地元件的厚度。
3机心形状及尺寸
3.11型:圆形机心
3.1.1圆形机心见图1。
国家轻工业局1998-11-25批准
1999-06-01实施
3.1.2圆形机心尺寸及精度见表1。di
公差h8
1d,\值是优选值。
2公差仅适用于金属机心。
3.22型:圆切割形机心
3.2.1圆切割形机心见图2。
QB/T 2401 1998
di一装配直径;d:一外径
公差h8
公差h8
Q-宽度tdl—装配直径;d2—外径图2
HiiKAoNiKAca
公差h8
圆切割形机心尺寸及精度见表2。d
公差h8
公差仅适用于金属机心。
2 宽度α不作规定。
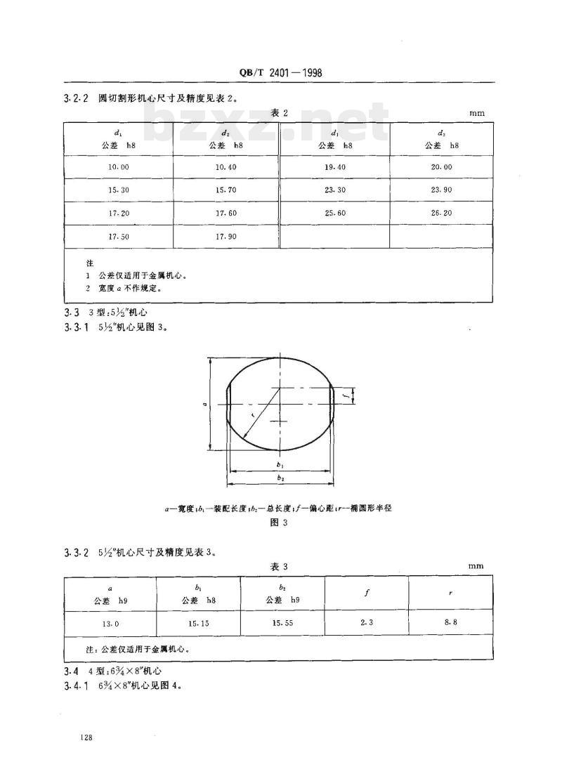
3.33型:5\机心
3.3.15%\机心见图3。
QB/T 2401—1998
公差h8
公差h8
a—宽度h—装配长度—总长度—偏心距tr—圆形半径图3
3.3.25%\机心尺寸及精度见表3。表3
公差h9
公差h8
注:公差仅适用于金属机心。
3.44型:6%×8机心
3.4.16%×8\机心见图4。
公差h9
QB/T 2401 -- 1998
d--装配直径:d2—外径1a—宽度:b1—装配长度,bz-—总长度1ct—平直部分的长度#c2——倒棱长度图4
3.4.26%×8\机心尺寸及精度见表4。表4
公差h8
公差h8
注:公差仅适用于金属机心
机心厚度名称
4.1机械手表
机械手表机心见图5。
4.2指针式石英手表
公差h9
表盘支排面
装配面Www.bzxZ.net
一机心总厚度
TriKAoNiKAca
指针式石英手表机心见图6。
表盘支撑面
装配面
QB/T 2401—1998
l1一机心总厚度:t2—带电池的机心总厚度a——包括电池和电池夹的机心总厚度图6
小提示:此标准内容仅展示完整标准里的部分截取内容,若需要完整标准请到上方自行免费下载完整标准文档。