首页 > 国家标准(GB) > GB 18533-2001 车间空气中多次甲基多苯基多异氰酸酯职业接触限值
GB 18533-2001

基本信息

标准号: GB 18533-2001

中文名称:车间空气中多次甲基多苯基多异氰酸酯职业接触限值

标准类别:国家标准(GB)

英文名称: Occupational exposure limits for polyisocyanates of methyl polyphenyl in the air of workplaces

标准状态:已作废

发布日期:2001-01-02

实施日期:2002-05-01

出版语种:简体中文

下载格式:.rar.pdf

下载大小:120783

相关标签: 车间 空气 甲基 苯基 异氰酸酯 职业 接触 限值

标准分类号

标准ICS号:环保、保健与安全>>13.100职业安全、工业卫生

中标分类号:医药、卫生、劳动保护>>卫生>>C52劳动卫生

关联标准

替代情况:作废;

出版信息

出版社:中国标准出版社

书号:155066.1-18229

页数:平装16开, 页数:6, 字数:8千字

标准价格:8.0 元

出版日期:2004-04-18

相关单位信息

首发日期:2001-12-04

复审日期:2004-10-14

起草单位:交通部海洋水下工程科学研究院

归口单位:卫生部

发布部门:中华人民共和国国家质量监督检验检疫总局

主管部门:卫生部

标准简介

本标准规定了车间空气中多次甲基多苯基多异氰酸酯最高容许浓度和时间加权平均容许浓度及其监测检验方法。本标准适用于生产和使用多次甲基多苯基多异氰酸酯的各类工业企业。 GB 18533-2001 车间空气中多次甲基多苯基多异氰酸酯职业接触限值 GB18533-2001 标准下载解压密码:www.bzxz.net

标准图片预览

GB 18533-2001 车间空气中多次甲基多苯基多异氰酸酯职业接触限值
GB 18533-2001 车间空气中多次甲基多苯基多异氰酸酯职业接触限值
GB 18533-2001 车间空气中多次甲基多苯基多异氰酸酯职业接触限值
GB 18533-2001 车间空气中多次甲基多苯基多异氰酸酯职业接触限值

标准内容

GB18533—2001
本标准是根据毒理学实验、劳动卫生学和流行病学调查资料,并参考国外异靠酸酯类化合物职业接触限值而制定的,是用于作业场所的环境监测和卫牛监督的卫生标准。本标准从2002年5月1H起实施
本标推的录A是标准的附录。
本标准出中华人民共和国卫生部提出,本标准责起草单位:通部海洋水下工程科学研究院,中国石油天然气总公司劳资局;参加起草单位;胜利右油管理局卫生防疫站。本标准主要起草人:张耀然,礼新,陈迈若、赵长虹、张延猛、乔东亮、田国雄。本标准委托巾国预防医学科学院劳动卫生与职业病研究所负责解释1范围
中华人民共和国国家标准 
车间空气中多次甲基多苯基多异氰酸酯职业接触限值
Occupational exposure limit for polymethylene polyphenyisocyanate(PMPPI)in theair of workplaceGB 18533—-2001
本标准规定了车问空气中多次甲基多苯基多异氰酸酯最高容许浓度和时间加权平均容许浓度及其监测检验方法。免费标准下载网bzxz
本标准适用于生产和使用多次甲基多苯基多异氰酸酯的各类工业企业。2卫生要求
车间空气中多饮甲基多苯基多异氟酸酯最高容许浓度为0.5mg/m,时间加权平均容许浓度为0. 3 mg/m.
3监测检验方法
本标准的监测检验方法采用分光光度法,见附录A(标准的附录)。中华人民共和国留家质量监检验检疫总局2001-12-04批准2002-05-01实施
A1原理
GB18533-2001
附录A
(标准的附录)
车间空气中多次甲基多萍基多异氰酸酯(PMPPI)分光光度测定法
PMPPI水解产生的芳香胺与亚硝酸钠重氮化后,再与盐酸蔡乙二胺偶合生成紫红色,比色定量。A2仪器
A2.1大型气泡吸收管或冲击式吸收管。A2.2空气采样器:流量范围0~2L/min。A2.3具塞比色管:25ml.。
A2.4分光光度计.1cm比色杯。
A3试剂
实验用水为蒸馏水。
A3. 1 盐酸:02n-1.15 g/mL.
A3.2乙酸:P=1.05g/mL.
A3.3吸收液:约6)mL水巾加人12mL盐酸和23mL乙酸,用水稀释成1000mL。A3.4盐酸溶液(1.2mol/L):取37mL盐酸,用水稀释至1000ml.gA3.5乙酸溶液(0.6mol/L):量取34mL乙酸,用水稀释至100Uml.A3.6亚硝酸钠-溴化钠游液:称取3.0g亚硝酸钠和5.0g溴化钠.用801L水溶解后,再稀释成100 mL.
A3.7氨基磺酸铵溶液:称取10g氮基磺酸铵,加水溶解后.再稀释成100mL。A3.8盐酸萘乙二胺溶液:称取0.1&盐酸萘乙二胺,加25mL水溶解,再加1mL盐酸,再用水稀释成100ml。
A3.9标准溶液
A液:称取0.5000gPMPPI.溶于660mL乙酸中,搅拌溶解后用水稀释成1000mL,于15nin内制成B液,B液:推确垦取10ml.A液于1000mL容量瓶中,加人27mL乙酸.用水稀释至刻度。A4采样
将装有10mL吸收液的吸收管以11./min的流量抽取50L空气。A5分析步骤
A5.1对照试验:将装有10ml.吸收液的吸收臂,带至现场,除不采集空气外,其余操作同样品,作为空白对照。
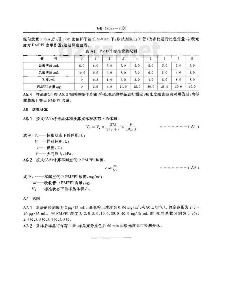
a5.2样品处理,深样后,用吸收管中的吸收液洗涤进气管内壁3次后,将吸收液倒入比色普中,用约5mL吸收液洗涤吸收管2~3次,将此洗漆液并人比色管中,再用吸收液稀释至15ml,刻度,供测定用。A5.3标准曲线的绘制:取9只比色管,按表A1配制标准管。向各标准管中加人0.5mL亚硝酸钠-溴化钠溶液,混匀放罩90,加入1mL氢基磺酸铵溶液,混勾放置2min,加入1mI.盐酸乙二胺溶液,GB18533—2001
混封效置 5min后,用1 cm 比色杯于波长550 nm下,以试剂空(0管)为参比进行比色定呆,以吸光度对PMPPI含量作图,绘制标准曲线。表Al
盐酸溶液,nl
乙酸溶液,ml
B液,mL
PMPPI含量+μ8
PMPPI 标管的配制
A5.4样品测定:按A5.3相同的操作步骤,将处理后的样品进行测定,吸光度减去空白对照值后,由标准曲线上查出 PMPPT 含量。
A6结果计算
A6-1按式(A1)将样品体积换算成标准状态下的体积:V=VX
标推状态下的体积,L;
V.--样品体积,L.
t— 温度,C.
大气压力,kPa。
A6-2按式(A2)计算车间空气中PMPPI浓度:273
273 + t
式中:e—车间空气中PMPPI浓度.mg/m*;一吸收管中PMPPI含量,μg;
V一标准状态下的样品体积,I.。A7说明
(A1))
....(A2 )
A7.1本法的检测限为2μg/15ml.。最低检出浓度为0.04mg/m(采50L空气)。测定范围为2.5~40g/15mL。当PMPPI浓度为2.5,5.0,10.0,30.0,40.0g/15ml时,变异系数分别为5.8%,4.6%.3.8%,3.1%.2.8%
A7.2采样后样品可保存1天;样品充分显色后60min内吸光度无可检测变化。
小提示:此标准内容仅展示完整标准里的部分截取内容,若需要完整标准请到上方自行免费下载完整标准文档。