首页 > 其他行业标准 > FZ/T 63006-2019松紧带
FZ/T 63006-2019

基本信息

标准号: FZ/T 63006-2019

中文名称:松紧带

标准类别:其他行业标准

英文名称:Elastic webbing

标准状态:现行

发布日期:2019-11-11

实施日期:2020-04-01

出版语种:简体中文

下载格式:.pdf .zip

标准分类号

标准ICS号:纺织和皮革技术>>纺织产品>>59.080.99其他纺织产品标准

中标分类号:纺织>>纺织制品>>W58线、带、绳

关联标准

替代情况:替代FZ/T 63006-2010

出版信息

出版社:中国标准出版社

页数:12页

标准价格:16.0

出版日期:2019-12-01

相关单位信息

起草人:何平、俞伟琴、郑家茂、杜刚伟、韩亦文、徐振亚、吴小孟、张鑫鳌、贺美娣

起草单位:江苏金秋弹性织物有限公司、上海市纺织工业技术监督所、浙江澳亚织造股份有限公司、上海纺织集团检测标准有限公司、江苏大欣织带有限公司、广州检验检测认证集团有限公司、东莞润信弹性织物有限公司

归口单位:全国家用纺织品标准化技术委员会线带分技术委员会(SAC/TC 302/SC 2)

提出单位:中国纺织工业联合会

发布部门:中华人民共和国工业和信息化部

主管部门:工业和信息化部

标准简介

本标准规定了松紧带的术语和定义、产品分类、要求、试验方法、检验规则、包装标志、运输贮存。 本标准适用于由各类天然纤维、化学纤维与乳胶丝、氨纶通过机织、针织及编织工艺加工成的松紧带。添加其他弹性材料的可参照执行。本标准不适用于非民用带。


标准图片预览

FZ/T 63006-2019松紧带
FZ/T 63006-2019松紧带
FZ/T 63006-2019松紧带
FZ/T 63006-2019松紧带
FZ/T 63006-2019松紧带

标准内容

ICS59.080.99
中华人民共和国纺织行业标准
FZ/T 63006—2019
代替FZ/T63006—2010
Elastic webbing
2019-11-11发布
中华人民共和国工业和信息化部2020-04-01实施
本标准按照GB/T1.1一2009给出的规则起草。FZ/T63006—2019
本标准代替FZ/T63006—2010《松紧带》,与FZ/T63006—2010相比,除编辑性修改外主要技术变化如下:
修改了标准的适用范围,增加“氨纶”,特种用带明确为“非民用带”(见第1章,2010年版的第1章);
一更新了规范性引用文件(见第2章,2010年版的第2章);一修改了宽度偏差/率、伸长比偏差率指标(见第5章表1,2010年版的第5章);-增加了单位长度质量偏差率、水洗尺寸变化率的考核及试验方法等相关内容(见第5章表1、6.2、6.5);
提高了合格品的拉伸弹性回复率合格品指标(见第5章表1,2010年版的第5章);修改了外观质量(见5.2,2010年版的第5章、第8章)修改了产品的安全性能要求(见5.3,2010年版的第5章);修改了耐皂洗色牢度试验的条件(见6.5,2010年版的第6章)本标准由中国纺织工业联合会提出。本标准由全国家用纺织品标准化技术委员会线带分技术委员会(SAC/TC302/SC2)归口。本标准起草单位:江苏金秋弹性织物有限公司、上海市纺织工业技术监督所、浙江澳亚织造股份有限公司、上海纺织集团检测标准有限公司、江苏大欣织带有限公司、广州检验检测认证集团有限公司、东莞润信弹性织物有限公司。
本标准主要起草人:何平、俞伟琴、郑家茂、杜刚伟、韩亦文、徐振亚、吴小孟、张鑫鳌、贺美娣。本标准所代替标准的历次版本发布情况为:-FZ/T63006-1996、FZ/T63006—2010。I
1范围
公紧带
FZ/T63006—2019
本标准规定了松紧带的术语和定义、产品分类、要求、试验方法、检验规则、包装、标志、运输、贮存。本标准适用于由各类天然纤维、化学纤维与乳胶丝、氨纶通过机织、针织及编织工艺加工成的松紧带。添加其他弹性材料的可参照执行。本标准不适用于非民用带。
2规范性引用文件
下列文件对于本文件的应用是必不可少的。凡是注日期的引用文件,仅注日期的版本适用于本文件。凡是不注日期的引用文件,其最新版本(包括所有的修改单)适用于本文件。GB/T250
纺织品色牢度试验
评定变色用灰色样卡
评定沾色用灰色样卡
GB/T251
1纺织品1
色牢度试验
GB/T2828.1计数抽样检验程序第1部分:按接收质量限(AQL)检索的逐批检验抽样计划GB/T3920纺织品色牢度试验耐摩擦色牢度GB/T3921一2008纺织品色牢度试验耐皂洗色牢度纺织品
GB/T8629—2017
GB/T8630
GB18401
试验用家庭洗涤和干燥程序
纺织品洗涤和干燥后尺寸变化的测定国家纺织产品基本安全技术规范GB/T24250机织物疵点的描述
GB31701
婴幼儿及儿童纺织产品安全技术规范FZ/T60021织带产品物理机械性能试验方法FZ/T70004纺织品针织物点术语
3术语和定义
GB/T24250、FZ/T70004中界定的以及下列术语和定义适用于本文件。3.1
toothed seivedge
呈起伏波浪状的织带边缘。
伸长比
ratioofelongation
10cm长度与拉伸至极限后长度之比。3.3
单位长度质量
unit lengthweight
1m长度织带的质量。
FZ/T63006—2019
4产品分类
按松紧带加工工艺可分为机织松紧带、编织松紧带、针织松紧带。5要求
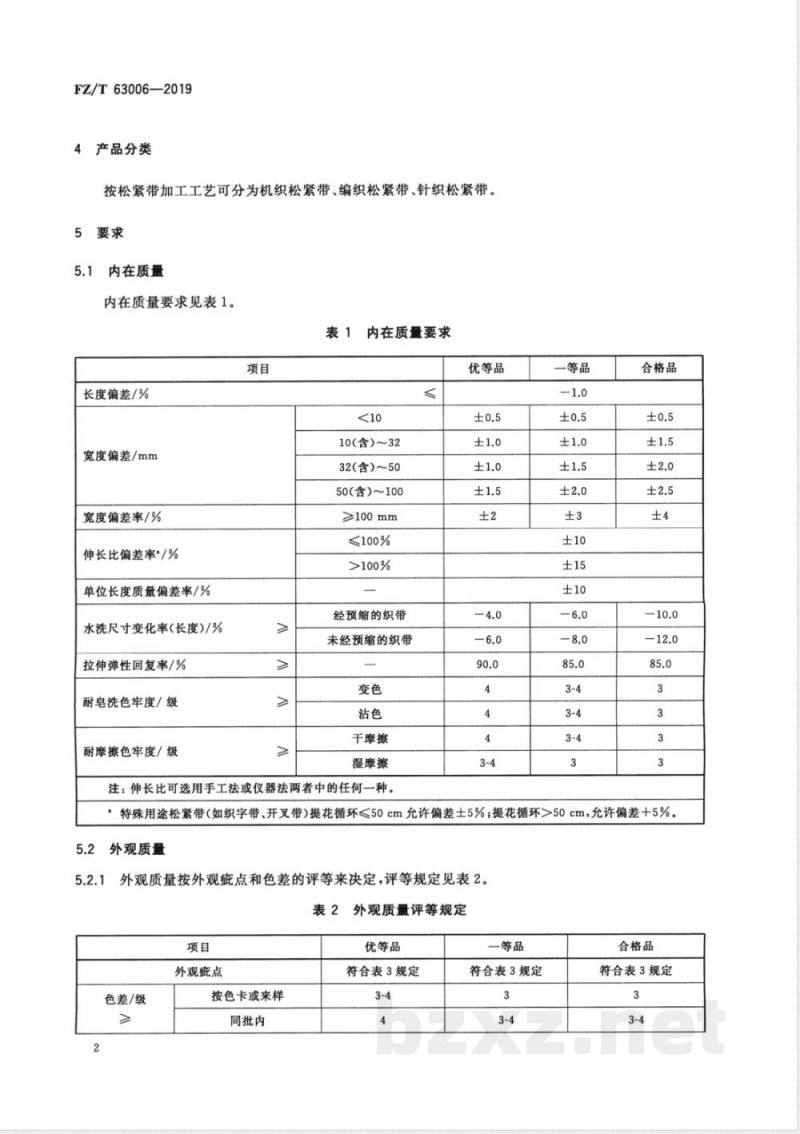
内在质量
内在质量要求见表1。
长度偏差/%
宽度偏差/mm
宽度偏差率/%
伸长比偏差率*/%
单位长度质量偏差率/%
水洗尺寸变化率(长度)/%
拉伸弹性回复率/%
耐皂洗色牢度/级wwW.bzxz.Net
耐摩擦色牢度/级
内在质量要求
优等品
10(含)~32
32(含)~50
50(含)~100
≥100mm
≤100%
经预缩的织带
未经预缩的织带
干摩擦
湿摩擦
注:伸长比可选用手工法或仪器法两者中的任何一种。±0.5
一等品
合格品
特殊用途松紧带(如织字带、开叉带)提花循环≤50cm允许偏差土5%;提花循环>50cm,允许偏差+5%。5.2
外观质量
外观质量按外观疵点和色差的评等来决定,评等规定见表2。5.2.1
外观质量评等规定
外观症点
色差/级
按色卡或来样
同批内
优等品
符合表3规定
一等品
符合表3规定
合格品
符合表3规定
包装允许段数
表2(续)
优等品
一等品
FZ/T63006—2019
合格品
平均每并50m允许2刀3段,每段长度不低于2m平均每百米允许5刀6段,每段长度不低于2m平均每百米允许5刀6段,每段长度不低于2m平均每百米允许3刀4段,每段长度不低于2m注:松紧带的宽度>100mm,以上包装的段数(接头数)允许增加一倍。5.2.2
外观疵点规定见表3。
表3外观疵点规定
疵点分类
断经/漏针
机织松紧带
不允许
量取长度50cm带子平摊。带宽为32mm及以下时,带子弦与弧度顶点距离在35mm以内允许;带宽大于32mm时,带子弦与弧度顶点距离在30mm以内允许
以一根为限,断头6cm以内允许4处,且间隔距离在75cm以上
凹形深度大于1mm,在5mm以内的允许4处,间隔100cm以上
针织松紧带
不允许
量取长度50cm带子平摊,
带子弦与弧度顶点距离在
25mm以内允许
≤5处,且间隔距离85cm
不允许
以一根为限,长度20mm以
内允许3处。且间隔距离
在3m以上
凹形深度大于1mm,在
5mm以内的允许4处,间
隔100cm以上
轻微允许
不允许
编织松紧带
不允许
量取50cm带子平摊,带子
弦与弧度顶点距离在
35mm以内允许
允许不超过带面宽度偏差
范围1处
以一根为限,允许20mm以
内允许3处,且间隔在3m
凹形深度大于1mm,在
5mm以内的允许4处,间隔
100cm以上
注1:在50m长的织带上,机织松紧带、编织松紧带允许上述疵点3项,针织松紧带允许上述疵点2项。重叠疵点按严重考核。长度不足或长度超出按比例折算。注2:污渍深度按GB/T251评定,4级为轻微,3-4级及以下为明显。污溃面积:≤1cm2,或单根纱线油污溃其长度≤50cm。
注3:凡未列入本标准的外观疵点可参照本标准中的外观症点类似项目评定。5.3
安全性要求
产品安全技术规范应符合GB18401的要求。应用于婴幼儿及儿童的织带产品安全技术规范应符合GB31701的要求。
FZ/T63006—2019
5.4分等规定
5.4.1松紧带的质量等级分为优等品、一等品、合格品,低于合格品的为不合格品。5.4.2松紧带最终质量等级按内在质量和外观质量检验结果最低一项评等。6试验方法
长度、宽度、单位长度质量偏差率6.1.1按FZ/T60021规定执行。
宽度偏差率按式(1)计算:
式中:
K宽度偏差率,%
P—实测宽度,单位为毫米(mm);P
明示的宽度,单位为毫米(mm)。6.1.3单位长度质量偏差率按式(2)计算:c
式中:
单位长度质量偏差率,%;
P-P.×100
F——实测单位长度重量,单位为克(g);F。一明示的单位长度重量,单位为克(g)。6.2伸长比偏差率
6.2.1手工法
·(1)
·(2)
任取三盘(筒、绞)试样,使带子在无张力的自然状态下平摊在检测台上,在带子中间任取一段用直尺标出相隔10cm的两点,慢慢将其拉伸至极限为止,测量标出的两点间距离,按式(3)计算其伸长比,共测三次取平均值;按式(4)计算其伸长比偏差率。L、
式中:
L、——实测伸长比,%;
式中:
拉伸至极限后的读数,单位为厘米(cm)。E.
伸长比偏差率,%;
伸长明示的比,%。
6.2.2仪器法
按FZ/T60021规定执行。
·(3)
(3)
6.3拉伸弹性回复率
按FZ/T60021规定执行。其中定伸长50%,反复拉伸次数5次。6.4水洗尺寸变化率
FZ/T63006—2019
按GB/T8629—2017、GB/T8630A型洗衣机,洗涤按4N程序执行,干燥按程序A悬挂晾干执行。
6.5耐皂洗色牢度
按GB/T3921-2008规定A(1)执行。6.6耐摩擦色牢度
按GB/T3920规定执行。
6.7外观质量检验
外观质量检验条件
采用室内北向自然光源或日光灯照明,避免阳光直射试样。采用灯光检验时,以40W加罩青光日光灯管(2~3)根,照度不低于6001x。6.7.2
外观质量检验规定
6.7.2.1检验时应将产品平摊在检验台上,检验人员的视线应正视平摊产品的表面,目光与产品距离为40cm左右。
6.7.2.2疵点长度以疵点最大长度量计。6.7.2.3
外观质量检验中,色差按GB/T250评定。7检验规则
7.1取样规定
同一品种、原料、规格及同一颜色生产的交货批作为一个检验批,各项指标检测样本均应从检验7.1.1
批中随机抽取。
内在质量批按检验批随机抽样,抽样数量及试验次数规定见表4。表4松紧带内在质量检验每批抽取试样数量的规定项目
伸长比偏差率
拉伸弹性回复率
单位长度质量偏差率
水洗尺寸变化率
数量(盘、简、绞、包)
FZ/T63006—2019
耐皂洗色牢度
耐摩擦色牢度
表4(续)
数量(盘、筒、绞、包)
外观质量批以盘、筒、绞、包(横装)为单位抽验,抽样数量按照GB/T2828.1规定,具体抽样方案见表5。
表5松紧带外观质量检验抽样方案批量范围N
91~150
151~280
281~500
501~1200
样本大小n
注:当批量范围小于样本大小时,全数检验。2判定
内在质量批的判定
合格判定数Ac
单位为盘、筒、绞、包(横装)不合格判定数Re
内在质量批按5.1进行验收,验收方法按6.1~6.6执行,检验结果以全部抽验样品合格作为全批合格。
外观质量批的判定
外观质量批按5.2进行验收,结果判定按表5执行,不合格数小于或等于Ac,则判检验批合格;不合格数大于或等于Re,则判检验批不合格。7.2.3综合质量批的判定
综合质量批判定按内在质量抽样检验和外观质量抽样检验中最低品等评定。7.3复验
如供需双方对检验结果或质量有异议时,在规定期限内,可由双方重新抽取相同数量的产品进7.3.1
行复验。
复验结果的判定同7.2
复验以一次为准,凡判定合格的应作全批合格;判定不合格的应作全批不合格。7.3.3
8包装、标志、运输、购存
FZ/T63006—2019
8.1不同批号、品种、规格和等级的产品应分别包装,并有区别标志,外包装分别标明货号、品名、规格、数量、等级、厂名、厂址、生产日期、执行产品标准编号、是否经过预缩。8.2松紧带一般采用盘装、筒装、绞装、横装,根据宽度不等,分别以25m、30m、50m、100m、200m、300m、400m等长度包装,也可根据用户要求采用散装,或开裁成用户接受长度成捆包装。并且内包数量和品种规格应相符。
8.3运输、贮存:
松紧带成品的运输应按批堆放,堆放不易过高,禁止倒置、侧压,以免产品受损。一贮存时应防潮、防霉、防高温,保质期限为2年,漂白色保质期宜为1年。9其他
用户对本标准有特殊要求时,供需双方另订协议。
小提示:此标准内容仅展示完整标准里的部分截取内容,若需要完整标准请到上方自行免费下载完整标准文档。