首页 > 其他行业标准 > JB/T 4210.3-2014六角螺母冷镦模 第3部分:整形顶杆
JB/T 4210.3-2014

基本信息

标准号: JB/T 4210.3-2014

中文名称:六角螺母冷镦模 第3部分:整形顶杆

标准类别:其他行业标准

标准状态:现行

发布日期:2014-07-09

实施日期:2014-11-01

出版语种:简体中文

下载格式:.pdf .zip

相关标签: 六角 螺母 冷镦 整形 顶杆

标准分类号

中标分类号:机械>>工艺装备>>J46模具

关联标准

替代情况:替代JB/T 4210.3-1996

出版信息

出版社:机械工业出版社

标准价格:12.0

出版日期:2014-11-01

相关单位信息

发布部门:中华人民共和国工业和信息化部

标准简介

本部分规定了六角螺母冷镦模的整形顶杆的结构型式与尺寸、材料及硬度、要求和标记。 本部分适用于螺母自动冷镦机用六角螺母冷镦模。


标准图片预览

JB/T 4210.3-2014六角螺母冷镦模 第3部分:整形顶杆
JB/T 4210.3-2014六角螺母冷镦模 第3部分:整形顶杆
JB/T 4210.3-2014六角螺母冷镦模 第3部分:整形顶杆
JB/T 4210.3-2014六角螺母冷镦模 第3部分:整形顶杆
JB/T 4210.3-2014六角螺母冷镦模 第3部分:整形顶杆

标准内容

ICS25.120.30
备案号:47508—2014
中华人民共和国机械行业标准
JB/T4210.3—2014
代替JB/T4210.3—1996
六角螺母冷模
第3部分:整形顶杆
Coldheadingdies for hexagon nuts—Part3:Sizingkickerpins2014-07-09发布
2014-11-01实施
中华人民共和国工业和信息化部发布前言
规范性引用文件
结构型式与尺寸..
材料及硬度
整形项杆
整形项杆尺寸
JB/T4210.3—2014
JB/T4210.3—2014
JB/T4210《六角螺母冷镦模》分为十一个部分:第1部分:整形冲头;
第2部分:整形凹模;
第3部分:整形顶杆;
第4部分:镦球冲头;
一第5部分:镦球凹模;
第6部分:镦球推杆;
第7部分:镦六角上冲头;
第8部分:镦六角下冲头;
第9部分:镦六角凹模;
一第10部分:冲孔冲头;
第11部分:冲孔凹模。
本部分为JB/T4210的第3部分。
本部分按照GB/T1.1—2009给出的规则起草。本部分代替JB/T4210.3—1996《冷镦六角螺母模具整形顶料杆》,与JB/T4210.3—1996相比主要技术变化如下:
将JB/T4210.3一1996《冷镦六角螺母模具整形顶料杆》更名为《六角螺母冷模第3部分:整形顶杆》;
将规范性引用文件中注日期引用的文件改为现行版本;一按技术制图国家标准现行版本修改了零件表面粗糙度、倒角、形状和位置公差的标注;一补充或修改了零件图缺漏或错标的尺寸,并修改了相应的图注和表格:修改了标记。
本部分由中国机械工业联合会提出。本部分由全国模具标准化技术委员会(SAC/TC33)归口。本部分起草单位:深圳中航技术检测所、桂林电子科技大学、北京机电研究所、桂林电器科学研究院有限公司。
本部分主要起草人:魏居锋、廖宏谊、蒋鹏、朱磊文、张旭敏、翁史振、宋彤、王学林。本部分所代替标准的历次版本发布情况为:JB4210.3—1986,JB/T4210.3—1996。1范围
六角螺母冷镦模第3部分:整形顶杆JB/T4210.3—2014
JB/T4210的本部分规定了六角螺母冷镦模的整形顶杆的结构型式与尺寸、材料及硬度、要求和标记。
本部分适用于螺母自动冷镦机用六角螺母冷镦模。规范性引用文件wwW.bzxz.Net
下列文件对于本文件的应用是必不可少的。凡是注日期的引用文件,仅注日期的版本适用于本文件。凡是不注日期的引用文件,其最新版本(包括所有的修改单)适用于本文件。GB/T6170—20001型六角螺母
GB/T6171-20001型六角螺母细牙GB/T6175—20002型六角螺母
GB/T6176—20002型六角螺母细牙JB/T4213紧固件冷镦模技术条件3
结构型式与尺寸
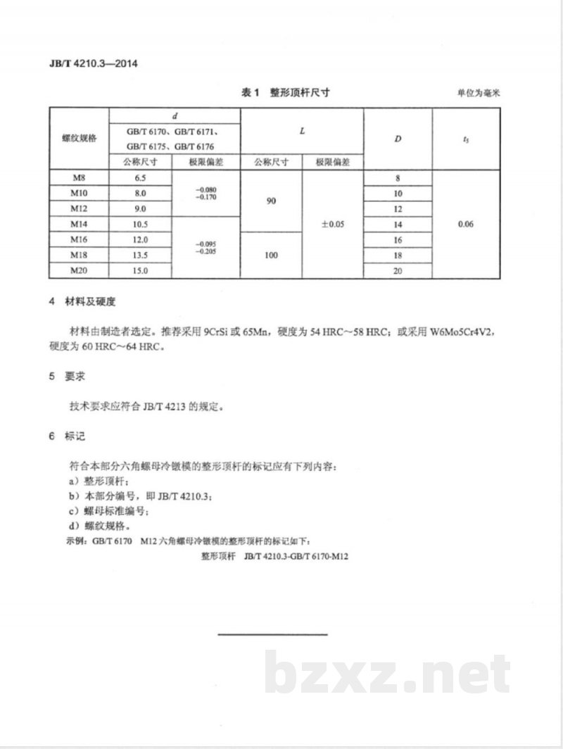
整形顶杆的结构型式与尺寸如图1所示及见表1。Ra0.8
未注表面粗糙度为Ra6.3μm。
未注棱边倒角为co.5mm。
广由制造者确定。
整形顶杆
JB/T4210.3—2014
螺纹规格
材料及硬度
GB/T6170、
GB/T6171、
GB/T6175、
公称尺寸
GB/T6176
极限偏差
整形顶杆尺寸
公称尺寸
极限偏差
单位为毫米
材料由制造者选定。推荐采用9CrSi或65Mn,硬度为54HRC~58HRC;或采用W6Mo5Cr4V2硬度为60HRC~64HRC。
5要求
技术要求应符合JB/T4213的规定。标记
符合本部分六角螺母冷镦模的整形项杆的标记应有下列内容:a)整形顶杆;
即JB/T4210.3;
b)本部分编号,
c)螺母标准编号:
d)螺纹规格。
示例:GB/T6170
M12六角螺母冷镦模的整形顶杆的标记如下:整形项杆
JB/T4210.3-GB/T6170-M12
JB/T4210.3-2014
中华人民共
机械行业标准
六角螺母冷模第3部分:整形顶杆JB/T4210.3—2014
机械工业出版社出版发行
北京市百万庄大街22号
邮政编码:100037
210mm×297mm?0.5印张·8千字
2014年12月第1版第1次印刷
定价:12.00元
书号:15111·12551
网址:http://www.cmpbook.com编辑部电话:
(010)88379778
直销中心电话:
(010)88379693
封面无防伪标均为盗版
版权专有
侵权必究
小提示:此标准内容仅展示完整标准里的部分截取内容,若需要完整标准请到上方自行免费下载完整标准文档。