首页 > 其他行业标准 > JB/T 4210.5-2014六角螺母冷镦模 第5部分:镦球凹模
JB/T 4210.5-2014

基本信息

标准号: JB/T 4210.5-2014

中文名称:六角螺母冷镦模 第5部分:镦球凹模

标准类别:其他行业标准

标准状态:现行

发布日期:2014-07-14

实施日期:2014-11-01

出版语种:简体中文

下载格式:.pdf .zip

相关标签: 六角 螺母 冷镦 凹模

标准分类号

中标分类号:机械>>工艺装备>>J46模具

关联标准

替代情况:替代JB/T 4210.6-1996;JB/T 4210.7-1996

出版信息

出版社:机械工业出版社

标准价格:12.0

出版日期:2014-11-01

相关单位信息

起草单位:上海交通大学等

发布部门:工业和信息化部

标准简介




标准图片预览

JB/T 4210.5-2014六角螺母冷镦模 第5部分:镦球凹模
JB/T 4210.5-2014六角螺母冷镦模 第5部分:镦球凹模
JB/T 4210.5-2014六角螺母冷镦模 第5部分:镦球凹模
JB/T 4210.5-2014六角螺母冷镦模 第5部分:镦球凹模
JB/T 4210.5-2014六角螺母冷镦模 第5部分:镦球凹模

标准内容

ICS25.120.30
备案号:47510-2014
中华人民共和国机械行业标准
JB/T4210.5—2014
代替JB/T4210.6—1996、JB/T4210.7—1996六角螺母冷墩模
第5部分:墩球凹模
Coldheading dies for hexagon nutsPart 5:Dies forball upsetting2014-07-09发布
2014-11-01实施
中华人民共和国工业和信息化部发布前言
规范性引用文件,
结构型式与尺寸..
3.1A型镦球凹模
3.2B型镦球凹模
4材料及硬度
A型镦球凹模
B型镦球凹模
A型镦球凹模尺寸..
B型镦球凹模尺寸
JB/T4210.52014
JB/T4210.5—2014
JB/T4210《冷镦六角螺母模具》分为十一个部分:一第1部分:整形冲头;
一第2部分:整形凹模;
第3部分:整形顶杆;
一第4部分:锻球冲头;
一第5部分:球凹模;
第6部分:镦球推杆;
第7部分:镦六角上冲头;
第8部分:镦六角下冲头;
-第9部分:镦六角凹模;
一第10部分:冲孔冲头;
第11部分:冲孔凹模。
本部分为JB/T4210的第5部分。
本部分按照GB/T1.1—2009给出的规则起草。本部分代替JB/T4210.6—1996《冷镦六角螺母模具镦球凹模A型》和JB/T4210.7—1996《冷镦六角螺母模具镦球凹模B型》,与JB/T4210.6—1996、JB/T4210.7—1996相比主要技术变化如下:将《冷镦六角螺母模具镦球凹模A型》、《冷镦六角螺母模具镦球凹模B型》合并为一个部分标准,更名为《六角螺母冷镦模第5部分:镦球凹模》;-将规范性引用文件中注日期引用的文件改为现行版本;按技术制图国家标准现行版本修改了零件表面粗糙度、倒角、形状和位置公差的标注;补充或修改了零件图缺漏或错标的尺寸,并修改了相应的图注和表格;修改了标记。
本部分由中国机械工业联合会提出。本部分由全国模具标准化技术委员会(SAC/TC33)归口。本部分起草单位:桂林电子科技大学、桂林电器科学研究院有限公司、上海交通大学。本部分主要起草人:翁史振、王学林、胡成亮、廖宏谊、吴公明、秦日京。本部分所代替标准的历次版本发布情况为:JB4210.6—1986,JB/T4210.6—1996;-JB4210.7—1986,JB/T4210.7—1996。1
六角螺母冷模第5部分:镦球凹模JB/T4210.5—2014
JB/T4210的本部分规定了六角螺母冷镦模的镦球凹模的结构型式与尺寸、材料及硬度、要求和标记。
本部分适用于螺母自动冷镦机用六角螺母冷镦模。2
规范性引用文件
下列文件对于本文件的应用是必不可少的。凡是注日期的引用文件,仅注日期的版本适用于本文件。凡是不注日期的引用文件,其最新版本(包括所有的修改单)适用于本文件。GB/T6170—20001型六角螺母
GB/T6171-20001型六角螺母
GB/T6175—20002型六角螺母
GB/T6176—2000
2型六角螺母细牙
JB/T4213紧固件冷镦模技术条件结构型式与尺寸
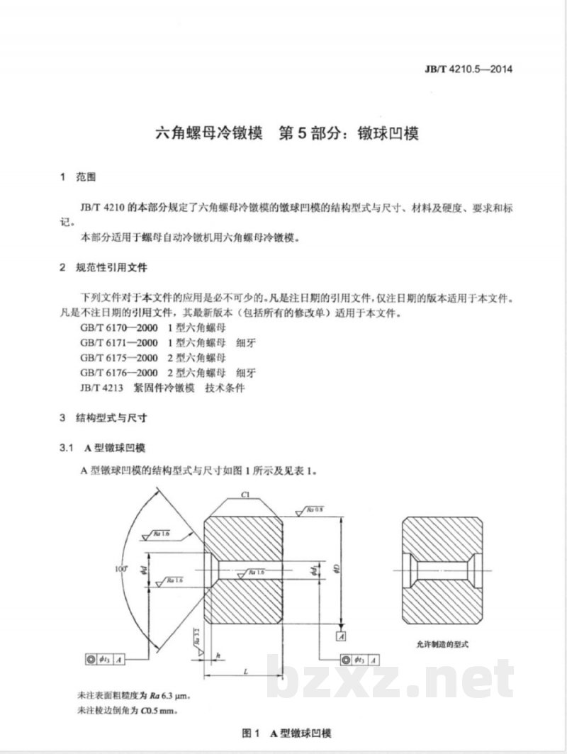
3.1A型镦球凹模
A型镦球凹模的结构型式与尺寸如图1所示及见表1。CI
未注表面粗糙度为Ra6.3μm。
未注棱边倒角为c0.5mm。
图1A型球凹模
允许制造的型式
JB/T4210.52014
GB/T6170、
GB/T6171、
GB/T6175、
GB/T6176
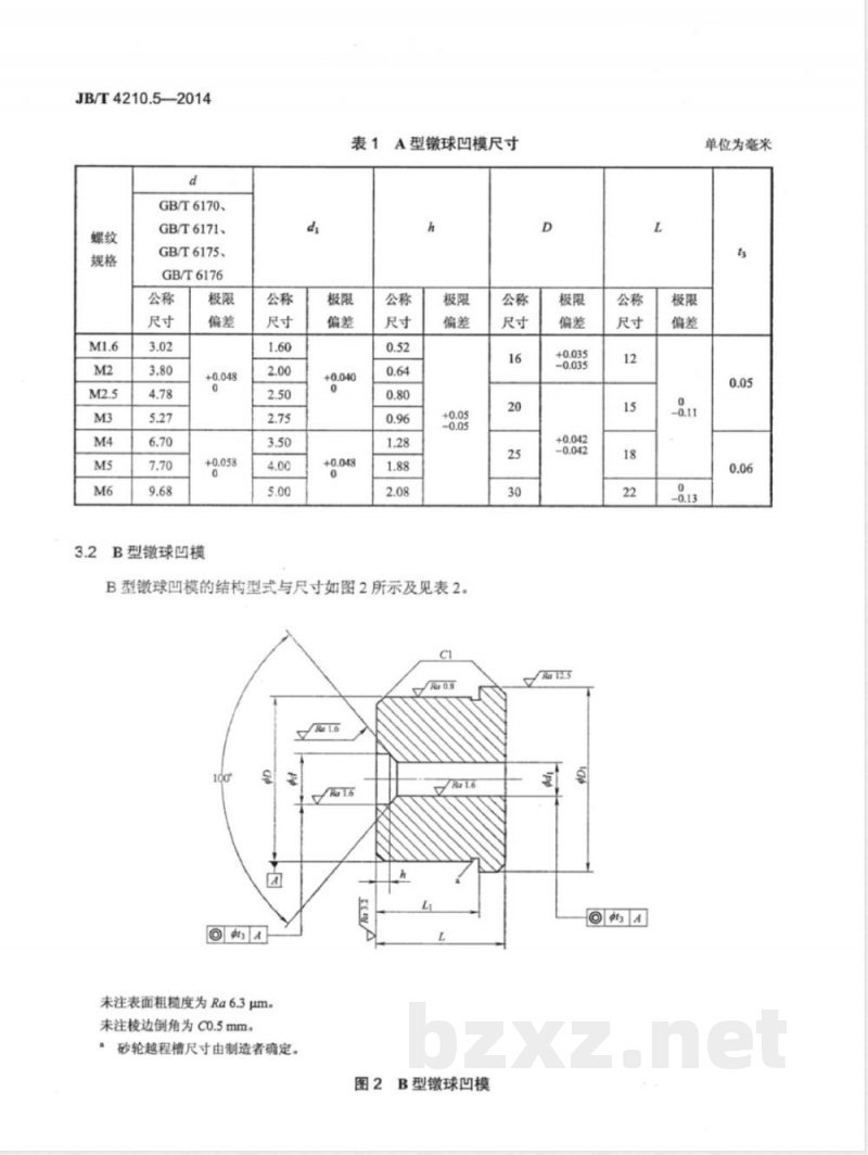
B型镦球凹模
表1A型镦球凹模尺寸
B型镦球凹模的结构型式与尺寸如图2所示及见表2。Ra0.8www.bzxz.net
未注表面粗糙度为Ra6.3μm。
未注棱边倒角为co.5mm。
砂轮越程槽尺寸由制造者确定。又1.6
图2B型墩球凹模
单位为毫米
GB/T6170、
GB/T6171、
GB/T6175、
GB/T6176、
材料及硬度
2B型镦球凹模尺寸
JB/T4210.5—2014
单位为毫米
材料由制造者选定。推荐采用T10A、Cr12MoV,硬度为58HRC~62HRC。5要求
技术要求应符合JB/T4213的规定。6标记
符合本部分六角螺母冷镦模的镦球凹模的标记应有下列内容:a)镦球凹模;
b)本部分编号,即JB/T4210.5;c)螺母标准编号;
d)类型:A、B;
e)螺纹规格。
示例:GB/T6170
DM5六角螺母冷模的A型镦球凹模的标记如下:镦球凹模
JB/T4210.5-GB/T6170-A-M5
JB/T4210.5-2014
中华人民共和国
机械行业标准
六角螺母冷镦模第5部分:镦球凹模JB/T4210.5—2014
机械工业出版社出版发行
北京市百万庄大街22号
邮政编码:100037
210mm×297mm·0.5印张·11千字2014年12月第1版第1次印刷
定价:12.00元
书号:15111·12553
网址:http://www.cmpbook.com编辑部电话:(010)88379778
直销中心电话:(010)88379693封面无防伪标均为盗版
版权专有
侵权必究
小提示:此标准内容仅展示完整标准里的部分截取内容,若需要完整标准请到上方自行免费下载完整标准文档。