首页 > 其他行业标准 > JB/T 3106-2010立式单轴木工钻床 参数
JB/T 3106-2010

基本信息

标准号: JB/T 3106-2010

中文名称:立式单轴木工钻床 参数

标准类别:其他行业标准

英文名称:Vertical single spindle boring machines-Parameters

标准状态:现行

发布日期:2010-04-22

实施日期:2010-10-01

出版语种:简体中文

下载格式:.pdf .zip

标准分类号

标准ICS号:木材技术>>木工设备>>79.120.10木工机械

中标分类号:机械>>通用加工机械与设备>>J65木工机床及机用工具

关联标准

替代情况:替代JB/T 3106-1999

出版信息

出版社:机械工业出版社

标准价格:10.0

出版日期:2010-10-01

相关单位信息

复审日期:2023-11-03

起草单位:山东工友集团股份有限公司

归口单位:全国木工机床与刀具标准化技术委员会

发布部门:中华人民共和国工业和信息化部

标准简介

本标准规定了立式单轴木工钻床的参数。 本标准适用于一般用途的立式单轴木工钻床。


标准图片预览

JB/T 3106-2010立式单轴木工钻床 参数
JB/T 3106-2010立式单轴木工钻床 参数
JB/T 3106-2010立式单轴木工钻床 参数
JB/T 3106-2010立式单轴木工钻床 参数
JB/T 3106-2010立式单轴木工钻床 参数

标准内容

ICS79.120.10
备案号:29497—2010
中华人民共和国机械行业标准
JB/T3106-2010
代替JB/T3106—1999
立式单轴木工钻床
Vertical single spindle boring machines-Parameters2010-04-22发布
2010-10-01实施
中华人民共和国工业和信息化部发布前言
1范围..
2参数
附录A(资料性附录)立式单轴木工钻床的其他基本参数JB/T3106-2010
JB/T3106—2010
本标准代替JB/T3106一1999《立式单轴木工钻床参数》。本标准与JB/T31061999相比,只按有关规定进行了编辑性修改,技术内容未改变。本标准的附录A是资料性附录。
本标准由中国机械工业联合会提出。本标准由全国木工机床与刀具标准化技术委员会(SAC/TC84)归口。本标准起草单位:山东工友集团股份有限公司。本标准主要起草人:宋志敏。
本标准所替代标准的历次版本发布情况为:JB/T3106—1982、JB/T3106--1999。II
1范围
立式单轴木工钻床
本标准规定了立式单轴木工钻床的参数。本标准适用于一般用途的立式单轴木工钻床(以下简称木工机床)。2参数
木工机床的型式见图1(不限制具体结构),参数应符合表1的规定。典
主参数名称
最大钻孔直径
主参数
JB/T3106—2010
单位:mmWww.bzxZ.net
JB/T3106—-2010
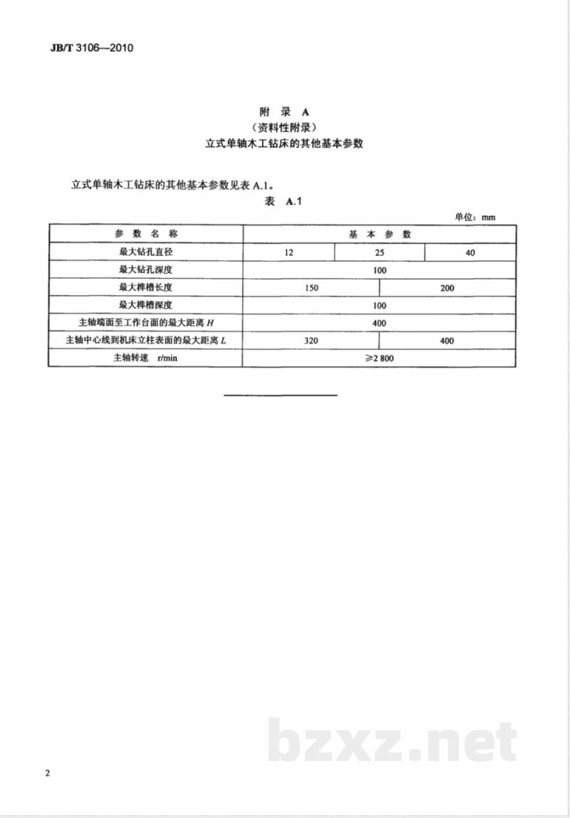
附录A
(资料性附录)
立式单轴木工钻床的其他基本参数立式单轴木工钻床的其他基本参数见表 A.1。A.1
参数名称
最大钻孔直径
最大钻孔深度
最大槽长度
最大样槽深度
主轴端面至工作台面的最大距离H主轴中心线到机床立柱表面的最大距离L主轴转速
≥2 800
单位:mm
中华人民共和
机械行业标准
立式单轴木工钻床
JB/T3106—2010
机械工业出版社出版发行
北京市百万庄大街22号
邮政编码:100037
210mm×297mm·0.25印张·8千字2010年10月第1版第1次印刷
定价:10.00元
书号:15111·9956
小提示:此标准内容仅展示完整标准里的部分截取内容,若需要完整标准请到上方自行免费下载完整标准文档。