首页 > 机械行业标准(JB) > JB/T 2858.4-1999 螺纹磨床 技术条件
JB/T 2858.4-1999

基本信息

标准号: JB/T 2858.4-1999

中文名称:螺纹磨床 技术条件

标准类别:机械行业标准(JB)

标准状态:现行

发布日期:1999-05-20

实施日期:2000-01-01

出版语种:简体中文

下载格式:.rar.pdf

下载大小:153891

相关标签: 螺纹 磨床 技术

标准分类号

标准ICS号:机械制造>>机床>>25.080.99其他机床

中标分类号:机械>>金属切削机床>>J56齿轮与螺纹加工机床

关联标准

替代情况:ZB J56003-1987

出版信息

页数:4页

标准价格:8.0 元

相关单位信息

归口单位:全国金属切削机床标委会磨床分会

发布部门:全国金属切削机床标委会磨床分会

标准简介

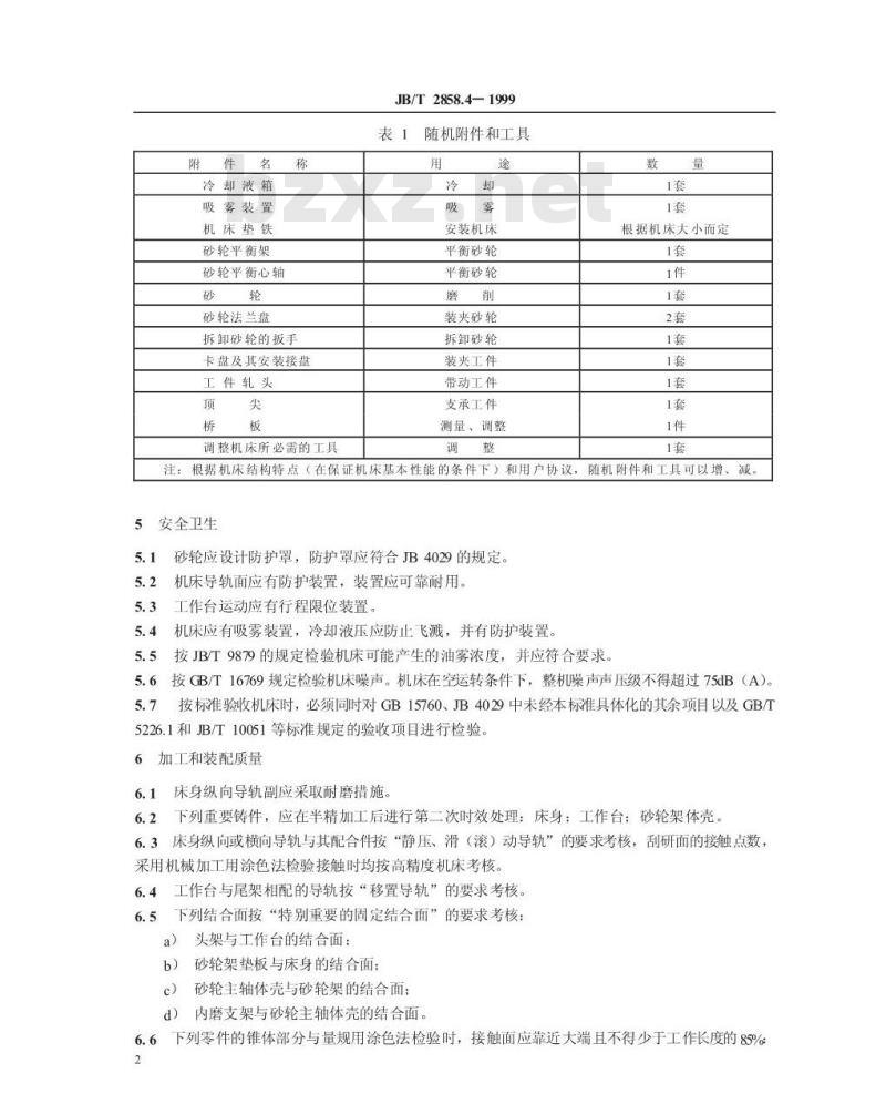
JB/T 2858.4-1999 本标准是对 ZB J56 003-87《螺纹磨床 制造与验收技术要求》的修订,修订时仅按有关规定作了编辑性修改,技术内容未改变。 本标准是 JB/T 2858《螺纹磨床》系列标准的一部分,该系列标准包括以下四个部分: JB/T 2858.1-1999 螺纹磨床 参数 JB/T 2858.2-1999 螺纹磨床 系列型谱 JB/T 2858.3-1999 螺纹磨床 精度检验 JB/T 2858.4-1999 螺纹磨床 技术条件 本标准规定了螺纹磨床的制造和验收要求。 本标准适用于最大工件直径 50~500mm、最大工件长度 500~5000mm 工作台移动式的螺纹磨床、万能螺纹磨床和丝杠磨床。 本标准于 1980 年 12 月首次发布,于 1987 年 12 月第一次修订。 JB/T 2858.4-1999 螺纹磨床 技术条件 JB/T2858.4-1999 标准下载解压密码:www.bzxz.net

标准图片预览

JB/T 2858.4-1999 螺纹磨床 技术条件
JB/T 2858.4-1999 螺纹磨床 技术条件
JB/T 2858.4-1999 螺纹磨床 技术条件
JB/T 2858.4-1999 螺纹磨床 技术条件
JB/T 2858.4-1999 螺纹磨床 技术条件