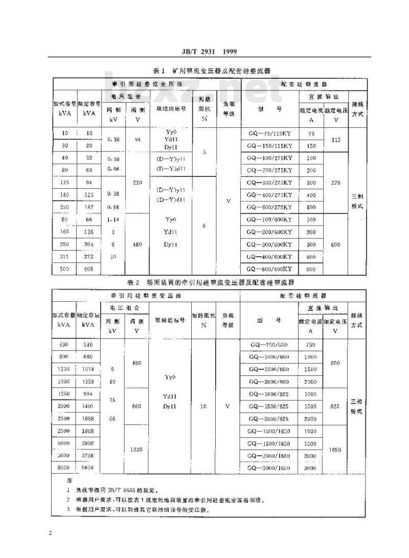
标准号: JB/T 2931-1999
中文名称:牵引用硅整流变压器
标准类别:机械行业标准(JB)
标准状态:现行
发布日期:1999-08-06
实施日期:2000-01-01
出版语种:简体中文
下载格式:.rar.pdf
下载大小:103039
中标分类号:电工>>输变电设备>>K41变压器
替代情况:JB 2931-1981
出版社:机械工业出版社
页数:6页
标准价格:8.0 元
出版日期:2000-01-01
起草人:刘泽沛、林然
起草单位:北京变压器厂、沈阳变压器研究所
归口单位:全国变压器标委会
提出单位:全国变压器标准化技术委员会
发布部门:国家机械工业局




