首页 > 机械行业标准(JB) > JB/T 3411.19-1999 滑块式自动圆柱柄拉刀夹头 尺寸
JB/T 3411.19-1999

基本信息

标准号: JB/T 3411.19-1999

中文名称:滑块式自动圆柱柄拉刀夹头 尺寸

标准类别:机械行业标准(JB)

英文名称: Dimensions of slide type automatic cylindrical shank broach chuck

标准状态:现行

发布日期:1999-05-20

实施日期:2000-01-01

出版语种:简体中文

下载格式:.rar.pdf

下载大小:36584

相关标签: 滑块 自动 圆柱 拉刀 夹头 尺寸

标准分类号

标准ICS号:机械制造>>机床>>25.080.01机床综合

中标分类号:机械>>金属切削机床>>J52机床辅具与附件

关联标准

替代情况:JB 3429-1983

出版信息

页数:2 页

标准价格:8.0 元

相关单位信息

归口单位:机械科学研究院

发布部门:机械科学研究院

标准简介

JB/T 3411.19-1999 本标准是对 JB 3429-83《滑块式自动圆柱柄拉刀夹头 尺寸》的修订。修订时仅作了以下几点修改,主要技术内容未改变。 ——编写格式; ——标准加英文名称; ——有关引用标准及相关内容; ——螺纹画法。 本标准规定了滑块式自动圆柱柄拉刀夹头的型式和尺寸。 JB/T 3411.19-1999 滑块式自动圆柱柄拉刀夹头 尺寸 JB/T3411.19-1999 标准下载解压密码:www.bzxz.net

标准图片预览

JB/T 3411.19-1999 滑块式自动圆柱柄拉刀夹头 尺寸
JB/T 3411.19-1999 滑块式自动圆柱柄拉刀夹头 尺寸
JB/T 3411.19-1999 滑块式自动圆柱柄拉刀夹头 尺寸

标准内容

1CS 25.080.07
中华人民共和国机械行业标准
JB/T3411,17-3411.28-1999
拉床刨床辅具
Accessories of broaching machines and planing machincs1999-05-20 发布
国家机械工业局
2000-01-01 实施
中华人民共和国机械行业标准bZxz.net
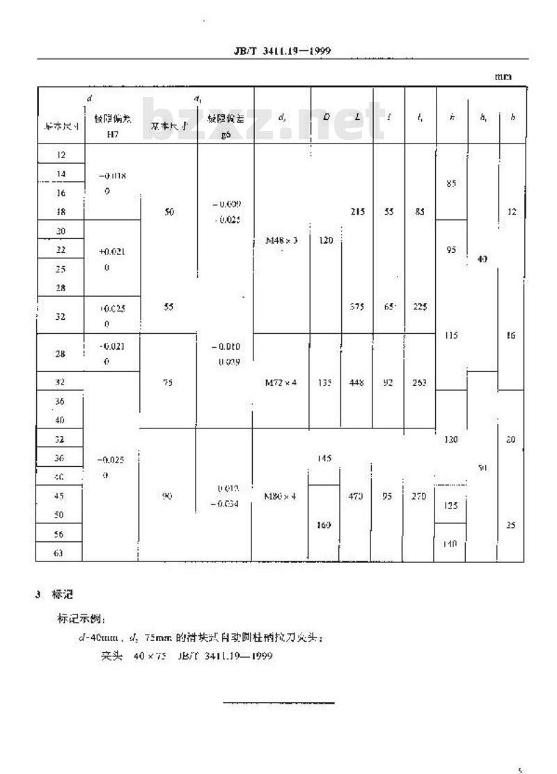
滑块式自动喇柱柄技力夹头
Slider typc automatic holder forcyliudric shank hrnach-Dimensions本标准视定滑块式站圆法按拉万火形式和压让1型式和尺寸
型式和尺小按下至和的视定
国家机械工业唇1999-05-20批准JB/T3411.19—1999
代B429—83
20-1-心1实施
3标记
较险偏考
标记示:
JB/T 34I1.19—1999
核阻偏差
.t.025
M72×4
d-40L,、75m的块式自则样确拉刀变头亲头40×75JBr3411.19=1999
小提示:此标准内容仅展示完整标准里的部分截取内容,若需要完整标准请到上方自行免费下载完整标准文档。