首页 > 机械行业标准(JB) > JB/T 3411.67-1999 锥柄工具过渡套 尺寸
JB/T 3411.67-1999

基本信息

标准号: JB/T 3411.67-1999

中文名称:锥柄工具过渡套 尺寸

标准类别:机械行业标准(JB)

英文名称: Dimensions of transition sleeves for taper shank tools

标准状态:现行

发布日期:1999-05-20

实施日期:2000-01-01

出版语种:简体中文

下载格式:.rar.pdf

下载大小:38744

相关标签: 工具 过渡 尺寸

标准分类号

标准ICS号:机械制造>>机床>>25.080.01机床综合

中标分类号:机械>>金属切削机床>>J52机床辅具与附件

关联标准

替代情况:JB 3477-83

采标情况:neq ISO 238:1974

出版信息

页数:2 页

标准价格:8.0 元

相关单位信息

归口单位:机械科学研究院

发布部门:机械科学研究院

标准简介

JB/T3411.67-1999 本标准是对 JB 3477-83《锥柄工具过渡套 尺寸》的修订,修订时只作了以下几点修改,主要技术内容未改变: ——编写格式; ——标准名称加英文; ——有关引用标准及相关内容; ——螺纹画法。 本标准非等效采用 ISO 238:1974《莫氏锥柄刀具用的过渡套及接长套》。 本标准规定了锥柄工具过渡套的型式和尺寸。 JB/T 3411.67-1999 锥柄工具过渡套 尺寸 JB/T3411.67-1999 标准下载解压密码:www.bzxz.net

标准图片预览

JB/T 3411.67-1999 锥柄工具过渡套 尺寸
JB/T 3411.67-1999 锥柄工具过渡套 尺寸
JB/T 3411.67-1999 锥柄工具过渡套 尺寸

标准内容

IC.5 25.080.01
中华人民共和国机械行业标准
JB/T3411.67~3411.82-19
钻床辅具
Accessoriesof drilling machines1999-05-20 发布
国家机械工业局
2000-01-1实施
中华人民共和国机撼行业标准
锥柄工具过綫套
Chaaelng dlameterbysh fortapershanktoolDmensionsWww.bzxZ.net
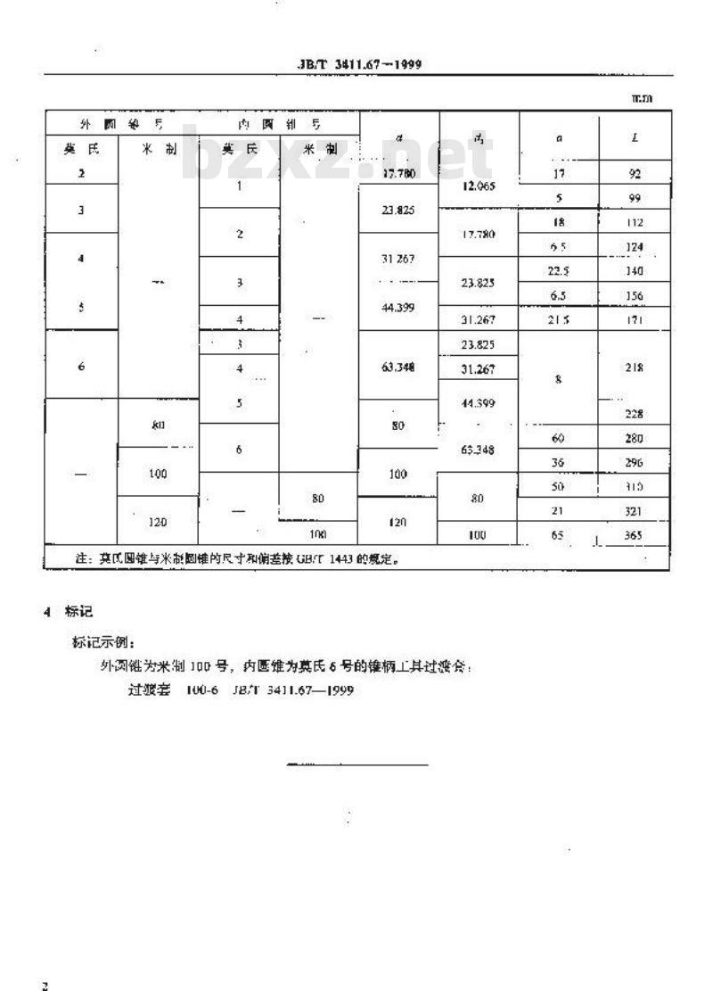
本标准愿定了锥柄工具过跛套的型式和尺寸。2非用标准
JB/T3411,67—1999
代蓉 3477-83
下列标准所包含的条文,通过在本标准中引用而构感为本标准的条文。本标准出版时,所示版本均为有效。所有标准部会被订,使用本标准的各方应探讨使用下列标准母新版本的可能性,GB/T1443.1996机床和工具柄用自夹型式和尺寸
型式和尺寸按下图和表的规定。图牌
国豪机械工业局1999-05-20批准2000-01-01实施
JBT3411.671999
31 767
注:其四维与来制题锥的尺寸和偏差接GB/[1443的规定。4标记
标记示例:
外肉链为米制100号,内匾维为墓氏6号的锥柄上其过滤会:过搬妄
100-6JB13411.67—1999
小提示:此标准内容仅展示完整标准里的部分截取内容,若需要完整标准请到上方自行免费下载完整标准文档。