首页 > 机械行业标准(JB) > JB/T 3890-1999 硅碳棒
JB/T 3890-1999

基本信息

标准号: JB/T 3890-1999

中文名称:硅碳棒

标准类别:机械行业标准(JB)

标准状态:已作废

发布日期:1999-10-08

实施日期:2000-03-01

作废日期:2008-11-01

出版语种:简体中文

下载格式:.rar.pdf

下载大小:213663

标准分类号

标准ICS号:机械制造>>切削工具>>25.100.70磨料磨具

中标分类号:机械>>工艺装备>>J43磨料与磨具

关联标准

替代情况:替代JB 3890-1985;JB 3895-1985;被JB/T 3890-2008代替

出版信息

页数:13 页

标准价格:16.0 元

出版日期:2000-03-01

相关单位信息

起草人:武文进、孙西琴

起草单位::西安金戈磨料磨具有限责任公司

归口单位:全国磨料磨具标准化技术委员会

发布部门:国家机械工业局

标准简介

JB/T 3890-1999 本标准是对 JB 3890-85《等直径硅炭棒》、JB 3895-85《粗端部硅炭棒》两个标准的修订与合并。 本标准规定了硅碳棒的形状,尺寸规格,代号,技术要求,检验方法,检验规则及包装。 本标准适用于以碳化硅为主要成分制造的电加热件,在炉内空气气氛中,发热体表面温度可达 1500℃。 本标准于年月日首次发布。 JB/T 3890-1999 硅碳棒 JB/T3890-1999 标准下载解压密码:www.bzxz.net

标准图片预览

JB/T 3890-1999 硅碳棒
JB/T 3890-1999 硅碳棒
JB/T 3890-1999 硅碳棒
JB/T 3890-1999 硅碳棒
JB/T 3890-1999 硅碳棒

标准内容

JB/T38901999
本标准是对JB3890-85《等直径硅碳棒》、JB38955一85《粗端部硅碳棒》两项标准的修订。这次修订是将等直径和粗端部两大系列统一在同一项标准中。本标准自实施之日起代替JB3890-85、JB3895—85。本标准的附录A、附录B都是标准的附录。本标准由全国磨料磨具标准化技术委员会提出并归口。本标准起草单位:西安金戈磨料磨具有限责任公司。本标准主要起草人:武文进、孙西琴。331
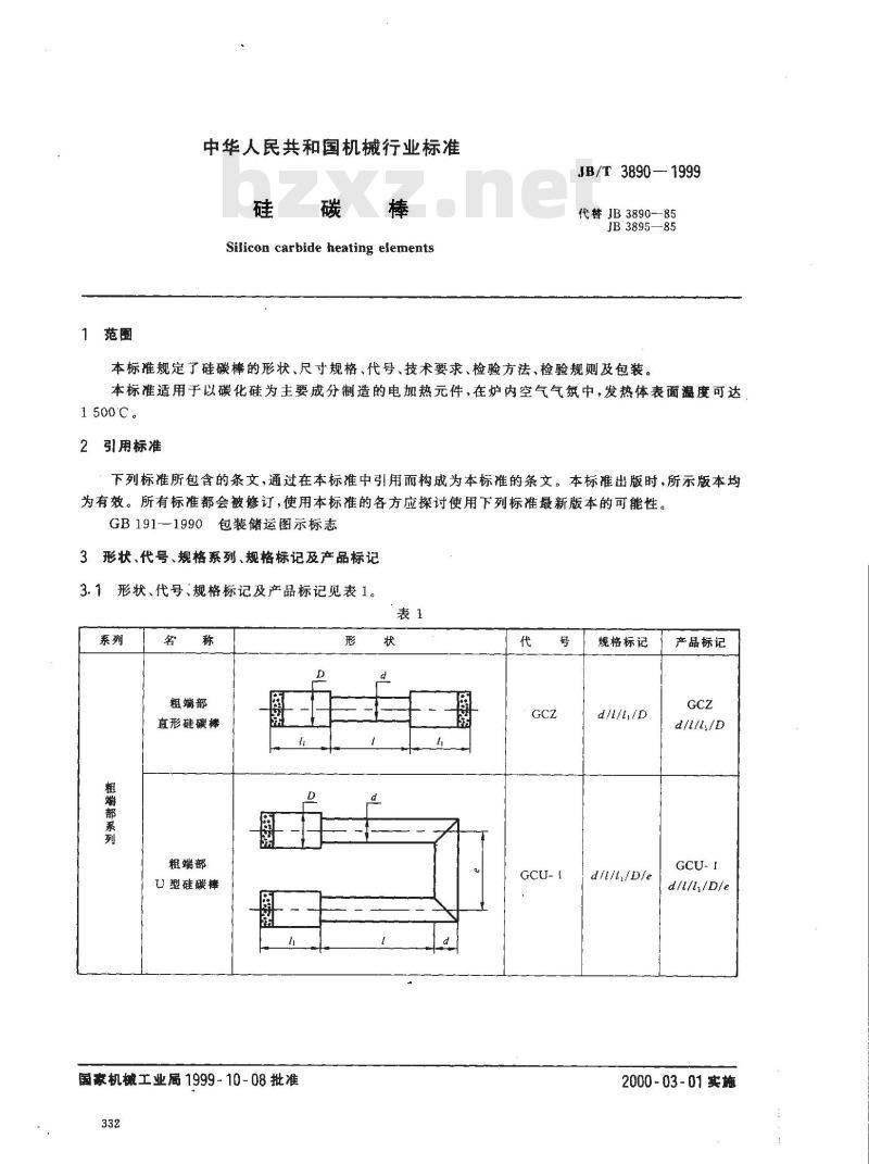
1范围
中华人民共和国机械行业标准
硅碳棒
Silicon carbide heating elenentsJB/T3890—1999
代替JB3890-85
JB3895—85
本标准规定了硅碳棒的形状、尺寸规格、代号、技术要求、检验方法、检验规则及包装。本标准适用于以碳化硅为主要成分制造的电加热元件,在炉内空气气氛中,发热体表面温度可达1500℃。
2引用标准
下列标准所包含的条文,通过在本标准中引用而构成为本标准的条文。本标准出版时,所示版本均为有效。所有标准都会被修订,使用本标准的各方应探讨使用下列标准最新版本的可能性。GB191—1990包装储运图示标志
3形状、代号、规格系列、规格标记及产品标记3.1形状、代号、规格标记及产品标记见表1。表1
粗蹦部系列
粗端部
直形硅碳棒
粗端部
U型硅碳摔
国豪机械工业局1999-10-08批准332
规格标记
d//ti/D
dl/t/D/e
产品标记
d/t//D/e
2000-03-01实施
粗部系列
等直径系列
U型硅碳棒
等直径
直形硅碳棒
等直径
U型硅碳棒
3.2规格系列
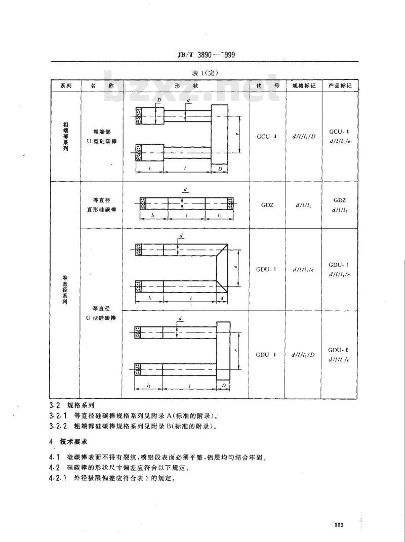
JB/T3890-1999
表1(完)
3.2.1等直径硅碳棒规格系列见附录A(标准的附录)。3.2.2粗端部硅碳棒规格系列见附录B(标准的附录)。4技术要求
4.1硅碳棒表面不得有裂纹,喷铝段表面必须平整,铝层均勾结合牢固。4.2硅碳捧的形状尺寸偏差应符合以下规定。4.2.1外径极限偏差应符合表2的规定。规格标记
d/l/l,/e
产品标记
d/tli,/e
长度极限偏差应符合表3的规定。发热
极限偏差
弯曲度不得大于总长度的0.3%
JB/T 38901999
端部1
极限偏差
各种U形硅碳棒的形位公差应符合表 4的规定。表4
分支间平行度
分支间中心距偏差
硅碳棒发热部抗折强度应不小于40.0MPa。4.3
4.4硅碳棒电阻值允差
极限偏差
≤1600
>1 600
极限偏差
符合发热部外径极限偏差
硅碳棒在1050C土50C时标定的电阻值允许极限偏差为土15%。5发热部与端部单位长度电阻比应符合表5的规定。4.5
品类别
GDZ,GDU
发热部表面发热温度允许偏差应符合表6的规定。表6
发热部长度范围
>500~~1000
>1 000~1 500
温度向两端递降尺寸占
发热部长度最大百分比
发热部与端部单位长度电阻比
≥121
≥5:1
其余部分温度极限偏差
沿长度任意两点间
同一圆周上
5检验方法
5. 1外观检验:目测
5.2长度偏差用钢卷尺或直尺测量。5.3平行度检验
5.3.1主要工器具
a)标准平台;
b)塞规。
5.3.2方法
JB/T 3890-1999
把U形硅碳棒置于标准平台上,将其中一分支紧贴于平面上,用塞规测其另一分支与平面之间的最大闻隙,卿h为U形棒两分支间的平行度5.4外径偏差用精度为0.02mm的游标卡尺检验。5.5弯曲度的检验
5.5.1主要工器具
a)平台;
b)V形支架;
c)高度尺,分度值为0.02mm。
5.5.2检验方法
a)将两个相同高度的V形支架置于平台上,根据被检棒的长度调整两支架间的距离,该距离不得小于被检棒全长的98%。
b)将被检棒的两端置于两支架的√形槽内,使最大弯曲点向下与平台距离最小,用高度尺测量最大弯曲凹面至平台间的高度值H,,然后将棒体旋转180°,使最大弯曲点向上与平台距离最大,在同一位置用同样方法测量最大弯曲凸面至平台间的高度值H2,通过式(1)计算出弯曲度。H-H×100%
式中弯曲度;
H2-——最大弯曲点向上时的高度值,mm;H,-——最大弯曲点向下时的高度值,mm;F---—两支点间的距离,mm。
5.6抗折强度的检验
5.6.1主要设备及技术要求
万能材料试验机,单值相对误差士1%。5.6.2检验方法
.....(1)
a)在室温下,取发热部任意部分,水平放置于试验机支架的两个支点上,两支点间距离应符合表7的规定。
外径d
两支点间距离
30~~40
b)在被检棒两支点间二分之-一处垂直加压,测量折断时的负荷,并根据式(2)计算出抗折强度。80dws
元(dt d)
式中:α——抗折强度,MPa;
d——发热部外径,cm;
d。—发热部内径,cm;
W—-荷重,kN;
S—两支点间的距离,cm。
5. 7 高温电阻的检验
5.7.1主要设备及技术要求
JB/T 3890--1999
a)调压器:单相,容量视硅碳棒规格不同选定;b)电压表:0~250V,0.5级;
c)电流表:0~300A,0.5级;
d)电流互感器:300:5.0.5级;e)光学高温计:1.0级。
5.7.2检验方法
在室内散开空气中,将被检棒水平放置于两电极之间,接通电源,待发热部表面温度达到1050℃士50℃后,稳定电压、电流,根据欧姆定律计算电阻。5.8发热部与端部单位长度电阻比的检验5.8.1主要设备及技术要求
与 5.7.1相同。
5.8.2检验方法
与5.7检验同时进行。待发热部表面温度达到1050C士50C之后,用电压表分别测量发热部和两端部的电压降,并根据式(3)计算电阻比值。式中:K-
1/2元
发热部与端部单位长度电阻比值;V,—发热部实测电压;
Vn——两端部实测电压;
1———发热部长度;
21,—端部长度。
5.9表面发热温度偏差的检验
5.9.1主要设备及技术要求
与5.7.1相同。
5.9.2检验方法
·(3)
与5.7检验同时进行。待发热部表面温度达到1050℃土50℃后,恒温5min,按表6的规定用光学高温计测量各部温差。
6检验规则
6.1产品出厂前按4.1、4.2、4.4、4.5、4.6及5.1、5.2、5.3、5.4、5.5、5.7、5.8、5.9的规定逐支进行检验。
6.2抗折强度为抽检项目,每季度按4.3、5.6的规定抽检一次。抽检数量为随意抽取三种规格,每种规格抽3支。
7 标志、包装
7.1必须在每支产品一端清晰标注:合格、电阻值、商标及生产年月。7.2包装应有防震、防潮等项措施。7.3包装箱表面应清晰标注:产品名称、规格、数量、电阻、制造厂家、出厂年月及“易碎”、“防潮”等字样(标志应符合GB191的规定)。
JB/T3890-1999
附录A
(标准的附录)
等直径硅碳棒系列规格尺寸bzxZ.net
等直径硅碳棒系列规格尺寸见表A1,表A1
外径d
谢部长度 11
发热部长度
中心距e
JB/T3890—1999
表A1(完)
GCU-I型的联桥长度尺寸等于\中心距尺寸+发热体外径”,联桥外径尺寸等于发热体外径。2
GCU-1型的联桥(管联桥)长度尺寸等于中心距尺守十发热体外径×2\。表中未列规格可由供需双方协议商定。3
附梁B
(标准的附录)
粗端部硅碳棒规格尺寸
粗端部硅碳棒规格尺寸见表B1。表B1
蹦部长度1
发热部长度1!
JB/T3890
表BI(续)
中心距e
JB/T3890—1999
表B1(完)
GCU-1型的联桥长度尺寸等于*中心距尺寸十发热体外径\,联桥外径尺寸等于发热体外径。GCU-I型的联桥(管联桥)长度尺寸等于“中心距尺寸十发热体外径X2”。2
表中未列规格可由供需双方协议商定3
小提示:此标准内容仅展示完整标准里的部分截取内容,若需要完整标准请到上方自行免费下载完整标准文档。