首页 > 机械行业标准(JB) > JB/T 3891-1996 研磨页轮
JB/T 3891-1996

基本信息

标准号: JB/T 3891-1996

中文名称:研磨页轮

标准类别:机械行业标准(JB)

标准状态:已作废

发布日期:1996-04-22

实施日期:1996-07-01

作废日期:2008-07-01

出版语种:简体中文

下载格式:.rar.pdf

下载大小:97359

相关标签: 研磨

标准分类号

中标分类号:机械>>工艺装备>>J43磨料与磨具

关联标准

替代情况:替代JB 3891-85;被JB/T 10826-2008替代部分

采标情况:ISO 3919-77 NEQ ISO 5429-1977 NEQ

出版信息

页数:5 页

标准价格:12.0 元

相关单位信息

归口单位:全国磨料磨具标准化技术委员会

标准简介

本标准是对JB 3891-85的修订,在修订时对所规定的型式与尺寸除增加了钹形页轮外,均与ISO标准相同。另外增加了技术要求、试验方法、抽样及标志、包装和贮存四章内容。 JB/T 3891-1996 研磨页轮 JB/T3891-1996 标准下载解压密码:www.bzxz.net

标准图片预览

JB/T 3891-1996 研磨页轮
JB/T 3891-1996 研磨页轮
JB/T 3891-1996 研磨页轮
JB/T 3891-1996 研磨页轮
JB/T 3891-1996 研磨页轮

标准内容

JB/T3891—96
本标准是根据国内各主要厂家的生产水平和使用要求对JB3891--85《研磨页轮型式与尺寸》进行修订的,在技术内容上非等效采用ISO3919--1977《涂附磨具带轴页轮标记和尺寸》和ISO5429-1977《涂附磨具装有卡盘或未装卡盘的页轮-标记和尺》。本标准所规定的型式与尺寸除增加了钱形页轮外,均与ISO标准相同。另外增加了技术要求、试验方法、抽样及标志、包装和贮存四章内容。本标准从1996年7月1日起实施。同时代替JB3891—85。本标准由全国磨料磨具标准化技术委员会提出并归口。本标准负责起草单位:白鸽(集团)股份有限公司。本标雄主要起草人:吴成斌、马寿松、王建伟。291
1范鼠
中华人民共和国机械行业标准
研磨页
本标准规定了产品的分类、技术要求、试验方法、抽样及标志、包装和贮存。本标准适用于砂布、砂纸等制成的研磨页轮。2 引用标准
JB/T3891—96
代替 JB 3891—85
下列标准所包含的条文,通过在本标准中引用而构成为本标准的条文。本标准出版时,所示版本均为有效。所有标准都会被修订,使用本标准的各方应探讨使用下列标准最新版本的可能性。GB 2493--84砂轮回转强度的检验方法GB2828-87
逐批检查计数抽样程序及抽样表(适用于连续批的检查)GB 9202—88
磨具的检查方法
JB/T 3889-94
JB/T7498--94砂纸
3产品分类
3.1研磨页轮形状及其代号见表1。表 1研磨页轮形状及其代号
带轴页轮
注,卡盘页轮包括装有卡盘或未装卡盘的页轮。3.2研磨页轮基本尺寸见表2、表3和表4。中华人民共和国机械工业部1996-04-22批准292
卡盘页轮
钱形页轮
1996-07-01卖施
厚度H
轴径d
轴长L
厚度H
孔径d
外径D
孔径d
3.3标记示例
示例1:
JB/T 3891--96
表2带轴页轮基本尺寸
表3卡盘页轮基本尺寸
外径D
25,32.40.50
形页轮基本尺寸
规格尺寸(D×HXd)300mmX50mm×32mm棕刚玉P100粒度的卡盘页轮:研磨页轮FW 300 mmX50 mmX32mm AP100 JB/T 3891-96示例2:
规格尺寸(DXH×d一L)60mm×30mmX6mm-40mm棕刚玉P60粒度的带轴页轮:研磨页轮SW60mmX30mmX6mm--40mmAP60JB/T3891-96示例3,
规格尺寸(D×d)125mm×22mm棕刚玉P40粒度的镀形页轮:研磨页轮FD125mmX22mmAP40JB/T3891-964技术要求
4.1砂布砂纸应符合JB/T3889和JB/T7498的规定。4.2基本尺寸的极限偏差见表5、表6和表7。293
JB/T3891-—96
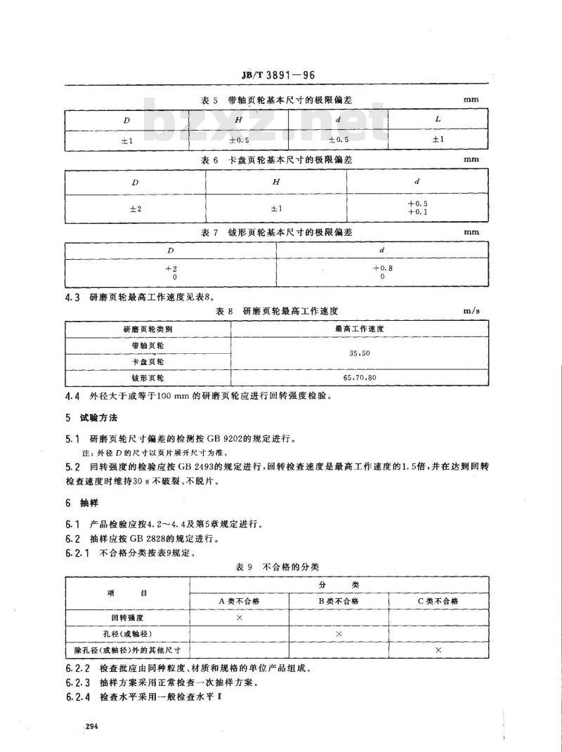
表5带轴页轮基本尺寸的极限偏差H
卡盘页轮基本尺寸的极限偏差
表7形页轮基本尺寸的极限偏差
4.3研磨页轮最高工作速度见表8。表8
研磨页轮类别
带轴页轮
卡盘页轮
形页轮
研磨页轮最高工作速度
最高工作速度
35,50
4.4外径大于或等于100 mm的研磨页轮应进行回转强度检验。5试验方法
5.1研磨页轮尺寸偏差的检测按GB9202的规定进行。注:外径D的尺寸以页片展开尺寸为准。d
5.2回转强度的检验应按GB2493的规定进行,回转检查速度是最高工作速度的1.5倍,并在达到回转检查速度时维持30 s不破裂、不脱片。6抽样
6.1产品检验应按4.2~4.4及第5章规定进行。6.2抽样应按GB2828的规定进行。不合格分类按表9规定。
表9不合格的分类
回转强度
孔径(或轴径)
除孔径(或轴径)外的其他尺寸
A类不合格
6.2.2检查批应由同种粒度、材质和规格的单位产品组成。6.2.3抽样方案采用正常检查次抽样方案。6.2.4检查水平采用一般检查水平I294
B类不合格
C类不合格
JB/T 3891- 96
6.2.5A类不合格AQL值规定为2.5;B类不合格AQL值规定为4.0;C类不合格AQL值规定为6.5。AQL值均为每百单位产品的不合格品数。7标志、包装和贮存
研磨页轮应有以下标志:
a)磨料、粒度;
b)注册商标;
c)生产厂名称;
d)运转方向;
e)最高工作速度;
f)制造日期。
7.2产品应有合格证。
包装应牢固可靠,并符合交通运输有关规定。包装箱应标明:
a)产品名称、形状、规格、磨料、粒度;b)注珊商标;
c)数量;bzxz.net
d)包装箱体积(长×宽×高),e)毛重;
f)生产日期;
g)防潮标志;
h)生产厂名称。
7.5产品应贮存在干燥、通风场所,严防受潮,贮存期1年。295
小提示:此标准内容仅展示完整标准里的部分截取内容,若需要完整标准请到上方自行免费下载完整标准文档。