首页 > 机械行业标准(JB) > JB/T 3914-1999 超硬磨料 取样方法
JB/T 3914-1999

基本信息

标准号: JB/T 3914-1999

中文名称:超硬磨料 取样方法

标准类别:机械行业标准(JB)

标准状态:现行

发布日期:1999-05-20

实施日期:2000-01-01

出版语种:简体中文

下载格式:.rar.pdf

下载大小:85007

相关标签: 磨料 取样 方法

标准分类号

标准ICS号:机械制造>>切削工具>>25.100.70磨料磨具

中标分类号:机械>>工艺装备>>J43磨料与磨具

关联标准

替代情况:JB 3914-1985

采标情况:ISO 554-1976 NEQ

出版信息

页数:7 页

标准价格:12.0 元

相关单位信息

归口单位:全国磨料磨具标准化技术委员会

发布部门:全国磨料磨具标准化技术委员会

标准简介

JB/T 3914-1999 本标准是对 JB 3914-85《超硬磨料 取样方法》的修订。原标准参照 ANSI B74.6-1976《磨料取样方法》、JIS 6003-1975《磨料取样方法》、DIN 50310-1973《喷砂磨料检验取样方法》。本次修订时仅按有关规定作了编辑性修改,主要技术内容未改变。 本标准规定了粒度为 16/20~325/400 和微粉 M36/45~M0~0.5 的人造金刚石和立方氮化硼的检验取样。 本标准于 1985 年 2 月首次发布。 JB/T 3914-1999 超硬磨料 取样方法 JB/T3914-1999 标准下载解压密码:www.bzxz.net

标准图片预览

JB/T 3914-1999 超硬磨料 取样方法
JB/T 3914-1999 超硬磨料 取样方法
JB/T 3914-1999 超硬磨料 取样方法
JB/T 3914-1999 超硬磨料 取样方法
JB/T 3914-1999 超硬磨料 取样方法

标准内容

JB/T3914—1999
本标准是对JB3914--85《超硬磨料取样方法》的修订。
原标准是参照美国ANSIB74.6—1976《磨料取样方法》、日本JIS6003--1975磨料取样方法》和德国DIN50310-1973《喷砂磨料检验取样方法》,结合我国情况而设计制做的取样缩分用的二分器,并通过大量试验确定了超硬磨料及其微粉取样方法。本标准与JB3914一85的技术内容一致,仅按有关规定进行了重新编辑。本标准自实施之日起代替JB3914--85。本标准由全国磨料磨具标推化技术委员会提出并归口。本标准起草单位:郑州磨料磨具磨削研究所。本标准主要起草人:院兴国。
本标准于1985年2月首次发布。
1范围
中华人民共和国机械行业标准
超硬磨料
取样方法
本标准规定了超硬磨料取样缩分二分器和测定方法。JB/T3914---1999
代替JB3914—85
本标准适用于粒度为16/20~325/400和微粉M36/54~M0/0.5的人造金刚石和立方氮化翻的检验取样。
2、引用标准
下列标准所包含的条文,通过在本标准中引用而构成为本标准的条文。本标准出版时,所示版本均为有效。所有标都会被修订,使用本标准的各方应探讨使用下列标准最新版本的可能性。GB/T6406--1996超硬磨料金刚石或立方氟化硼颗粒尺寸3一般规定
3.1本标推规定的取样方法用于从符合GB/T6406的超硬磨料中取出-一部分样品,供各项性能检验。3.2批量:超硬磨料的批量指在成批生产过程中,一定时期内生产的同一品种,每种规格的全部产品,微粉的批量指在成批生产过程中,一批投料所生产的每种粒度的全部产品。3.3粒度16/20~325/400取样量不得少于检验所需试样的1.2倍;微粉M36/54~M0/0.5不得少于1g。
3.4取样用的各种工、器具必须保持整洁,在更换品种、牌号、粒度时必须清洗干净,以防污染、混杂。3.5取样操作过程中,手不得触摸样品。3.6供仲裁检验用的样品应妥善保管四个月。4取样操作时大气条件
温度:23℃±2℃
相对湿度:45%~55%
压力:86~106kPa
5缩分此内容来自标准下载网
5.1二分器缩分法
适用于粒度为16/20~325/400检验样品的取样和缩分。5.1.1二分器
5.1.1.1材质:不锈钢或镀锌铁。5.1.1.2结构型式与尺寸按图1和表1规定。焊接后的12个料槽不得变形。焊缝平整,内表面光滑,沟槽通畅,不允许有锈斑。国象机械工业局1999-05-20批准18
2000-01-01实施
5. 1. 1. 3
JB/T3914—1999
不同规格二分器的适用批量,按表2规定。表2
二分器规格
5.1.2料铲
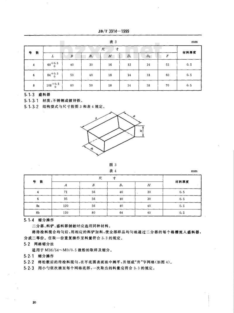
5.1.2.1材质:不锈钢或镀锌铁。5.1.2.2结构型式与尺寸按图 2 和表 3规定。图2
200500
材料厚度均为0.5
盛料器
5. 1. 3. 1
材质:不锈钢或镀锌铁。
JB/T3914—1999
结构型式与尺寸按图3和表4规定。号数
5.1.4缩分操作
二分器、料铲、盛料器制做时应选用同种材料。D,
材料厚度
材料厚度
将待检料混合均勾后,用相应的料铲加料,使全部样品均勾地通过二分器的每个格槽流人盛料器,分成二等份。任取一份重复操作至料量符合3.3的规定。5.2网格缩分法
适用于M36/54~M0/0.5微粉的取样及缩分。5.2.1缩分操作
5.2.2将松散后的待检料混匀,在平底圆表面血中摊平,并划成“并”字网格(如图4)。5.2.3用小勺依次插至每个网格底部,一次取出的料量应符合3.3的规定。20
6样品的存放
JB/T3914—1999
保留的样品应存放在不使其发生变质和引起混杂的密闭容器中,并附以标签封存。标签上注明:品名、规格、产地、取样人员、日期。
小提示:此标准内容仅展示完整标准里的部分截取内容,若需要完整标准请到上方自行免费下载完整标准文档。