首页 > 机械行业标准(JB) > JB/T 4037-1993 滚动轴承用酚醛层压布管 技术条件
JB/T 4037-1993

基本信息

标准号: JB/T 4037-1993

中文名称:滚动轴承用酚醛层压布管 技术条件

标准类别:机械行业标准(JB)

标准状态:已作废

发布日期:1993-05-07

实施日期:1994-01-01

作废日期:2007-09-01

出版语种:简体中文

下载格式:.rar.pdf

下载大小:138237

相关标签: 滚动轴承 酚醛 技术

标准分类号

中标分类号:机械>>通用零部件>>J11滚动轴承

关联标准

替代情况:替代JB 4037-85;被JB/T 4037-2007代替

采标情况:neq ASTM D709-78

出版信息

出版社:机械工业出版社

页数:6 页

标准价格:12.0 元

相关单位信息

归口单位:洛阳轴承研究所

发布部门:洛阳轴承研究所

标准简介

本标准规定了一般用途滚动轴承保持架用酚醛层布管的技术条件。 本标准适用于制造厂检验和用户验收。 JB/T 4037-1993 滚动轴承用酚醛层压布管 技术条件 JB/T4037-1993 标准下载解压密码:www.bzxz.net

标准图片预览

JB/T 4037-1993 滚动轴承用酚醛层压布管 技术条件
JB/T 4037-1993 滚动轴承用酚醛层压布管 技术条件
JB/T 4037-1993 滚动轴承用酚醛层压布管 技术条件
JB/T 4037-1993 滚动轴承用酚醛层压布管 技术条件
JB/T 4037-1993 滚动轴承用酚醛层压布管 技术条件

标准内容

中华人民共和国机械行业标准
滚动轴承用酚醛层压布管技术条件1主题内容与适用范围
本标准规定了-一般用途滚动轴承保持架用酚醛层压布管的技术条件。本标准适用于制造厂检验和用户验收。引用标准
GB406本色棉布技术条件
JB/T4037 . 93
代替JB403785
GB1305电气绝缘热固性层压材料检验、标志、包装、运输和贮存通用规则GB5132电气绝缘层压管试验方法JB/Z141绝缘层压制品机械加工方法ZBJ11020滚动轴承及其商品零件检验规则3技术要求
3.1层压管采用符合GB406的3036本色细平布浸渍酚醛树脂,经热卷烘焙而成。3.2管的尺寸
3.2.1长度:800±50mm,(允许有少量短于500mm,其总重量不超过提交批总重量的5%)。3.2.2内、外径:内、外径基本尺寸由供需双方协商确定,极限偏差:内径=8.5mm;外径+1.°mm。3.2.3壁厚偏差:应符合表1的要求。表1
3.3外观质量:管的内外表面应均勾,无起层、气泡、棱子和皱纹;端部应切割整齐,无开裂、分层,不允许有树脂堆积或异物。
3.4机械加工性能:应能适应车(包括车螺纹)、钻、锯、铣、磨等机械加工,加工后不应有脱落(掉渣)和分层。
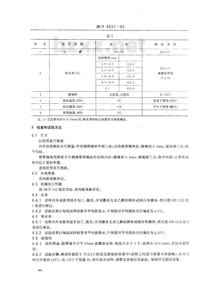
3.5点线度:不大于管长的千分之三3.6物理和机械性能:应符合表2的规定。机械电子工业部1993-05-12批准1994-01-01实施
项目名称
吸水率(%)
耐油性
抗张强度,MPa
抗压强度,MPa
抗弯强度,MPa
JB/T 4037—93
试样璧厚,mm
1. 5 ~~ 3. 0
无起泡、无裂纹
注:1)层压管内径小于30mm时,吸水率指标出供需双方协商确定。检查和试验方法
4.1尺寸
长度用直尺测量
测试条件
23+1℃
蒸馏水中浸
24±1h
4h130%
垂直于壁厚(径向)
平行于璧厚(轴向)
内外径用游标卡尺测量,外径测两端和中部三处;内径测两端两处,精确到0.1mm,每处测三点,取华均值。
壁厚偏差用游标卡尺测量管两端的外径和内径,精确到0.1mm,每端测三点,取平均值,计算外径和内径之差的半值。
直线度用直尺测量。
4.2外观质量
用肉眼观察评定。
4.3机械加工性能Www.bzxZ.net
按IB/Z141规定方法,用肉眼观察评定。4.4比重
4.4.1试样内外表面须经车加工、抛光,并用蘸有无水乙醇的绸布或细白布擦净,然后按GB5132的7条进行测定。
4.4.2试验结果以每组试样的算术平均值表示,个别值对平均值的允许偏差为土5%。4.5吸水率
4.5.1试样内外表面须经车加工、抛光,并用蘸有无水乙醇的绸布或细白布擦净,然后按GB5132的6条进行测定。
4.5.2试验结果以每组试样的算术平均值表示,个别值对平均值的允许偏差为士20%。4.6耐油性
4.6.1试样准备:距管端不少于50mm起截取试样,每组不少于3个,试样长50土1mm,直径为原管径。
4.6.2试验步骤:将试样悬挂于70土2C的变压器油浴容器中(试样之间或与容器不得接触)在半小时内升温到130℃,在130℃下保温4h,然后取出试样,观察其表面应无起泡,端面应无裂纹现象。450
4.7抗张强度(径向)
JB/T 4037.. 93
4.7.1本标准规定的抗张强度是对环状试样施加径向拉伸负荷至断裂时的强度4.7.2试样的制备:每组试样不少于5个,试样为圆环状,尺寸应符合下列规庭:宽度12士0.5013;厚为3±0.5mm,测量试样直径时,取三点测值的算术平均值为测量结果。4.7.3试验设备及用具
4.7.3.1材料试验机:示值误差不超过1%,试样破坏负荷应在试验机的刻度范围15%85之间,4.7.3.2卡具:备有与试样配合的一半圆块卡具,其形状、尺寸如图1。4.7.3.3量具:游标卡尺
4.7.4试验方法:将试样按图2装好,然后以10士2mm/min的速度施加负荷全试样断裂后,读取在。
抗张强度按(1)式计算:
P(D2+d)
hd(D-d2)
式中:o,——抗张强度,MPa;
-试样破坏负荷,N;
D试样外径,mm,
d-试样内径,mm;
h-—试样宽度,mm。
4.7.5试验结果以每组试样的算术平均值表示,个别值对平均值的允许偏差为土15%。4.8抗压强度(轴向)
4.8.1按GB5132的5条轴向试验方法进行测定。4.8.2试验结果以每组试样的算术平均值表示,个别值对平均值的允许偏差为土15%。4.9抗弯强度
4.9.1本方法是对试样施加弯曲负荷使之破坏,计算抗弯强度。4.9.2每组试样不少于5个,尺寸应符合如下规定:按原管径取长15+0.2mm。4.9.3试验设备及用具
4.9.3.1示值误差不超过1%的材料试验机,试样破坏负荷应在试验机的刻度15%~85%之间!4.9.3.2刻度不人干0.1mm的游标卡尺,4.9.4测望试样尺寸,取3点算术平均值为测量结果。4.9.5将试样按图3置于平台上,然后以10土2mm/min的速度施加负荷至试样断裂后,读取负荷值抗弯强度按(2)式计算:
抗弯强度,MPa:
式中: ,
-试样破坏负荷,N;
L-一试样长度,mm;
D一试样外径.mm;
试样内径,mm。
3P(D+d)2
rLd(D-d)2
4.9.6试验结果以每组试样的算术平均值表示,个别值对平均值允许偏差为土15%。152
销子孔
JB/T4037--93
图1抗张强度试样及卡具
图2抗张强度试验装译
中國块长!
5检验规则
JB/T4037-93
图3抗弯强度试验装置
5.1批的形成按ZBJ11020的4.2.1条的规定。5.2产品由制造厂的质量部门检验,出厂产品应附有产品质量合格证,并向用户提供物理和机械性能试验报告。
订户有权按本标准对物理和机械性能进行复检试验5.3尺寸和形状公差及外观质量的检验。须逐根检查,物理和机械性能的检验,每批任取三根按本标准的4.4至4.9条取样检验,在试验结果中如有-一项不符合本标准的技术要求时,则应由该批中努取双倍试样重复该项试验,若仍有一组不符合要求时,则该批为不合格产品。机械加工性能的检验,按供需双方协商的方法抽样检查。6标志,包装、运输和贮存
应符合GB1305的规定。
附加说明:
本标准由全国滚动轴承标准化技术委员会提出本标准由机械电子工业部洛阳轴承研究所归口并负责起草。本标雁起草人吴淑沁、叶春生。本标准首次发布于1985年。
小提示:此标准内容仅展示完整标准里的部分截取内容,若需要完整标准请到上方自行免费下载完整标准文档。