首页 > 机械行业标准(JB) > JB/T 4129-1999 冲压件毛刺高度
JB/T 4129-1999

基本信息

标准号: JB/T 4129-1999

中文名称:冲压件毛刺高度

标准类别:机械行业标准(JB)

标准状态:现行

发布日期:1999-06-24

实施日期:2000-06-24

出版语种:简体中文

下载格式:.rar.pdf

下载大小:131615

相关标签: 冲压件 毛刺 高度

标准分类号

标准ICS号:机械制造>>25.020制造成型过程

中标分类号:机械>>加工工艺>>J32锻压

关联标准

替代情况:JB 4129-1985

采标情况:DIN 9830,eqv

出版信息

页数:5 页

标准价格:8.0 元

相关单位信息

归口单位:全国锻压标准化技术委员会

发布部门:全国锻压标准化技术委员会

标准简介

JB/T 4129-1999 本标准等效采用 DIN 9830《冲压件的毛刺高度》。 本标准是对 JB 4129-85《冲压件毛刺高度》的修订。修订时将板料厚度作了适当修改。 本标准所列的数值在冲压公差的概念上是不允许的。但是,一般冲压件都带有不同程度的毛刺,毛刺高度超过一定限度,将影响产品的质量和使用性能。 本标准适用于对毛刺高度有一定要求的金属冲压件成品。 本标准不适用于对毛刺有特殊要求的成品件及精密冲裁件。 本标准于年月日首次发布。 JB/T 4129-1999 冲压件毛刺高度 JB/T4129-1999 标准下载解压密码:www.bzxz.net

标准图片预览

JB/T 4129-1999 冲压件毛刺高度
JB/T 4129-1999 冲压件毛刺高度
JB/T 4129-1999 冲压件毛刺高度
JB/T 4129-1999 冲压件毛刺高度
JB/T 4129-1999 冲压件毛刺高度

标准内容

ICS25.020
中华人民共和国机械行业标准
JB/T4129-1999
冲压件毛刺高度
Burrheightstandardforstampings1999-06-24发布
国家机械工业局
2000-01-01实施
JB/T4129—1999
本标准等效采用DIN9830《冲压件的毛刺高度》。本标准是对JB4129一85《冲压件毛刺高度》的修订。经过讨论及征求意见,根据代表意见对板料厚度≤0.1mm及>0.1~0.2mm的冲压件毛刺高度的极限值,作了适当的修改,并对原标准作了编辑性修改。
本标准自实施之日起代替JB412985。本标准由全国锻压标准化技术委员会提出并归口。本标准起草单位:国家机械工业局第四设计研究院。本标准主要起草人:程鸿。
1范围
中华人民共和国机械行业标准
冲压件毛刺高度
Burr height standard for stampingsJB/T4129—1999
代替JB4129—85
本标准所列的数值在冲压公差的概念上是不允许的。但是,一般冲压件都带有不同程度的毛刺。毛刺的高度超过一定限度,将影响产品的质量和使用性能。本标准适用于对毛刺高度有一定要求的金属冲压成品件。不适用于对毛刺有特殊要求的成品件及精密冲裁件。
2定义
本标准采用下列定义。
2.1冲压件毛刺
冲压件毛刺系指板料冲裁时留在冲压成品件断面口上的毛刺。如图1所示:落料冲压件断面
h毛刺高度:
一冲压件的材料厚度;
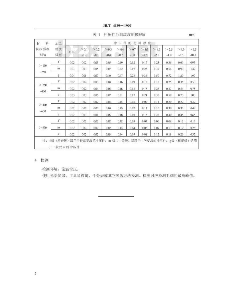
3毛刺高度的极限值
冲压件毛刺高度的极限值按照表1中的规定。国家机械工业局1999-06-24批准冲孔件断面
2000-01-01实施
抗拉强度
JB/T4129-1999
冲压件毛刺高度的极限值
冲压件的材料厚度
注:f级(精密级)适用于较高要求的冲压件:m级(中等级)
适用于中等要求的冲压件:
(粗糙级)适用
于一般要求的冲压件。
4检测
检测环境:常温常压。
使用光学仪器、工具显微镜、千分表或其它等效方法检测。检测时应检测毛刺的最高峰值。2
机械行业标准
冲压件毛刺高度
JB/T4129-1999
机械科学研究院出版发行
机械科学研究院印刷wwW.bzxz.Net
(北京首体南路2号:邮编100044)*
1/16印张1/2字数6000
开本880×1230
1999年11月第一版
1999年11月第一次印刷
印数1-500
定价500元
99-937
机械工业标准服务网:http/AvwwJB.ac.cn666
小提示:此标准内容仅展示完整标准里的部分截取内容,若需要完整标准请到上方自行免费下载完整标准文档。