首页 > 机械行业标准(JB) > JB/T 4208.1-1996 冷镦模具通用件 切料刀 A型
JB/T 4208.1-1996

基本信息

标准号: JB/T 4208.1-1996

中文名称:冷镦模具通用件 切料刀 A型

标准类别:机械行业标准(JB)

标准状态:现行

发布日期:1996-09-03

实施日期:1997-07-01

出版语种:简体中文

下载格式:.rar.pdf

下载大小:84213

相关标签: 冷镦 模具 通用件 切料

标准分类号

中标分类号:机械>>工艺装备>>J46模具

关联标准

替代情况:JB 4208.1-1986

出版信息

出版社:机械工业出版社

页数:7页

标准价格:8.0 元

出版日期:1997-07-01

相关单位信息

起草人:李坚

起草单位:沈阳标准化研究所

归口单位:机械工业部北京机电研究所

提出单位:全国模具标准化技术委员会

发布部门:中华人民共和国机械工业部

标准简介

本标准规定了冷镦GB 5780~5786六角头螺栓M3~M12、GB 70内六角圆柱头螺钉M4~M12及屯65~69、GB 818~820螺钉M2~M10A型刀料刀的结构型式与尺寸、技术要求和标记。 本标准适用于双击整模自动冷镦机和多工位自动冷镦机的模盯。 JB/T 4208.1-1996 冷镦模具通用件 切料刀 A型 JB/T4208.1-1996 标准下载解压密码:www.bzxz.net

标准图片预览

JB/T 4208.1-1996 冷镦模具通用件 切料刀 A型
JB/T 4208.1-1996 冷镦模具通用件 切料刀 A型
JB/T 4208.1-1996 冷镦模具通用件 切料刀 A型
JB/T 4208.1-1996 冷镦模具通用件 切料刀 A型

标准内容

1范围
中华人民共和国机械行业标准
冷模具通用件
切料刀A型
JB/T 4208.1—96
代替JB4208.1--86
本标准规定了冷镦GB5780~5786六角头螺栓M3~M12,GB70内六角圆柱头螺钉M4~M12及GB65~~69.GB818~~820螺钉M2~~M10A型切料刀的结构型式与尺寸、技术要求和标记。本标准适用于双击整模自动冷镦机和多工位自动冷机的模具。2引用标准
下列标准所包含的条文,通过在本标准中引用而构成为本标准的条文。本标准出版时,所示版本均为有效。所有标准都会被修订,使用本标准的各方应探讨使用下列标准最新版本的可能性。5开槽圆柱头螺钉
GB 65-—85
GB 67-85
GB 68--85
GB 69—85
GB70—85
开槽盘头螺钉
开槽沉头螺钉
开槽半沉头螺钉
内六角圆柱头螺钉
GB 818—85
,十字槽盘头螺钉
GB819—85
GB 820—85
十字槽沉头螺钉
十字槽半沉头螺钉
GB 5780—86
GB 5781-
GB5782—86
GB 5783-86
六角头螺栓
金C级
六角头螺栓
六角头螺栓
六角头螺栓
全螺纹C级
A和B级
全螺纹A和B级
GB 5784--86
细杆B级
六角头螺栓
GB5785-86六角头螺栓
细牙A和B级
GB5786—86六角头螺栓
细牙全螺纹A和B级
GB 699—88
优质碳素结构钢技术条件
JB/T 4213--96\
紧固件冷镦模具技术条件
3结构型式与尺寸
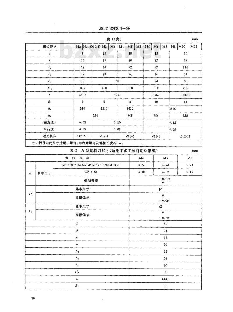
A型切料刀的结构型式如图1所示,尺寸在表1、表2中给出。中华人民共和国机械工业部1996-09-03批准24
1997-07-01实施
#本尺
螺纹规格
JB/T4208.1—96
5×45°
图1A型切料刀结构型式
5×45°
表1A型切料刀尺寸(适用于双击整模自动冷镦机)M2M2.5M2.5M3
GB5780~5783
GB 5785~5786
GB5784
GB 65~820
极限偏差
基本尺寸
极限偏差
基本尺寸
极限偏差
M8|M10
2.843.803.804.785.784.785.787.727.729.721. 652. 122. 12|2. 58 3. 44
3.444.365.214.365.217.047.048.853.843.844.845.844.84|5.847.80|7.80|9.80+0.060
螺纹规格
垂直度:
平行度t
适用机床
JB/T4208.1-96
表1(完)
M2M2.5M2.5M3M4M4M5M6
注:括号内的尺寸适用于螺钉、内六角螺钉及螺栓长度≤3d。15
表2A型切料刀尺寸(适用于多工位自动羚镦机)螺纹规格
GB57805783,GB57855786.GB70
基本尺寸
GB5784
极限偏差
基本尺寸
极限偏差
基本尺寸
极限偏差
Z12-12免费标准下载网bzxz
螺纹规格
垂直度:
平行度:
适用机床
JB/T 4208.1—96
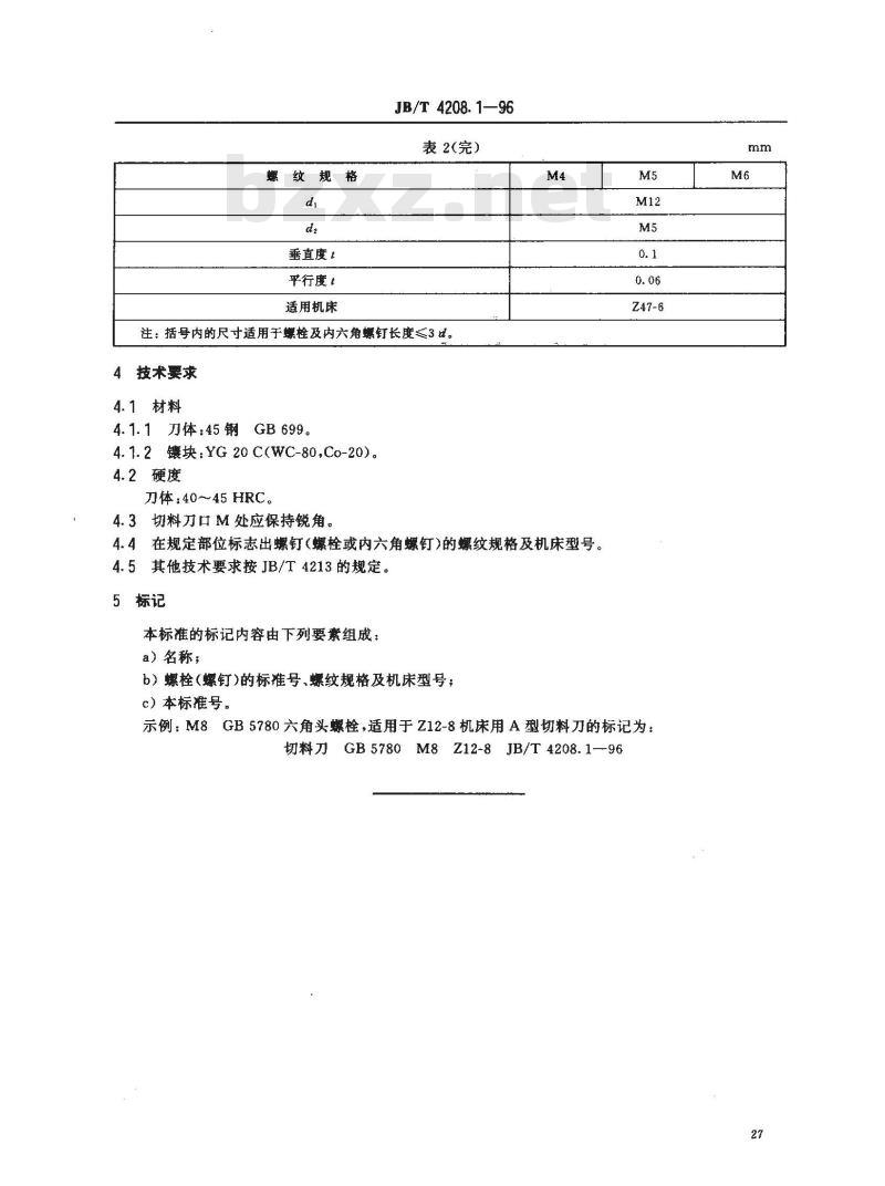
表2(完)
注:括号内的尺寸适用于螺栓及内六角螺钉长度≤3。4技术要求
4.1材料
4.1.1刀体:45钢GB699。
4.1.2 镶块:YG 20 C(WC-80,Co-20)。4.2硬度
刀体:40~45HRC
4.3切料刀口M处应保持锐角。
4.4在规定部位标志出螺钉(螺栓或内六角螺钉)的螺纹规格及机床型号。4.5其他技术要求按JB/T4213的规定。5标记
本标准的标记内容由下列要素组成:a)名称;
b)螺栓(螺钉)的标准号、螺纹规格及机床型号;c)本标准号。
示例:M8GB5780六角头螺栓,适用于Z12-8机床用A型切料刀的标记为:切料刀GB5780M8Z12-8JB/T4208.1-96mm
小提示:此标准内容仅展示完整标准里的部分截取内容,若需要完整标准请到上方自行免费下载完整标准文档。