首页 > 机械行业标准(JB) > JB/T 4208.6-1996 冷镦模具通用件 切料刀 F型
JB/T 4208.6-1996

基本信息

标准号: JB/T 4208.6-1996

中文名称:冷镦模具通用件 切料刀 F型

标准类别:机械行业标准(JB)

标准状态:现行

发布日期:1996-09-03

实施日期:1997-07-01

出版语种:简体中文

下载格式:.rar.pdf

下载大小:50341

相关标签: 冷镦 模具 通用件 切料

标准分类号

中标分类号:机械>>工艺装备>>J46模具

关联标准

替代情况:JB 4208.6-1986

出版信息

出版社:机械行业出版社

页数:5页

标准价格:8.0 元

出版日期:1997-07-01

相关单位信息

起草人:李 坚

起草单位:沈阳标准件研究所

归口单位:北京机电研究所

提出单位:全国模具标准化技术委员会

发布部门:中华人民共和国机械工业部

标准简介

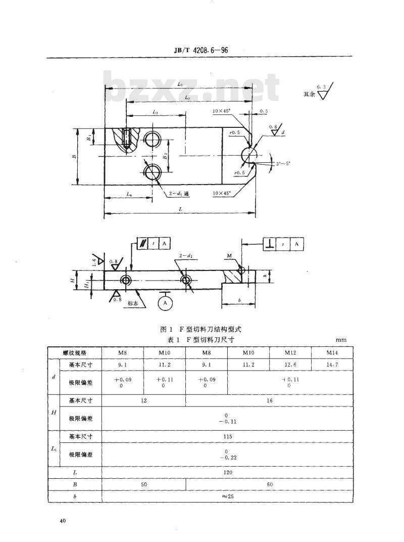
本标准规定了冷镦GB 6170~6171、GB 6175~6176六角螺母M8~M14型切料刀的结构型式与尺寸、技术要求和标记。 本标准适用于螺母自动冷镦机的模具。 JB/T 4208.6-1996 冷镦模具通用件 切料刀 F型 JB/T4208.6-1996 标准下载解压密码:www.bzxz.net

标准图片预览

JB/T 4208.6-1996 冷镦模具通用件 切料刀 F型
JB/T 4208.6-1996 冷镦模具通用件 切料刀 F型
JB/T 4208.6-1996 冷镦模具通用件 切料刀 F型

标准内容

1范圈
中华人民共和国机械行业标准
冷镦模具通用件
切料刀F型
JB/T4208.6—96www.bzxz.net
代替JB4208.6--86
本标准规定了冷镦GB6170~6171,GB6175~~6176六角螺母M8~M14F型切料刀的结构型式与尺寸,技术要求和标记。
本标准适用于螺母自动冷镦机的模具。2引用标准
下列标准所包含的条文,通过在本标准中引用而构成为本标准的条文。本标准出版时,所示版本均为有效。所有标准郁会被修订,使用本标准的各方应探讨使用下列标准最新版本的可能性。GB6170--861型六角螺母A和B级
GB6171-861型六角螺母细牙A和B级GB6175-862型六角螺母A和B级
GB6176-862型六角螺母细牙A和B级YB9-68铬轴承钢技术条件
GB1298-86碳素工具钢技术条件
JB/T4213—96紧固件冷镦模具技术条件3结构型式与尺寸
F型切料刀的结构型式如图1所示,尺寸在表1中给出。中华人民共和国机城工业都1996-09-03批准1997~07-01实施
螺纹规格
基本尺寸
极限偏差
基本尺寸
极限偏差
基本尺寸
极限偏差
JB/T 4208.6—96
10×45%
2-di通
10×45°
图1F型切料刀结构型式
表1‘F型切料乃尺寸
螺纹规格
垂直度:
平行度t
适用机床
技术要求
JB/T 4208.6-96
表1(完)
4.1材料GCr15YB9或T10AGB1298。4.2热处理硬度6段5862HRC,其余45~50HRC。4.3切料刀口M处应保持锐角。
4.4在规定部位标志出螺母标准号、螺纹规格及机床型号。4.5其他技术要求按JB/T4213的规定。5标记
本标准的标记内容由下列要素组成:a)名称;
b)螺母的标准号、螺纹规格及机床型号:c)本标准号。
示例:M12GB6170六角螺母,适用于A412机床用F型切料刀的标记为:切料刀GB6170M12A412JB/T4208.6—96mm
小提示:此标准内容仅展示完整标准里的部分截取内容,若需要完整标准请到上方自行免费下载完整标准文档。