首页 > 机械行业标准(JB) > JB/T 4208.10-1996 冷镦模具通用件 切料模 A型
JB/T 4208.10-1996

基本信息

标准号: JB/T 4208.10-1996

中文名称:冷镦模具通用件 切料模 A型

标准类别:机械行业标准(JB)

标准状态:现行

发布日期:1996-09-03

实施日期:1997-07-01

出版语种:简体中文

下载格式:.rar.pdf

下载大小:43784

相关标签: 冷镦 模具 通用件

标准分类号

中标分类号:机械>>工艺装备>>J46模具

关联标准

替代情况:JB 4208.10-1986

出版信息

出版社:机械工业出版社

页数:5页

标准价格:8.0 元

出版日期:1997-07-01

相关单位信息

起草人:李坚

起草单位:沈阳标准件研究所

归口单位:机械工业部北京机电研究所

提出单位:全国模具标准化技术委员会

发布部门:中华人民共和国机械工业部

标准简介

本标准规定了冷镦GB 67~69,GB 818~820螺钉M2~M2.5A型切料模的结构型式与尺寸、技术要求和标记。 本标准适用于双击整模自动冷镦的模具。 JB/T 4208.10-1996 冷镦模具通用件 切料模 A型 JB/T4208.10-1996 标准下载解压密码:www.bzxz.net

标准图片预览

JB/T 4208.10-1996 冷镦模具通用件 切料模 A型
JB/T 4208.10-1996 冷镦模具通用件 切料模 A型

标准内容

中华人民共和国机械行业标准
冷模具通用件
切料模A型
JB/T4208.10--96
代替JB4208.10--86
本标准规定了冷镦GB67-69,GB818~820螺钉M2M2.5A型切料模的结构型式与尺寸、技术要求和标记。
本标准适用于双击整模自动冷镦机的模具,2引用标准
下列标准所包含的条文,通过在本标准中引用而构戒为本标准的条文。本标准出版时,所示版本均为有效。所有标准都会被修订,使用本标准的各方应探讨使用下列标准最新版本的可能性。GB67—85开槽盘头螺钉
GB68—85开槽沉头螺钉
GB69—85开槽半沉头螺钉
GB818--85+字槽盘头螺钉
GB820-85十字槽半沉头螺钉
YB12--72高速工具钢技术条件
JB/T4213--96紧固件冷徽模具技术条件3结构型式与尺寸
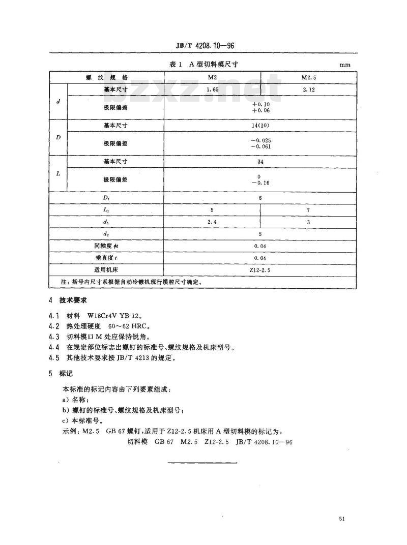
A型切料模的结构型式如图1所示,尺寸在表1中给出。M
1×45″
图1A型切料模结构型式
中华人民共和国机械工业部1996-09-03批准50
1997-07-01实施
螺纹规格
基本尺寸
极限偏差
基本尺寸
极限偏差
基本尺寸
极限偏差
同轴度虹
垂直度t
适用机床
JB/T 4208.10—96
表1A型切料模尺寸
注:括号内尺寸系根据自动冷镦机现行模腔尺寸确定。技术要求
4.1材料W18Cr4VYB12。
4.2热处理硬度60~62HRC。
4.3切料模口M处应保持锐角。
4.4在规定部位标志出螺钉的标准号、螺纹规格及机床型号。4.5其他技术要求按JB/T4213的规定。5标记
本标准的标记内容由下列要素组成:a)名称;bzxZ.net
b)螺钉的标准号、螺纹规格及机床型号;c)本标准号。
14(10)
示例:M2.5GB67螺钉,适用于Z12-2.5机床用A型切料模的标记为:切料模GB67M2.5Z12-2.5JB/T4208.10—96M2.5
小提示:此标准内容仅展示完整标准里的部分截取内容,若需要完整标准请到上方自行免费下载完整标准文档。