首页 > 机械行业标准(JB) > JB/T 4208.11-1996 冷镦模具通用件 切料模 B型
JB/T 4208.11-1996

基本信息

标准号: JB/T 4208.11-1996

中文名称:冷镦模具通用件 切料模 B型

标准类别:机械行业标准(JB)

标准状态:现行

发布日期:1996-09-03

实施日期:1997-07-01

出版语种:简体中文

下载格式:.rar.pdf

下载大小:76648

相关标签: 冷镦 模具 通用件

标准分类号

中标分类号:机械>>工艺装备>>J46模具

关联标准

替代情况:JB 4208.11-1986

出版信息

出版社:机械工业出版社

页数:6页

标准价格:8.0 元

出版日期:1997-07-01

相关单位信息

起草人:李坚

起草单位:沈阳标准件研究所

归口单位:机械工业部北京机电研究所

提出单位:全国模具标准化技术委员会

发布部门:中华人民共和国机械工业部

标准简介

本标准规定了冷镦GB 5780~5786六角头螺栓M3~M12、GB 70内六角圆柱头螺钉M4~M12及GB 65~69、GB 818~820螺钉M3~M10B型切料模的结构型式与尺寸,技术要求和标记。 本标准适用于双击整模自动冷镦机和多工位自动冷镦机的模具。 JB/T 4208.11-1996 冷镦模具通用件 切料模 B型 JB/T4208.11-1996 标准下载解压密码:www.bzxz.net

标准图片预览

JB/T 4208.11-1996 冷镦模具通用件 切料模 B型
JB/T 4208.11-1996 冷镦模具通用件 切料模 B型
JB/T 4208.11-1996 冷镦模具通用件 切料模 B型

标准内容

1范围
中华人民共和国机械行业标准
冷辙模真通用件
切料模
JB/T 4208.11--96
代替JB4208.11--86
本标准规定了冷镦GB5780~5786六角头螺栓M3~M12、GB70内六角圆柱头螺钉M4~M12及GB65~69、GB818~820螺钉M3~M10B型切料模的结构型式与尺寸、技术要求和标记。本标准适用于双击整模自动冷镦机和多工位自动冷机的模具。2引用标准
下列标准所包含的条文,通过在本标准中引用而构成为本标准的条文。本标准出版时,所示版本均为有效。所有标准都会被修订,使用本标准的各方应探讨使用下列标准最新版本的可能性。GB5780—86六角头螺栓C级
GB 5781--86
GB 578286
GB 5783—86
GB 5784-—86
GB 5785--86
GB 5786—86
GB 70—85
GB 65--85
GB 67—85
GB68—85
GB69—85
六角头螺栓
六角头螺栓
六角头螺栓
六角头螺栓,
六角头螺栓
全螺纹C级
A和B级
全螺纹A和B级
细杆B级
细牙A和B级
六角头螺栓
全螺纹A和B级
内六角圆柱头螺钉
开槽圆柱头螺钉
开槽盘头螺钉
开槽沉头螺钉
开槽半沉头螺钉
GB818—85十字槽盘头螺钉
GB820-85十字槽半沉头螺钉
GB1298-86碳素工具钢技术条件
JB/T4213-96紧固件冷模具技术条件3结构型式与尺寸
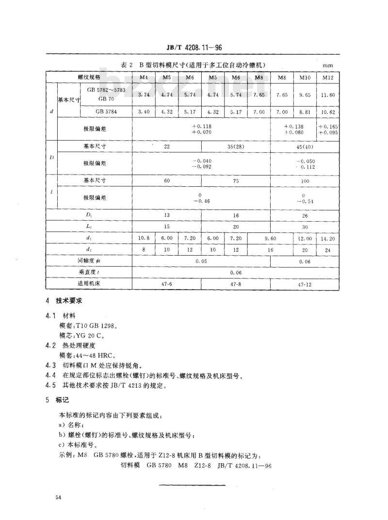
B型切料模的结构型式如图1所示,尺寸在表1、表2中给出。中华人民共和国机械工业部1996-09-03批准52
1997-07-01实施
螺纹规格
2-1×45°
JB/T 4208.11—96
图1B型切料模结构型式
表1B型切料模尺寸(适用于双击整模自动冷镦机)M2.5
GB5780--5783
GB 5785~5786
GB 5784,GB 65~~69
GB 818~~820此内容来自标准下载网
极限偏差
基本尺寸
极限偏差
基本尺寸
极限偏差
同轴度虹
垂直度t
适用机床
—0. 032
注:括号内尺寸系根据自动冷镦机现行模腔尺寸确定。M5
7.727.729.72
35(28)
45(40)
Z12-12
螺纹规格
JB/T4208.11—-96
表2B型切料模尺寸(适用于多工位自动冷机)M4
GB 5782~5783
基本尺寸
GB5784
极限偏差
基本尺寸
极限偏差
基本尺寸
极限偏差
同轴度虹
垂直度!
适用机床
4技术要求
4.1材料
模套:T10GB1298。
模芯:YG20C。
4.2热处理硬度
模套:44~48HRC
4.3切料模口M处应保持锐角。
35(28)
4.4在规定部位标志出螺栓(螺钉)的标准号、螺纹规格及机床型号。4.5其他技术要求按JB/T4213的规定。5标记
本标准的标记内容由下列要素组成:a)名称;
b)螺栓(螺钉)的标准号、螺纹规格及机床型号;c)本标雄号。
45(40)
示例:M8GB5780螺栓,适用于Z12-8机床用B型切料模的标记为:GB 5780M8Z12-8JB/T 4208.11—96切料模
小提示:此标准内容仅展示完整标准里的部分截取内容,若需要完整标准请到上方自行免费下载完整标准文档。