首页 > 机械行业标准(JB) > JB/T 4208.12-1996 冷镦模具通用件 切料模 C型
JB/T 4208.12-1996

基本信息

标准号: JB/T 4208.12-1996

中文名称:冷镦模具通用件 切料模 C型

标准类别:机械行业标准(JB)

标准状态:现行

发布日期:1996-09-03

实施日期:1997-07-01

出版语种:简体中文

下载格式:.rar.pdf

下载大小:44104

相关标签: 冷镦 模具 通用件

标准分类号

中标分类号:机械>>工艺装备>>J46模具

关联标准

替代情况:JB 4208.12-1986

出版信息

出版社:机械行业出版社

页数:5页

标准价格:8.0 元

出版日期:1997-07-01

相关单位信息

起草人:李 坚

起草单位:沈阳标准件研究所

归口单位:机械工业部北京机电研究所

提出单位:全国模具标准化技术委员会

发布部门:中华人民共和国机械工业部

标准简介

本标准规定了冷镦GB 6170~6171,GB 6175~6176六角螺母M1.6~M6C型切料模的结构型式与尺寸、技术要求和标记。 本标准适用于螺母自动冷镦机的模具。 JB/T 4208.12-1996 冷镦模具通用件 切料模 C型 JB/T4208.12-1996 标准下载解压密码:www.bzxz.net

标准图片预览

JB/T 4208.12-1996 冷镦模具通用件 切料模 C型
JB/T 4208.12-1996 冷镦模具通用件 切料模 C型

标准内容

中华人民共和国机械行业标准
冷模具通用件
切料模C型
JB/T4208.12-96
代替JB4208.1286
本标准规定了冷镦GB6170~6171,GB6175~~6176六角螺母M1.6~~M6C型切料模的结构型式与尺寸、技术要求和标记。
本标准适用于螺母自动冷镦机的模具。2引用标准
下列标准所包含的条文,通过在本标准中引用而构成为本标准的条文。本标准出版时,所示版本均为有效。所有标准都会被修订,使用本标准的各方应探讨使用下列标准最新版本的可能性。GB6170—861型六角螺母A和B级
GB6171—861型六角螺母细牙A和B级GB6175-862型六角螺母A和B级
GB6176—862型六角螺母细牙A和B级GB1222—84弹簧钢
JB/T4213—96紧固件冷镦模具
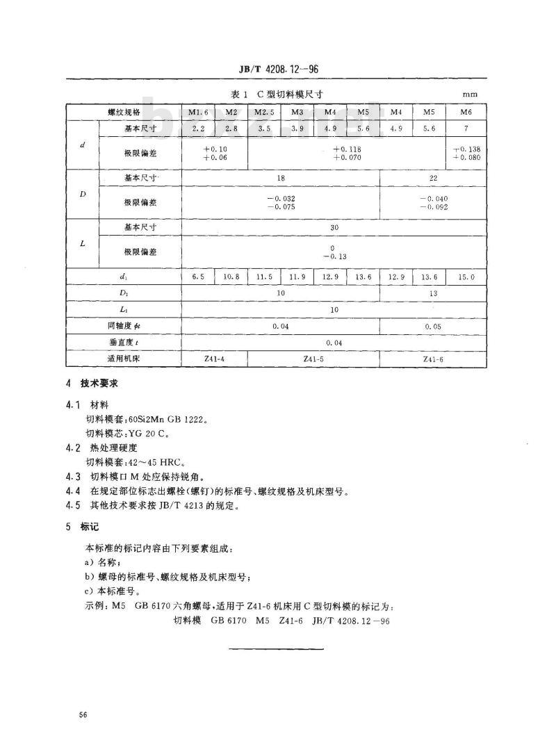
3结构型式与尺寸
技术条件
C型切料模的结构型式如图1所示,尺寸在表1中给出。-1×45°
图1C型切料模结构型式
中华人民共和国机械工业部1996-09-03批准1997-07-01实施
螺纹规格
基本尺寸
极限偏差
基本尺寸:
极限偏差
基本尺寸
极限偏差
同轴度t
垂直度t
适用机床
技术要求
4.1材料
JB/T4208.12-96免费标准bzxz.net
切料模套:60Si2MnGB1222。
切料模芯:YG20C。
4.2热处理硬度
切料模套:42~45HRC。
4.3切料模口M处应保持锐角。
C型切料模尺寸
4.4在规定部位标志出螺栓(螺钉)的标准号、螺纹规格及机床型号。4.5其他技术要求按JB/T4213的规定。5标记
本标准的标记内容由下列要素组成:a)名称;
b)螺母的标准号、螺纹规格及机床型号;c)本标准号。
示例:M5GB6170六角螺母,适用于Z41-6机床用C型切料模的标记为:切料模GB6170M5Z41-6JB/T4208.12—9656
小提示:此标准内容仅展示完整标准里的部分截取内容,若需要完整标准请到上方自行免费下载完整标准文档。