首页 > 机械行业标准(JB) > JB/T 4208.13-1996 冷镦模具通用件 切料模 D型
JB/T 4208.13-1996

基本信息

标准号: JB/T 4208.13-1996

中文名称:冷镦模具通用件 切料模 D型

标准类别:机械行业标准(JB)

标准状态:现行

发布日期:1996-09-03

实施日期:1997-07-01

出版语种:简体中文

下载格式:.rar.pdf

下载大小:68392

相关标签: 冷镦 模具 通用件

标准分类号

中标分类号:机械>>工艺装备>>J46模具

关联标准

替代情况:JB 4208.13-1986

出版信息

出版社:机械行业出版社

页数:6页

标准价格:8.0 元

出版日期:1997-07-01

相关单位信息

起草人:李 坚

起草单位:沈阳标准件研究所

归口单位:机械工业部北京机电研究所

提出单位:全国模具标准化技术委员会

发布部门:中华人民共和国机械工业部

标准简介

本标准规定了冷镦GB 5780~5786六角螺栓M14~M20,GB 70内六角圆柱头螺钉M14~M20及GB 6170~6171、GB 6175~6176六角螺母M14~M20D型切料模的结构型式与尺寸、技术要求和标记。 本标准适用于双击整模自动冷镦机和多工位自动冷镦机的模具。 JB/T 4208.13-1996 冷镦模具通用件 切料模 D型 JB/T4208.13-1996 标准下载解压密码:www.bzxz.net

标准图片预览

JB/T 4208.13-1996 冷镦模具通用件 切料模 D型
JB/T 4208.13-1996 冷镦模具通用件 切料模 D型
JB/T 4208.13-1996 冷镦模具通用件 切料模 D型

标准内容

1范围
中华人民共和国机械行业标准
冷镦模具通用件
切料模D型
JB/T 4208.13—96
代替JB4208.1386
本标准规定了冷镦GB5780~5786六角头螺栓M14~M20.GB70内六角圆柱头螺钉M14~M20及GB6170~6171、GB6175~6176六角螺母M14~M20D型切料模的结构型式与尺寸、技术要求和标记。
本标准适用于双击整模自动冷镦机和多工位自动冷镦机的模具。2引用标准
下列标准所包含的条文,通过在本标准中引用而构成为本标准的条文。本标准出版时,所示版本均为有效。所有标准都会被修订,使用本标准的各方应探讨使用下列标准最新版本的可能性。GB 5780-—86
六角头螺栓
GB 5781—86
GB 5782-86
GB 5783--86
GB 578486
GB 5785—86
GB 5786-86
GB 70—85
六角头螺栓
六角头螺栓
六角头螺栓
六角头螺栓
六角头螺栓
六角头螺栓
全螺纹C级
A和B级
全螺纹A和B级
细杆B级
细牙A和B级
全螺纹
内六角圆柱头螺钉
A和B级
GB 6170--86
1型六角螺母
A和B级
GB6171—861型六角螺母
细牙A和B级
GB6175—862型六角螺母A和B级
GB6176-862型六角螺母细牙A和B级YB12—72高速工具钢技术条件
JB/T4213-96紧固件冷镦模具技术条件3结构型式与尺寸
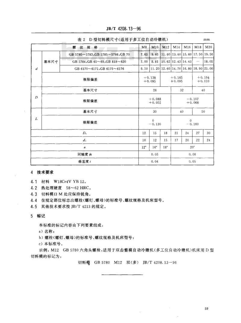
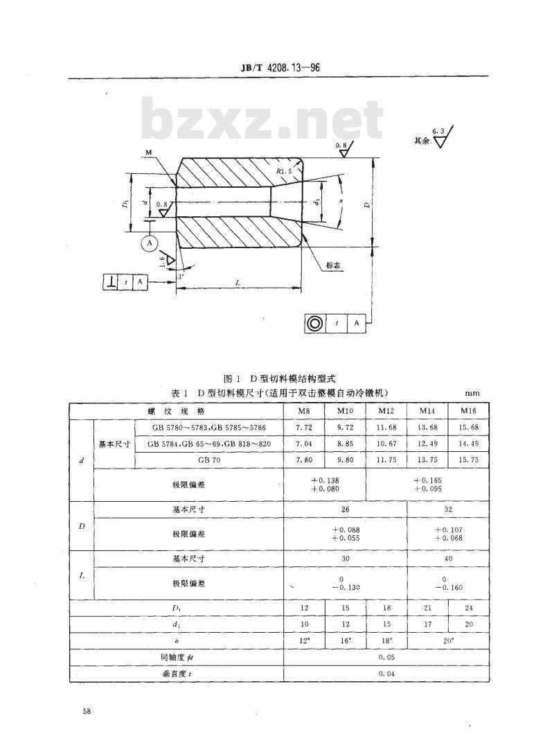
D型切料模的结构型式如图1所示,尺寸在表1、表2中给出。中华人民共和国机械工业部1996-09-03批准1997-07-01实施
基本尺寸
JB/T4208.13—96
图1D型切料模结构型式
表1D型切料模尺寸(适用于双击整模自动冷镦机)螺纹规格
GB5780--5783.GB5785~5786
GB 5784,GB 65~~69.GB 818~820GB70
极限偏差
基本尺寸
极限偏差
基本尺寸
极限偏差
同轴度虹
垂直度t
其余:
基本尺寸
技术要求
JB/T 4208.13—96
表2D型切料模尺寸(适用于多工位自动冷机)螺纹规格
GB5780~5783GB5785~5786,GB70
GB5784,GB65~69,GB818-~820
GB 6170~6171,GB 6175~~6176
极限偏差
基本尺寸
极限偏差
基本尺寸
极限偏差
同轴度虹
垂直度t
材料W18Cr4V YB 12。
热处理硬度58~62HRC。
4.3切料模口M处应保持锐角。
11.6013.6015.6017.5019.50
7. 65 9. 65bZxz.net
10.6212.4314.43
9.1011.2012.60
14.7016.8018.9021.00
在规定部位标志出螺栓(螺钉、螺母)的标准号、螺纹规格及机床型号。4.4
4.5其他技术要求按JB/T4213的规定。5标记
本标准的标记内容由下列要素组成:a)名称,
b)螺栓(螺钉、螺母)的标准号、螺纹规格及机床型号;c)本标准号。
示例:M12GB5780六角头螺栓,适用于双击整模自动冷镦机(多工位自动冷镦机)机床用D型切料模的标记为:
切料模GB5780M12双(多)JB/T4208.13--9659
小提示:此标准内容仅展示完整标准里的部分截取内容,若需要完整标准请到上方自行免费下载完整标准文档。