首页 > 机械行业标准(JB) > JB/T 4208.15-1996 冷镦模具通用件 缩径模 B型
JB/T 4208.15-1996

基本信息

标准号: JB/T 4208.15-1996

中文名称:冷镦模具通用件 缩径模 B型

标准类别:机械行业标准(JB)

标准状态:现行

发布日期:1996-09-03

实施日期:1997-07-01

出版语种:简体中文

下载格式:.rar.pdf

下载大小:72296

相关标签: 冷镦 模具 通用件

标准分类号

中标分类号:机械>>工艺装备>>J46模具

关联标准

替代情况:JB 4208.15-1986

出版信息

出版社:机械行业出版社

页数:6页

标准价格:8.0 元

出版日期:1997-07-01

相关单位信息

起草人:李 坚

起草单位:沈阳标准件研究所

归口单位:机械工业部北京机电研究所

提出单位:全国模具标准化技术委员会

发布部门:中华人民共和国机械工业部

标准简介

本标准规定了冷镦GB 5781、GB 5783、GB 5786六角头螺栓及GB70内六角圆柱头螺钉M4~M20B型缩径模(全螺纹)的结构型式与尺寸、技术要求和标记。 本标准适用于双击整模自动冷镦机和多工位自动冷镦机的模具。 JB/T 4208.15-1996 冷镦模具通用件 缩径模 B型 JB/T4208.15-1996 标准下载解压密码:www.bzxz.net

标准图片预览

JB/T 4208.15-1996 冷镦模具通用件 缩径模 B型
JB/T 4208.15-1996 冷镦模具通用件 缩径模 B型
JB/T 4208.15-1996 冷镦模具通用件 缩径模 B型

标准内容

1范围
中华人民共和国机械行业标准
冷镦模具通用件
缩径模
JB/T4208.15--96
代替JB4208.15-—86
本标准规定了冷镦GB5781、GB5783.GB5786六角头螺栓及GB70内六角圆柱头螺钉M4~M20B型缩径模(全螺纹)的结构型式与尺寸、技术要求和标记。本标准适用于双击整模自动冷镦机和多工位自动冷镦机的模具。2引用标准
下列标准所包含的条文,通过在本标准中引用而构成为本标准的条文。本标准出版时,所示版本均为有效。所有标准都会被修订,使用本标准的各方应探讨使用下列标准最新版本的可能性。GB5781--86六角头螺栓全螺纹C级GB5783--86六角头螺栓全螺纹A和B级GB5786—86六角头螺栓细牙全螺纹A和B级GB70—85内六角圆柱头螺钉
GB1299—85合金工具钢技术条件GB1222—84弹簧钢
JB/T4213—96紧固件冷镦模具技术条件3结构型式与尺寸
B型缩径模(全螺纹)的结构型式如图1所示,尺寸在表1、表2中给出。RI.S
24°8g
30° +
图1B型缩径模结构型式
中华人民共和国机械工业部1996-09-03批准其余
1997-07-01实施
螺纹规格
JB/T 4208.15-96
表1B型缩径模尺寸(适用于GB5781.GB5783和GB70)M4
基本尺寸
极限偏差
基本尺寸
极限偏差
基本尺寸
极限偏差
基本尺寸
极限偏差
d2比d实际尺寸增加值
hi最大
同轴度虹
垂直度:
螺纹规格
基本尺寸
极限偏差
基本尺寸
极限偏差bZxz.net
基本尺寸
极限偏差
基本尺寸
极限偏差
dz比d实际尺寸
增加值
0. 02~0. 04
0. 03~~ 0. 05
2、19
根据硬质合金毛坏长度确定
0. 04 ~~0. 06
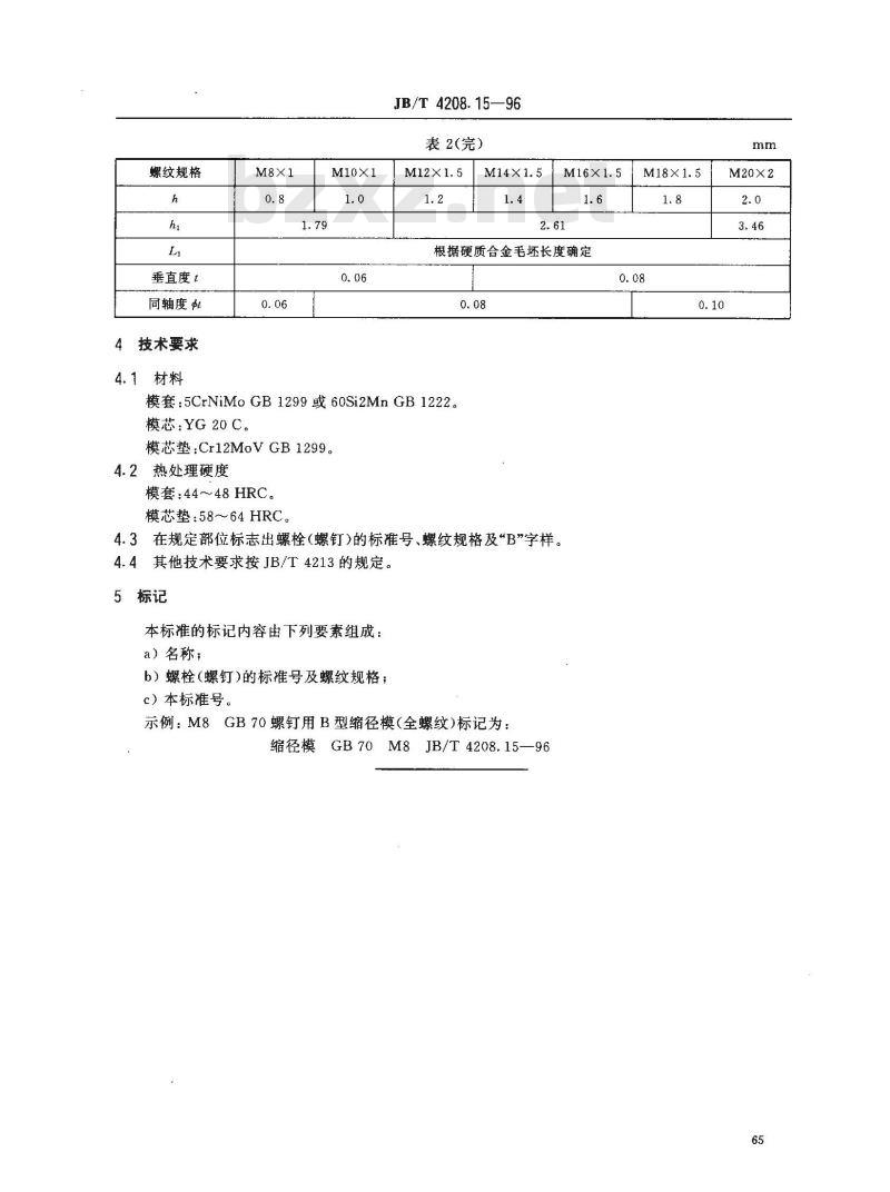
表2B型缩径模尺寸(适用于GB5786)M10x1
0.03~~0.05
0. 04~0. 06
0. 05 ~0. 07
M20×2
0. 05~~0. 07
螺纹规格
垂直度t
同轴度虹
4技术要求
4.1材料
JB/T4208.15—96
表2(完)
根据硬质合金毛坏长度确定
模套:5CrNiMoGB1299或60Si2MnGB1222。模芯:YG20C。
模芯垫:Cr12MoVGB1299。
4.2热处理硬度
模套:44~48HRC。
模芯垫:58~~64HRC。
4.3在规定部位标志出螺栓(螺钉)的标准号、螺纹规格及“B”字样。4.4其他技术要求按JB/T4213的规定。5标记
本标准的标记内容由下列要素组成:a)名称,
b)螺栓(螺钉)的标准号及螺纹规格;c)本标准号。
3GB70螺钉用B型缩径模(全螺纹)标记为:示例:M8
缩径模GB70M8JB/T 4208.15—96mm
小提示:此标准内容仅展示完整标准里的部分截取内容,若需要完整标准请到上方自行免费下载完整标准文档。