首页 > 机械行业标准(JB) > JB/T 4208.16-1996 冷镦模具通用件 顶料杆 A型
JB/T 4208.16-1996

基本信息

标准号: JB/T 4208.16-1996

中文名称:冷镦模具通用件 顶料杆 A型

标准类别:机械行业标准(JB)

标准状态:现行

发布日期:1996-09-03

实施日期:1997-07-01

出版语种:简体中文

下载格式:.rar.pdf

下载大小:47432

相关标签: 冷镦 模具 通用件

标准分类号

中标分类号:机械>>工艺装备>>J46模具

关联标准

替代情况:JB 4208.16-1986

出版信息

出版社:机械行业出版社

页数:5页

标准价格:8.0 元

出版日期:1997-07-01

相关单位信息

起草人:李 坚

起草单位:沈阳标准件研究所

归口单位:机械工业部北京机电研究所

提出单位:全国模具标准化技术委员会

发布部门:中华人民共和国机械工业部

标准简介

本标准规定了冷镦GB 5781、GB 5783、GB 5786六角头螺栓M3~M16及GB 70内六角圆柱头螺钉M14~M16A型顶料杆的结构型式与尺寸、技术要求和标记。 本标准适用于双击整模自动冷镦机的模具。 JB/T 4208.16-1996 冷镦模具通用件 顶料杆 A型 JB/T4208.16-1996 标准下载解压密码:www.bzxz.net

标准图片预览

JB/T 4208.16-1996 冷镦模具通用件 顶料杆 A型
JB/T 4208.16-1996 冷镦模具通用件 顶料杆 A型

标准内容

中华人民共和国机械行业标准
冷模具通用件
顶料杆A型
JB/T 4208.1696
代替JB4208.16--86
本标准规定了冷镦GB5781、GB5783、GB5786六角头螺栓M3~~M16及GB70内六角圆柱头螺钉M4~M16A型顶料杆的结构型式与尺寸、技术要求和标记。本标准适用于双击整模自动冷镦机的模具。2 引用标准
下列标准所包含的条文,通过在本标准中引用而构成为本标准的条文。本标准出版时,所示版本均为有效。所有标准都会被修订,使用本标准的各方应探讨使用下列标准最新版本的可能性。GB5781-86六角头螺栓全螺纹C级GB5783一86六角头螺栓全螺纹A和B级GB5786-86六角头螺栓细牙全螺纹A和B级GB70—85内六角圆柱头螺钉
GB 1299—853
合金工具钢技术条件
GB1222--84弹簧钢
JB/T4213--96紧固件冷镦模具wwW.bzxz.Net
技术条件
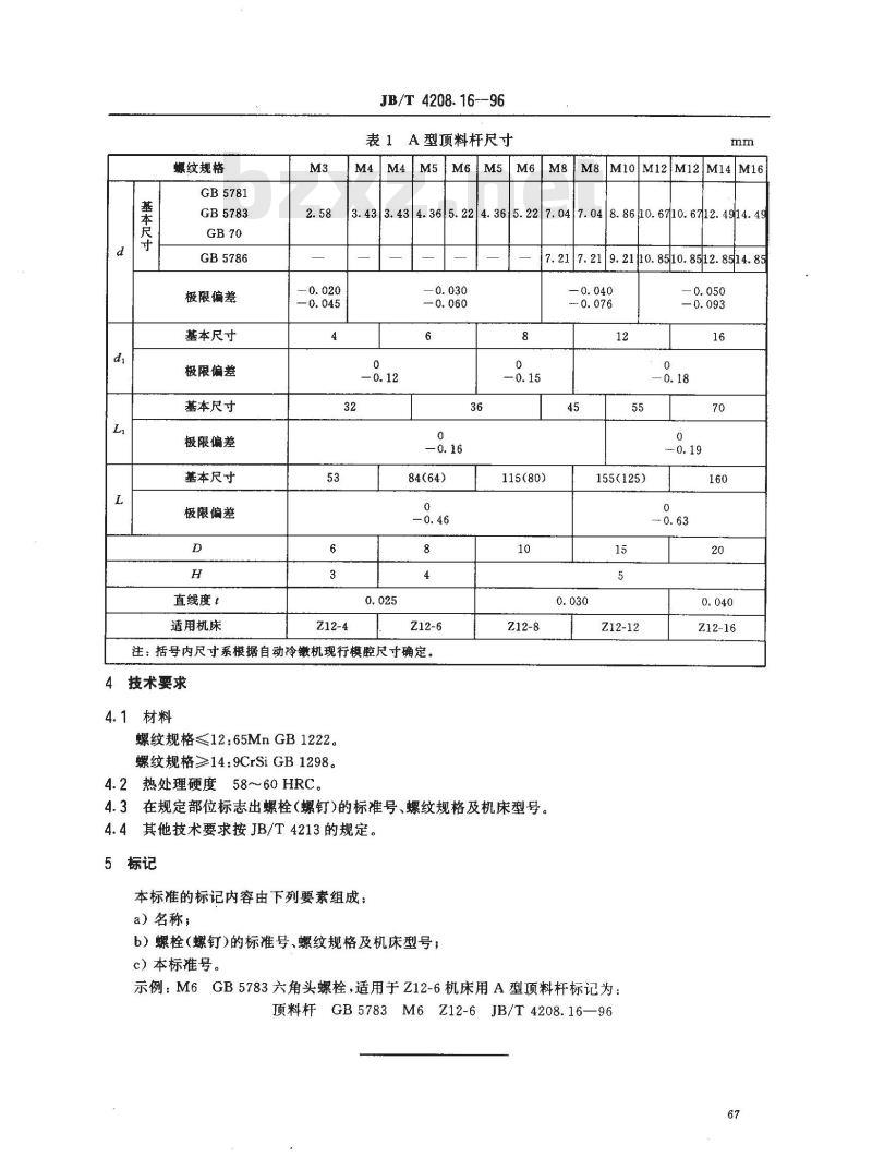
3 结构型式与尺寸
A型项料杆的结构型式如图1所示,尺寸在表1中给出。其余
1×45°
图1A型顶料杆结构型式
中华人民共和国机械工业部1996-09-03批准66
1997-07-01实施
基本尺寸
螺纹规格
GB5781
GB5783
GB 5786
极限偏差
基本尺寸
极限偏差
基本尺寸
极限偏差
基本尺寸
极限偏差
直线度t
适用机床
JB/T 4208.16--96
A型顶料杆尺寸
M10M12M12|M14M16
3.433.434.365.224.365.227.047.048.8610.6710.6712.4914.49——————7.217.219.21|10.8510.8512.8514.85-0.030
84(64)
注:括号内尺寸系根据自动冷镦机现行模腔尺寸确定。技术要求
4.1材料
螺纹规格≤12:65MnGB1222。
螺纹规格≥14:9CrSiGB1298。
4.2热处理硬度58~~60HRC。
115(80)
4.3在规定部位标志出螺栓(螺钉)的标准号、螺纹规格及机床型号。4.4其他技术要求按JB/T4213的规定。5标记
本标准的标记内容由下列要素组成:a)名称;
b)螺栓(螺钉)的标准号、螺纹规格及机床型号;c)本标准号。
155(125)
Z12-12
示例:M6GB5783六角头螺栓,适用于Z12-6机床用A型项料杆标记为:顶料杆GB5783M6Z12-6JB/T4208.16—960
Z12-16
小提示:此标准内容仅展示完整标准里的部分截取内容,若需要完整标准请到上方自行免费下载完整标准文档。