首页 > 机械行业标准(JB) > JB/T 4208.17-1996 冷镦模具通用件 顶料杆 B型
JB/T 4208.17-1996

基本信息

标准号: JB/T 4208.17-1996

中文名称:冷镦模具通用件 顶料杆 B型

标准类别:机械行业标准(JB)

标准状态:现行

发布日期:1996-09-03

实施日期:1997-07-01

出版语种:简体中文

下载格式:.rar.pdf

下载大小:52776

相关标签: 冷镦 模具 通用件

标准分类号

中标分类号:机械>>工艺装备>>J46模具

关联标准

替代情况:JB 4208.17-1986

出版信息

出版社:机械行业出版社

页数:6页

标准价格:8.0 元

出版日期:1997-07-01

相关单位信息

起草人:李 坚

起草单位:沈阳标准件研究所

归口单位:机械工业部北京机电研究所

提出单位:全国模具标准化技术委员会

发布部门:中华人民共和国机械工业部

标准简介

本标准规定了冷镦GB 5780~5786六角螺栓M3~M16、GB 70内六角柱头螺钉M4~M16及GB 65~69、GB 818~820螺钉M2~M12B型顶杆的结构型式与尺寸、技术要求和标记。 本标准适用于双击整模自动冷镦机的模具。 JB/T 4208.17-1996 冷镦模具通用件 顶料杆 B型 JB/T4208.17-1996 标准下载解压密码:www.bzxz.net

标准图片预览

JB/T 4208.17-1996 冷镦模具通用件 顶料杆 B型
JB/T 4208.17-1996 冷镦模具通用件 顶料杆 B型

标准内容

1范围
中华人民共和国机械行业标准
冷镦模具通用件
顶料杆B型
JB/T 4208.17—96
代替JB 4208.17—-86
本标准规定了冷镦GB5780~~5786六角头螺栓M3-M16、GB70内六角圆柱头螺钉M4~M16及GB65~69、GB818~820螺钉M2~M12B型顶料杆的结构型式与尺寸、技术要求和标记。本标准适用于双击整模自动冷镦机的模具。2引用标准
下列标准所包含的条文,通过在本标准中引用而构成为本标准的条文。本标准出版时,所示版本均为有效。所有标准都会被修订,使用本标准的各方应探讨使用下列标准最新版本的可能性。C级
GB5780—86六角头螺栓
六角头螺栓
GB 5781—86
GB 5782—86
六角头螺栓
GB 5783-86
GB 5784-86
GB 5785--86
GB 5786—86
GB 70—85
GB 65—85
GB 67—85
GB 68—85
六角头螺栓
六角头螺栓
六角头螺栓
全螺纹C级下载标准就来标准下载网
A和B级
全螺纹A和B级
细杆B级
A和B级
六角头螺栓细牙
内六角圆柱头螺钉
开槽圆柱头螺钉
开槽盘头螺钉
开槽沉头螺钉
开槽半沉头螺钉
GB 69—85
GB 818—85
GB 820—85
十字槽盘头螺钉
十字槽半沉头螺钉
GB 1299—85
GB 1222--84
全螺纹A和B级
合金工具钢技术条件
弹簧钢
JB/T4213—96
紧固件冷模具技术条件
3结构型式与尺寸
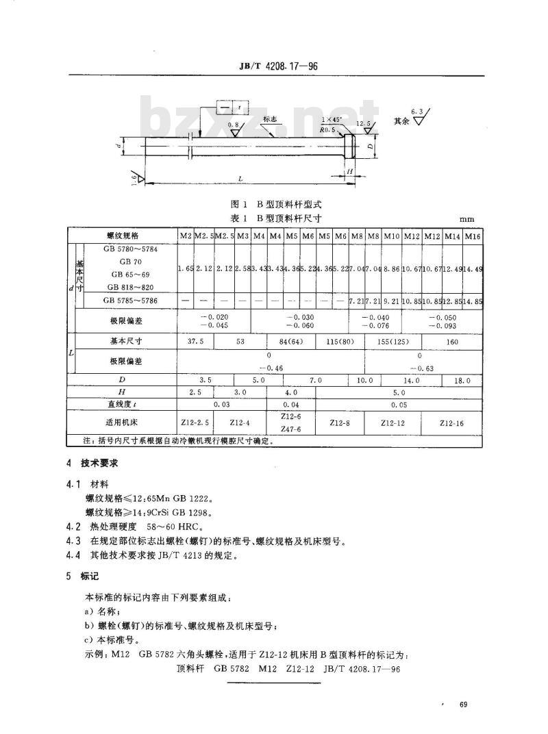
B型顶料杆的结构型式如图1所示,尺寸在表1中给出。中华人民共和国机械工业部1996-09-03批准68
1997-07-01实施
螺纹规格
GB 5780~5784
GB 65~~69
GB 818-~820
GB 5785 5786
极限偏差
基本尺寸
极限偏差
直线度:
适用机床
JB/T4208.17—96
1×45°
B型顶料杆型式
表1B型顶料杆尺寸
M2M2.5M2.5|M3|M4M4|M5M6M5M6|M8M8M10M12M12M14M161. 65 2. 122. 12 2. 583. 433. 434. 365. 224. 365. 227. 047. 04 8. 86 10. 6710. 6712. 4914, 497.217.219.21 10.8510.8512. 8514.850.020
84(64)
注:括号内尺寸系根据自动冷徽机现行模腔尺寸确定。技术要求
4.1材料
螺纹规格≤12:65MnGB1222。
螺纹规格≥14:9CrSiGB1298。
4.2热处理硬度58~60HRC
115(80)
155(125)
4.3在规定部位标志出螺栓(螺钉)的标准号、螺纹规格及机床型号。4.4其他技术要求按JB/T4213的规定。5标记
本标准的标记内容由下列要素组成:a)名称;
b)螺栓(螺钉)的标准号、螺纹规格及机床型号;c)本标准号。
Z12-12
示例:M12GB5782六角头螺栓,适用于Z12-12机床用B型顶料杆的标记为:顶料杆GB5782
M12 Z12-12 JB/T 4208.17—96
Z12-16
小提示:此标准内容仅展示完整标准里的部分截取内容,若需要完整标准请到上方自行免费下载完整标准文档。