首页 > 机械行业标准(JB) > JB/T 4210.3-1996 冷镦六角螺母模具 整形顶料杆
JB/T 4210.3-1996

基本信息

标准号: JB/T 4210.3-1996

中文名称:冷镦六角螺母模具 整形顶料杆

标准类别:机械行业标准(JB)

标准状态:现行

发布日期:1996-09-03

实施日期:1997-07-01

出版语种:简体中文

下载格式:.rar.pdf

下载大小:36709

相关标签: 冷镦 六角 螺母 模具 整形

标准分类号

中标分类号:机械>>工艺装备>>J46模具

关联标准

替代情况:JB 4210.3-1986

出版信息

页数:2 页

标准价格:8.0 元

相关单位信息

归口单位:北京机电研究所

发布部门:北京机电研究所

标准简介

本标准规定了冷镦GB 6170~6171、GB 6175~6176六角螺母M8~M20整形冲头的结构型式与尺寸、技术要求和标记。 本标准适用于螺母自动冷镦机的模具。 JB/T 4210.3-1996 冷镦六角螺母模具 整形顶料杆 JB/T4210.3-1996 标准下载解压密码:www.bzxz.net

标准图片预览

JB/T 4210.3-1996 冷镦六角螺母模具 整形顶料杆
JB/T 4210.3-1996 冷镦六角螺母模具 整形顶料杆

标准内容

1范围
中华人民共和国机械行业标准
冷镦六角螺母模具
整形顶料杆
JB/T 4210.3-96
代替JB4210.3-86
本标准规定了冷镦GB6170~6171、GB6175~6176六角螺母M8~M20整形顶料杆的结构型式与尺寸、技术要求和标记。
本标准适用于螺母自动冷镦机的模具。2引用标准
下列标准所包含的条文,通过在本标准中引用而构成为本标准的条文。本标准出版时,所示版本均为有效。所有标准都会被修订,使用本标准的各方应探讨使用下列标准最新版本的可能性。GB6170—861型六角螺母A和B级
GB6171--861型六角螺母
细牙A和B级
GB6175--862型六角螺母
A和B级
A和B级
GB6176862型六角螺母
GB1222--84
弹簧钢
JB/T 4213—96免费标准下载网bzxz
紧固件冷傲模具
3结构型式与尺寸
技术条件
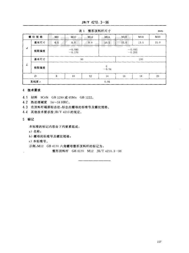
整形顶料杆的结构型式如图1所示,尺寸在表1中给出。0.5×45°
整形预料杆结构型式
中华人民共和国机械工业部1996-09-03批准116
1997-07-01实施
螺纹规格
基本尺寸
极限偏差
基本尺寸
极限偏差
直线度t
技术要求
JB/T 4210. 3—96
表1整形顶料杆尺寸
4.1 材料9CrSiGB1299或65MnGB1222。4.2热处理硬度54~58HRC。
4.3在顶料杆端部标志处,标志出螺母的标准号及螺纹规格。4.4其他技术要求按JB/T4213的规定。5标记
本标准的标记内容由下列要素组成:a)名称;
b)螺母的标准号及螺纹规格;
c)本标准号。
示例:M12GB6170六角螺母整形顶料杆的标记为:M16
整形顶料杆GB6170M12JB/T4210.3—-96-0.095
小提示:此标准内容仅展示完整标准里的部分截取内容,若需要完整标准请到上方自行免费下载完整标准文档。