首页 > 机械行业标准(JB) > JB/T 4210.4-1996 冷镦六角螺母模具 镦球冲头 A型
JB/T 4210.4-1996

基本信息

标准号: JB/T 4210.4-1996

中文名称:冷镦六角螺母模具 镦球冲头 A型

标准类别:机械行业标准(JB)

标准状态:现行

发布日期:1996-09-03

实施日期:1997-07-01

出版语种:简体中文

下载格式:.rar.pdf

下载大小:72837

相关标签: 冷镦 六角 螺母 模具 冲头

标准分类号

中标分类号:机械>>工艺装备>>J46模具

关联标准

替代情况:JB 4210.4-1986

出版信息

页数:4页

标准价格:8.0 元

相关单位信息

归口单位:北京机电研究所

发布部门:北京机电研究所

标准简介

本标准规定了冷镦GB 6170~6171、GB 6175~6176六角螺母M1.6~M20A型镦球冲头的结构型式与尺寸、技术要求和标记。 本标准适用于螺母自动冷镦机的模具。 JB/T 4210.4-1996 冷镦六角螺母模具 镦球冲头 A型 JB/T4210.4-1996 标准下载解压密码:www.bzxz.net

标准图片预览

JB/T 4210.4-1996 冷镦六角螺母模具 镦球冲头 A型
JB/T 4210.4-1996 冷镦六角螺母模具 镦球冲头 A型
JB/T 4210.4-1996 冷镦六角螺母模具 镦球冲头 A型
JB/T 4210.4-1996 冷镦六角螺母模具 镦球冲头 A型

标准内容

1范围
中华人民共和国机械行业标准
冷镦六角螺母模具
球冲头A型
JB/T 4210.4-96
代替JB4210.4--86
本标准规定了冷镦GB6170~~6171、GB6175~6176六角螺母M1.6~M20A型镦球冲头的结构型式与尺寸、技术要求和标记。本标准适用于螺母自动冷机的模具。2引用标准
下列标准所包含的条文,通过在本标准中引用而构成为本标准的条文。本标准出版时,所示版本均为有效。所有标准都会被修订,使用本标准的各方应探讨使用下列标准最新版本的可能性。GB6170—861型六角螺母
A和B级
GB6171—861型六角螺母
细牙A和B级
GB6175-862型六角螺母
A和B级
GB6176—862型六角螺母
细牙A和B级
GB1298—86碳素工具钢技术条件YB9-68铬轴承钢技术条件
JB/T4213-96紧固件冷镦模具
技术条件
3结构型式与尺寸
A型球冲头的结构型式如图1所示,尺寸在表1、表2、表3中给出。中华人民共和国机械工业部1996-09-03批准118
1997-07-01实施
螺纹规格
基本尺寸
极限偏差
基本尺寸
极限偏差
基本尺寸
极限偏差
基本尺寸
极限偏差
基本尺寸
极限偏差
1X45°
1×45°
JB/T 4210. 4—96
1×45°
图1A型镦球冲头结构型式
表1A型镦球冲头尺寸
螺纹规格
同轴度$t
适用机床
螺纹规格
基本尺寸下载标准就来标准下载网
极限偏差
基本尺寸
极限偏差
基本尺寸
极限偏差
基本尺寸
极限偏差
基本尺寸
极限偏差
同轴度t
适用机床
JB/T 4210.4—96
表1(完)
Z 41-4
A型镦球冲头尺寸
螺纹规格
基本尺寸
极限偏差
基本尺寸
极限偏差
基本尺寸
极限偏差
基本尺寸
极限偏差
基本尺寸
极限偏差
同轴度$t
适用机床
4技术要求
JB/T4210.4--96
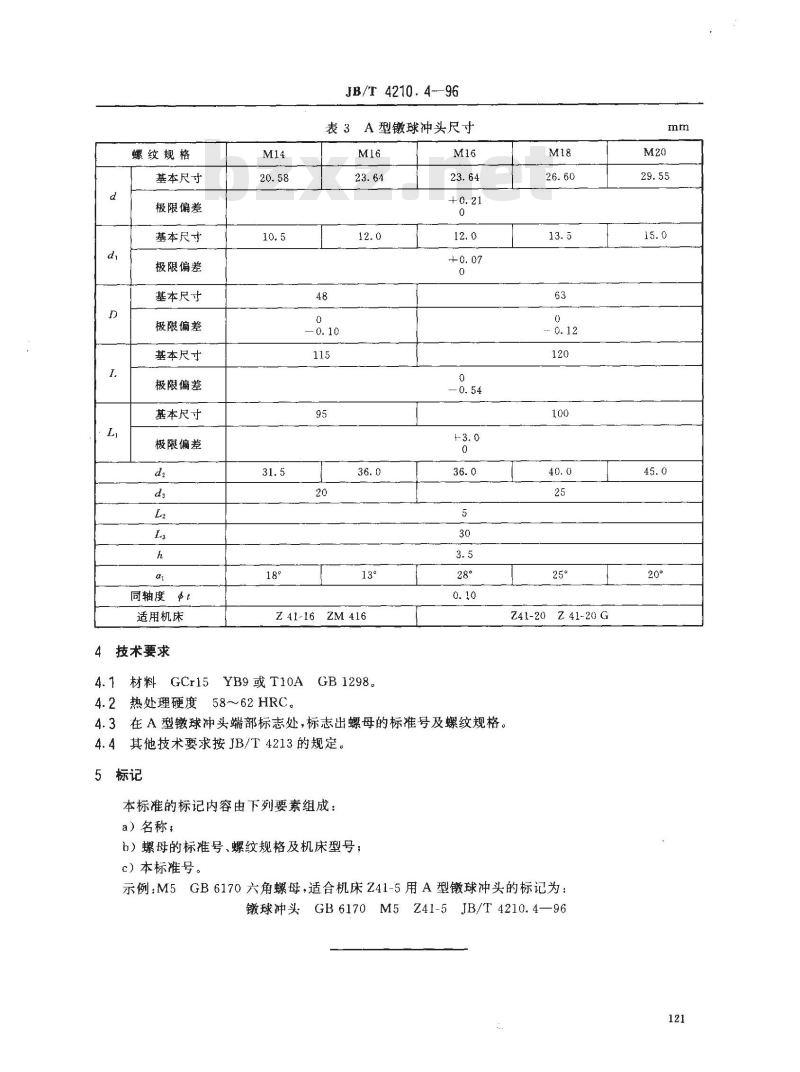
表3A型球冲头尺寸
Z41-16 ZM 416
材料GCr15YB9或T10A
4.2热处理硬度58~62HRC。
GB 1298
4.3在A型镦球冲头端部标志处,标志出螺母的标准号及螺纹规格。4.4其他技术要求按JB/T4213的规定。5标记
本标准的标记内容由下列要素组成:a)名称:
b)螺母的标准号、螺纹规格及机床型号;c)本标准号。
Z41-20 Z 41-20 G
示例:M5GB6170六角螺母,适合机床Z41-5用A型徽球冲头的标记为:镦球冲头GB6170M5Z41-5JB/T4210.4—96mm
小提示:此标准内容仅展示完整标准里的部分截取内容,若需要完整标准请到上方自行免费下载完整标准文档。