首页 > 机械行业标准(JB) > JB/T 4210.6-1996 冷镦六角螺母模具 镦球凹模 A型
JB/T 4210.6-1996

基本信息

标准号: JB/T 4210.6-1996

中文名称:冷镦六角螺母模具 镦球凹模 A型

标准类别:机械行业标准(JB)

标准状态:现行

发布日期:1996-09-03

实施日期:1997-07-01

出版语种:简体中文

下载格式:.rar.pdf

下载大小:43749

相关标签: 冷镦 六角 螺母 模具 凹模

标准分类号

中标分类号:机械>>工艺装备>>J46模具

关联标准

替代情况:JB 4210.6-1986

出版信息

页数:2 页

标准价格:8.0 元

相关单位信息

归口单位:北京机电研究所

发布部门:北京机电研究所

标准简介

本标准规定了冷镦GB 6170~6171、GB 6175~6176六角螺母M1.6~M6A型镦球凹模的结构型式与尺寸、技术要求和标记。 本标准适用于螺母自动冷镦机的模具。 JB/T 4210.6-1996 冷镦六角螺母模具 镦球凹模 A型 JB/T4210.6-1996 标准下载解压密码:www.bzxz.net

标准图片预览

JB/T 4210.6-1996 冷镦六角螺母模具 镦球凹模 A型
JB/T 4210.6-1996 冷镦六角螺母模具 镦球凹模 A型

标准内容

中华人民共和国机械行业标准
冷镦六角螺母模具bzxZ.net
镦球凹模A型
JB/T 4210.6--96
代替JB4210.6—86
本标准规定了冷镦GB6170~6171.GB6175~6176六角螺母M1.6~M6A型镦球凹模的结构型式与尺寸、技术要求和标记。
本标准适用于螺母自动冷镦机的模具。2引用标准
下列标准所包含的条文,通过在本标准中引用而构成为本标准的条文。本标准出版时,所示版本均为有效。所有标准都会被修订,使用本标准的各方应探讨使用下列标准最新版本的可能性。GB6170—861型六角螺母A和B级
GB6171-861型六角螺母细牙A和B级GB6175-862型六角螺母A和B级
GB6176--862型六角螺母细牙A和B级GB1298—86碳素工具钢技术条件JB/T4213—96紧固件冷徽模具技术条件3结构型式与尺寸
A型镦球凹模的结构型式如图1所示,尺寸在表1中给出。标志
1X45°
允许制造的型式
图1A型镦球凹模结构型式
中华人民共和国机械工业部1996-09-03批准124
1997- 07-01实施
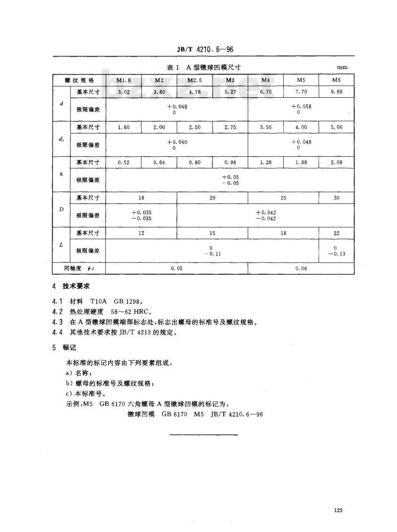
螺纹规格
基本尺寸
极限偏差
基本尺寸
极限偏差
基本尺寸
极限偏差
基本尺寸
极限偏差
基本尺寸
极限偏差
同轴度t
4技术要求
4.1 材料 T10A GB 1298。
4.2热处理硬度58~62HRC。
JB/T4210.6—96
A型镦球凹模尺寸
4.3在A型镦球凹模端部标志处,标志出螺母的标准号及螺纹规格。4.4其他技术要求按JB/T4213的规定。5标记
本标准的标记内容由下列要素组成:a)名称;
b)螺母的标准号及螺纹规格;
c)本标准号。
示例:M5GB6170六角螺母A型镦球凹模的标记为:镦球凹模GB6170M5JB/T4210.6--9625
小提示:此标准内容仅展示完整标准里的部分截取内容,若需要完整标准请到上方自行免费下载完整标准文档。