首页 > 机械行业标准(JB) > JB/T 4210.8-1996 冷镦六角螺母模具 镦球推杆 A型
JB/T 4210.8-1996

基本信息

标准号: JB/T 4210.8-1996

中文名称:冷镦六角螺母模具 镦球推杆 A型

标准类别:机械行业标准(JB)

标准状态:现行

发布日期:1996-09-03

实施日期:1997-07-01

出版语种:简体中文

下载格式:.rar.pdf

下载大小:44389

相关标签: 冷镦 六角 螺母 模具 推杆

标准分类号

中标分类号:机械>>工艺装备>>J46模具

关联标准

替代情况:JB 4210.8-1986

出版信息

页数:2 页

标准价格:8.0 元

相关单位信息

归口单位:北京机电研究所

发布部门:北京机电研究所

标准简介

本标准规定了冷镦GB 6170~6171、GB 6175~6176六角螺母M1.6~M6A型镦球推杆的结构型式与尺寸、技术要求和标记。 本标准适用于螺母自动冷镦机的模具。 JB/T 4210.8-1996 冷镦六角螺母模具 镦球推杆 A型 JB/T4210.8-1996 标准下载解压密码:www.bzxz.net

标准图片预览

JB/T 4210.8-1996 冷镦六角螺母模具 镦球推杆 A型
JB/T 4210.8-1996 冷镦六角螺母模具 镦球推杆 A型

标准内容

1范围
中华人民共和国机械行业标准
冷六角螺母模具
镦球推杆A型
JB/T 4210.8—96
代替JR4210.886
本标推规定了冷GB6170~~6171、GB6175~~6176六角螺母M1.6~M6A型镦球推杆的结构型式与尺寸、技术要求和标记。
本标适用于螺母自动冷机的模具。2引用标准
下列标准所包含的条文,通过在本标准中引用而构成为本标准的条文。本标准出版时,所示版本均为有效。所有标准都会被修订,使用本标准的各方应探讨使用下列标推最新版本的可能性。GB6170—861型六角螺母A和B级
GB 6171-~86
1型六角螺母
GB 6175--86
细牙A和B级
A和B级
2型六角螺母
2型六角螺母细牙A和B级
GB 6176-862
GB 1299—85
GB 1222—84
合金工具钢技术条件
弹簧钢
JB/T4213—96
紧固件冷镦模具
技术条件
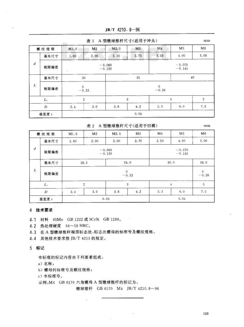
3结构型式与尺寸
A型镦球推杆的结构型式如图1所示,尺寸在表1、表2中给出。允许自然圆角
图1A型球推杆结构型式
中华人民共和国机械工业部1996-09-03批准128
1997-07-01实施
螺纹规格免费标准bzxz.net
基本尺寸
极限偏差
基本尺寸
极限偏差
垂直度t
螺纹规格
基本尺寸
极限偏差
基本尺寸
极限偏差
垂直度t
4技术要求
JB/T4210.8—96
表1A型镦球推杆尺寸(适用于冲头)M2
表2A型镦球推杆尺寸(适用于凹模)M2
材料65Mn
GB 1222 或 9CrSi
热处理硬度54~~58HRC。
4.3在A型镦球推杆端部标志处,标志出螺母的标准号及螺纹规格。其他技术要求按JB/T4213的规定。4.41
本标准的标记内容由下列要素组成:a)名称:
b)螺母的标准号及螺纹规格;
c)本标准号。
示例:M4GB6170六角螺母A型镦球推杆的标记为:M4
镦球推杆
GB 6170M4JB/T 4210.8--96
小提示:此标准内容仅展示完整标准里的部分截取内容,若需要完整标准请到上方自行免费下载完整标准文档。