首页 > 机械行业标准(JB) > JB/T 4210.15-1996 冷镦六角螺母模具 镦六角凹模(硬质合金) B型
JB/T 4210.15-1996

基本信息

标准号: JB/T 4210.15-1996

中文名称:冷镦六角螺母模具 镦六角凹模(硬质合金) B型

标准类别:机械行业标准(JB)

标准状态:现行

发布日期:1996-09-03

实施日期:1997-07-01

出版语种:简体中文

下载格式:.rar.pdf

下载大小:51160

相关标签: 冷镦 六角 螺母 模具 凹模 硬质合金

标准分类号

中标分类号:机械>>工艺装备>>J46模具

关联标准

替代情况:JB 4210.15-1986

出版信息

页数:3 页

标准价格:8.0 元

相关单位信息

归口单位:北京机电研究所

发布部门:北京机电研究所

标准简介

本标准规定了冷镦GB 6170~6171、GB 6175~6176六角螺母M5~M24B型镦六角凹模的结构型式与尺寸、技术要求和标记。 本标准适用于螺母自动冷镦机的模具。 JB/T 4210.15-1996 冷镦六角螺母模具 镦六角凹模(硬质合金) B型 JB/T4210.15-1996 标准下载解压密码:www.bzxz.net

标准图片预览

JB/T 4210.15-1996 冷镦六角螺母模具 镦六角凹模(硬质合金) B型
JB/T 4210.15-1996 冷镦六角螺母模具 镦六角凹模(硬质合金) B型

标准内容

1范围
中华人民共和国机械行业标准
冷镦六角螺母模具
镦六角凹模(硬质合金)B型
JB/T 4210.15—96
代替JB4210.15—86
本标准规定了冷镦GB6170~~6171、GB6175~6176六角螺母M5~M14B型镦六角凹模的结构型式与尺寸、技术要求和标记。
本标准适用于螺母自动冷镦机的模具。2引用标准
下列标准所包含的条文,通过在本标准中引用而构成为本标准的条文。本标准出版时,所示版本均为有效。所有标准都会被修订,使用本标准的各方应探讨使用下列标准最新版本的可能性。GB6170-861型六角螺母A和B级
GB6171--861型六角螺母细牙A和B级GB6175-862型六角螺母A和B级
GB6176-862型六角螺母
细牙A和B级
GB1222—84弹簧钢
JB/T4213—96紧固件冷模具技术条件3结构型式与尺寸
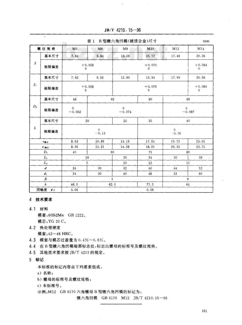
B型镦六角凹模的结构型式如图1所示,尺寸在表1中给出。其余
1.2×45°
图1B型徽六角凹模(硬质台金)结构型式中华人民共和国机械工业部1996-09-03批准150
1997-07-01实施
螺纹规格
基本尺寸
极限偏差
基本尺寸免费标准下载网bzxz
极限偏差
基本尺寸
极限偏差
基本尺寸
极限偏差
e摄小
e1最小
同轴度更t
技术要求
4.1材料
JB/T 4210.15—96
表1B型徽六角凹模(硬质合金)尺寸M6
模套:60Si2MnGB1222。
模芯:YG20C。
4.2热处理硬度
模套:42~48HRC。
4.3模套与模芯过盈量为0.4%~~0.6%65
4.4在B型镦六角凹模端部标志处,标志出螺母的标准号及螺纹规格。4.5其他技术要求按JB/T4213的规定5标记
本标准的标记内容由下列要素组成:a)名称;
b)螺母的标雅号及螺纹规格;
c)本标准号。
示例:M12GB6170六角螺母B型六角凹模的标记为:GB6170 M12JB/T 4210.15—96
六角凹模
小提示:此标准内容仅展示完整标准里的部分截取内容,若需要完整标准请到上方自行免费下载完整标准文档。