首页 > 机械行业标准(JB) > JB/T 4210.17-1996 冷镦六角螺母模具 镦六角凹模 D型
JB/T 4210.17-1996

基本信息

标准号: JB/T 4210.17-1996

中文名称:冷镦六角螺母模具 镦六角凹模 D型

标准类别:机械行业标准(JB)

标准状态:现行

发布日期:1996-09-03

实施日期:1997-07-01

出版语种:简体中文

下载格式:.rar.pdf

下载大小:64360

相关标签: 冷镦 六角 螺母 模具 凹模

标准分类号

中标分类号:机械>>工艺装备>>J46模具

关联标准

替代情况:JB 4210.17-1986

出版信息

页数:3 页

标准价格:8.0 元

相关单位信息

归口单位:北京机电研究所

发布部门:北京机电研究所

标准简介

本标准规定了冷镦GB 6170~6171、GB 6175~6176六角螺母M8~M20D型镦六角凹模的结构型式与尺寸、技术要求和标记。 本标准适用于螺母自动冷镦机的模具。 JB/T 4210.17-1996 冷镦六角螺母模具 镦六角凹模 D型 JB/T4210.17-1996 标准下载解压密码:www.bzxz.net

标准图片预览

JB/T 4210.17-1996 冷镦六角螺母模具 镦六角凹模 D型
JB/T 4210.17-1996 冷镦六角螺母模具 镦六角凹模 D型
JB/T 4210.17-1996 冷镦六角螺母模具 镦六角凹模 D型

标准内容

1范圈
中华人民共和国机械行业标准
冷辙六角螺母模具
六角凹模D型
JB/T 4210.17—96
代替JB4210.17--86
本标准规定了冷镦GB6170~~6171,GB6175~~6176六角螺母M8~M20D型镦六角凹模的结构型式与尺寸、技术要求和标记。
本标准适用于螺母自动冷镦机的模具。2引用标准
下列标准所包含的条文,通过在本标准中引用而构成为本标准的条文。本标准出版时,所示版本均为有效。所有标准都会被修订,使用本标准的各方应探讨使用下列标准最新版本的可能性。GB6170—861型六角螺母A和B级
GB6171—861型六角螺母细牙A和B级GB6175—862型六角螺母A和B级
GB6176-862型六角螺母细牙A和B级GB 1299—85
合金工具钢技术条件
GB1222—84弹簧钢
JB/T4213--96紧固件冷镦模具技术条件3结构型式与尺寸
D型镦六角凹模的结构型式如图1所示,尺寸在表1、表2中给出。1×45
1×45%
D型六角叫模结构型式
中华人民共和国机械工业部1996-09-03批准其余
1997-07-01实施
螺纹规格
基本尺寸
极限偏差
基本尺寸
极限偏差
基本尺寸
极限偏差
基本尺寸
极限偏差
e最小
ei最小
同轴度t
螺纹规格
基本尺寸
极限偏差
基本尺寸免费标准下载网bzxz
极限偏差
基本尺寸
极限偏差
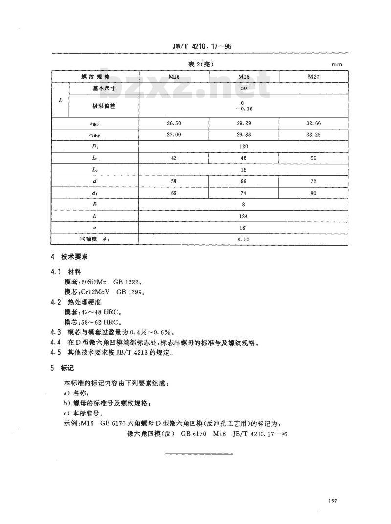
JB/T 4210. 17—96
表1D型六角凹模(正冲孔工艺用)尺寸M10
表2D型镦六角凹模(反冲孔工艺)尺寸M16
螺纹规格
基本尺寸
极限偏差
e最小
e1最小
同轴度t
4技术要求
4.1材料
模套:60Si2MnGB1222。
模芯:Cr12MoVGB1299。
4.2热处理硬度
模套:42~~48HRC。
模芯:58-62 HRC。
JB/T 4210. 17--96
表2(完)
4.3模芯与模套过盈量为0.4%~0.6%。M18
4.4在D型镦六角凹模端部标志处,标志出螺母的标准号及螺纹规格。4.5其他技术要求按JB/T4213的规定。5标记
本标准的标记内容由下列要紊组成:a)名称;
b)螺母的标准号及螺纹规格;
c)本标准号。
示例:M16GB6170六角螺母D型镦六角凹模(反冲孔工艺用)的标记为:镦六角凹模(反)GB6170M16JB/T4210.17--96M20
小提示:此标准内容仅展示完整标准里的部分截取内容,若需要完整标准请到上方自行免费下载完整标准文档。