首页 > 机械行业标准(JB) > JB/T 4210.21-1996 冷镦六角螺母模具 冲孔冲头 D型
JB/T 4210.21-1996

基本信息

标准号: JB/T 4210.21-1996

中文名称:冷镦六角螺母模具 冲孔冲头 D型

标准类别:机械行业标准(JB)

标准状态:现行

发布日期:1996-09-03

实施日期:1997-07-01

出版语种:简体中文

下载格式:.rar.pdf

下载大小:48920

相关标签: 冷镦 六角 螺母 模具 冲孔 冲头

标准分类号

中标分类号:机械>>工艺装备>>J46模具

关联标准

替代情况:JB 4210.21-1986

出版信息

页数:3 页

标准价格:8.0 元

相关单位信息

归口单位:北京机电研究所

发布部门:北京机电研究所

标准简介

本标准规定了冷镦GB 6170~6171、GB 6175~6176六角螺母M1.6~M20反冲孔工艺D型冲孔冲头的结构型式与尺寸、技术要求和标记。 本标准适用于螺母自动冷镦机的模具。 JB/T 4210.21-1996 冷镦六角螺母模具 冲孔冲头 D型 JB/T4210.21-1996 标准下载解压密码:www.bzxz.net

标准图片预览

JB/T 4210.21-1996 冷镦六角螺母模具 冲孔冲头 D型
JB/T 4210.21-1996 冷镦六角螺母模具 冲孔冲头 D型
JB/T 4210.21-1996 冷镦六角螺母模具 冲孔冲头 D型

标准内容

1范围
中华人民共和国机械行业标准
冷六角螺母模具
冲孔冲头D型
JB/T 4210. 21-96
代替JB4210.21 ---86
本标准规定了冷GB.6170~6171、GB6175~~6176六角螺母M1.6~M20反冲孔工艺D型冲孔冲头的结构型式与尺寸、技术要求和标记。本标准适用于螺母自动冷镦机的模具。2引用标准
下列标准所包含的条文,通过在本标准中引用而构成为本标准的条文。本标准出版时,所示版本均为有效。所有标准都会被修订,使用本标准的各方应探讨使用下列标准最新版本的可能性。GB6170-861型六角螺母A和B级
GB6171861型六角螺母细牙A和B级GI36175--862型六角螺母A和B级GB6176-862型六角螺母细牙A和B级YB12—72、高速工.具钢技术条件JB/T4213--96紧固件冷模具
技术条件
3结构型式与尺寸
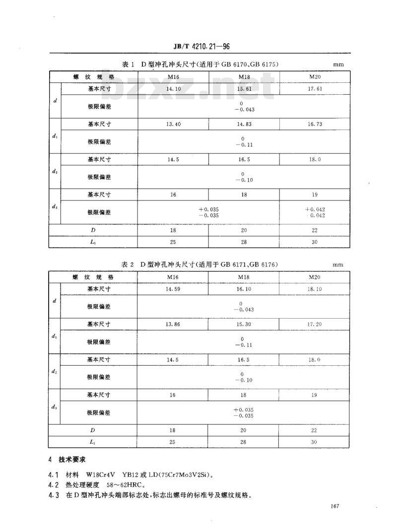
D型冲孔冲头的结构型式妇图1所示,尺寸在表1、表2中给出。其余
图1D型冲孔冲头结构型式
中华人民共和国机械工业部1996-09-03批准166
.5×45°
1997-07-01实施
螺纹规格
基本尺寸
极限偏差
基本尺寸
极限偏差
基本尺寸
极限偏差
基本尺寸
极限偏差
螺纹规格
基本尺寸
极限偏差
基本尺寸
极限偏差
基本尺寸
极限偏差
基本尺寸
极限偏差
4技术要求
W18Cr4VbzxZ.net
热处理硬度
JB/T 4210.21—96
表1D型冲孔冲头尺寸(适用于GB6170、GB6175)M16
表2D型冲孔冲头尺寸(适用于GB6171、GB6176)M16
YB12 或 LD(75Cr7Mo3V2Si)
58~~62HRC
4.3在D型冲孔冲头端部标志处,标志出螺母的标准号及螺纹规格M20
4.4其他技术要求按JB/T4213的规定5标记
本标准的标记内容由下列要素组成:a)名称;
b)螺母的标准号及螺纹规格;
c)本标准号。
JB/T4210.21--96
示例:M20GB6170六角螺母D型冲孔冲头(反冲孔)的标记为:冲孔冲头GB6170M20JB/T4210.21--96168
小提示:此标准内容仅展示完整标准里的部分截取内容,若需要完整标准请到上方自行免费下载完整标准文档。