首页 > 机械行业标准(JB) > JB/T 4211.1-1996 冷镦螺钉模具 终镦冲头 A型
JB/T 4211.1-1996

基本信息

标准号: JB/T 4211.1-1996

中文名称:冷镦螺钉模具 终镦冲头 A型

标准类别:机械行业标准(JB)

标准状态:现行

发布日期:1996-09-03

实施日期:1997-07-01

出版语种:简体中文

下载格式:.rar.pdf

下载大小:38853

相关标签: 冷镦 螺钉 模具 冲头

标准分类号

中标分类号:机械>>工艺装备>>J46模具

关联标准

替代情况:JB 4211.1-1986

出版信息

页数:2 页

标准价格:8.0 元

相关单位信息

归口单位:北京机电研究所

发布部门:北京机电研究所

标准简介

本标准规定了冷镦GB 65开槽圆柱头螺钉M4~M10A型终镦冲头的结构型式与尺寸、技术要求和标记。 本标准适用于双击整模自动冷镦机的模具。 JB/T 4211.1-1996 冷镦螺钉模具 终镦冲头 A型 JB/T4211.1-1996 标准下载解压密码:www.bzxz.net

标准图片预览

JB/T 4211.1-1996 冷镦螺钉模具 终镦冲头 A型
JB/T 4211.1-1996 冷镦螺钉模具 终镦冲头 A型

标准内容

中华人民共和国机械行业标准
冷镦螺钉模具
终镦冲头A型
JB/T 4211.1—96
代替JB 4211.1—86
本标准规定了冷镦GB65开槽圆柱头螺钉M4~M10A型终镦冲头的结构型式与尺寸、技术要求和标记。
本标准适用于双击整模自动冷镦机的模具。2引用标准
下列标准所包含的条文,通过在本标准中引用而构成为本标准的条文。本标准出版时,所示版本均为有效。所有标准都会被修订,使用本标准的各方应探讨使用下列标准最新版本的可能性。GB65—85开槽圆柱头螺钉
GB1222--84弹簧钢
JB/T4213—96紧固件冷镦模具技术条件3结构型式与尺寸
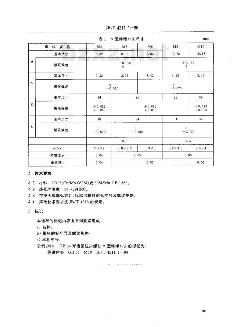
A型终镦冲头的结构型式如图1所示,尺寸在表1中给出。标志
图1A型终冲头结构型式
中华人民共和国机械工业部1996-09-03批准180
1997-07-01实施
螺纹规格
基本尺寸
极限偏差
基本尺寸
极限偏差
基本尺寸bzxZ.net
极限偏差
基本尺寸
极限偏差
同轴度虹
垂直度:
4技术要求
JB/T 4211.1---96
表1A型终镦冲头尺寸
4.1材料LD(75Cr7Mo3V2Si)或60Si2MnGB1222。4.2热处理硬度57~59HRC。
4.3在冲头端部标志处,标志出螺钉的标准号及螺纹规格。4.4其他技术要求按JB/T4213的规定。5标记
本标准的标记内容由下列要素组成:a)名称;
b)螺钉的标准号及螺纹规格;
c)本标准号。
示例:M10GB65开槽圆柱头螺钉A型终镦冲头的标记为:终镦冲头GB65M10JB/T4211.1--96M8
小提示:此标准内容仅展示完整标准里的部分截取内容,若需要完整标准请到上方自行免费下载完整标准文档。